LEMON Manuals: Even more car manuals for everyone: 1960-2025
Home >> Acura >> 2006 >> RL V6-3.5L >> Repair and Diagnosis >> Diagrams >> Connector Views >> Navigation System >> System Diagram
April 5, 2026: LEMON Manuals is launched! Read the announcement.

System Diagram

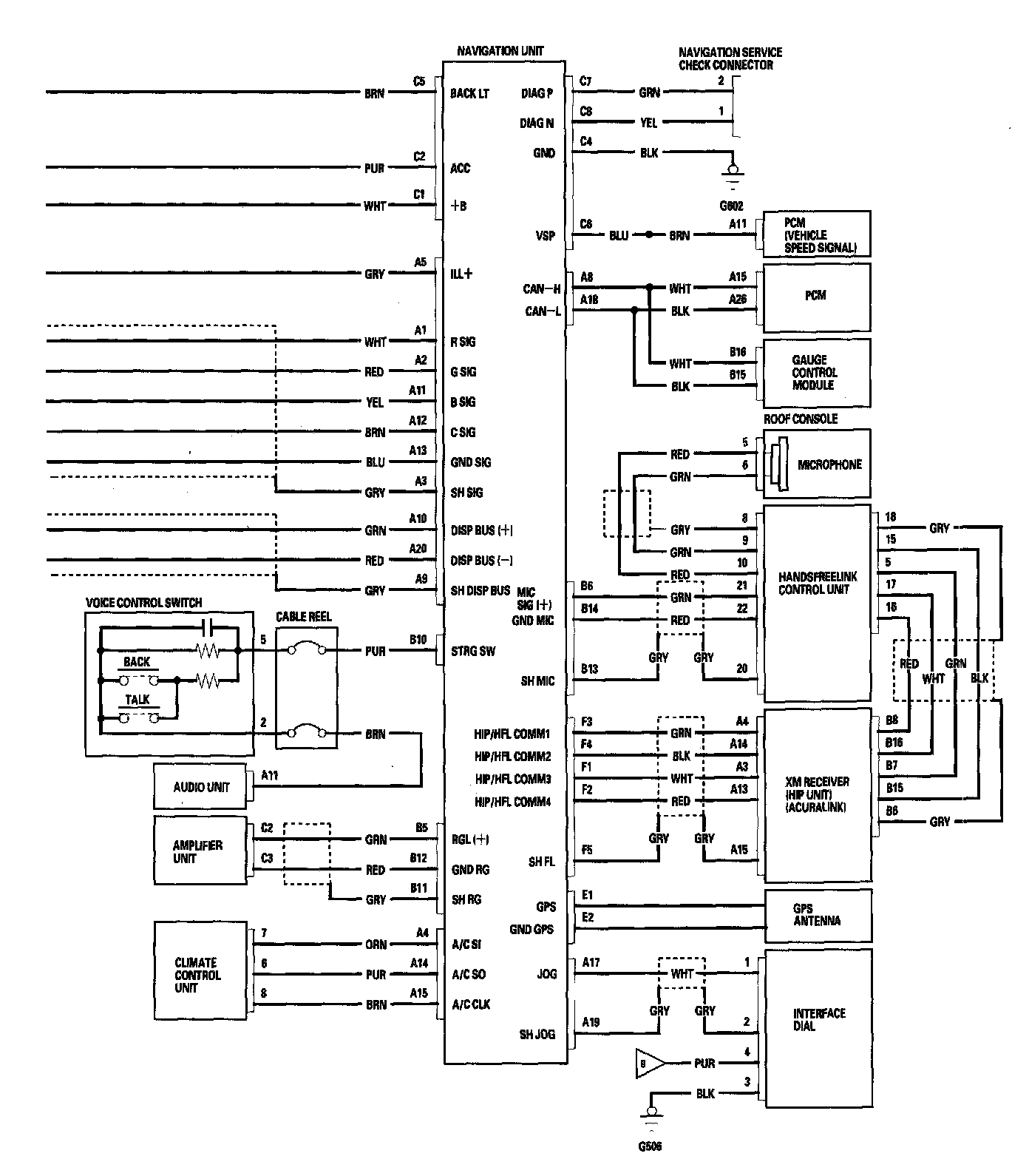
Navigation System - Circuit Diagram:



Navigation System With XM - Circuit Diagram Part 1:



Navigation System With XM - Circuit Diagram Part 2:



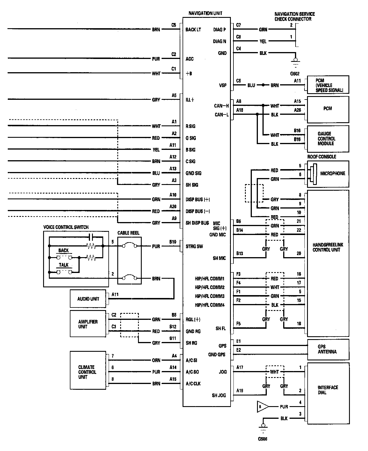
Navigation System Without XM - Circuit Diagram Part 1:



Navigation System Without XM - Circuit Diagram Part 2: