LEMON Manuals: Even more car manuals for everyone: 1960-2025
Home >> Acura >> 2007 >> RDX >> Repair and Diagnosis >> Body & Frame >> Windows >> Power Windows >> Circuit Diagram
April 5, 2026: LEMON Manuals is launched! Read the announcement.

Circuit Diagram

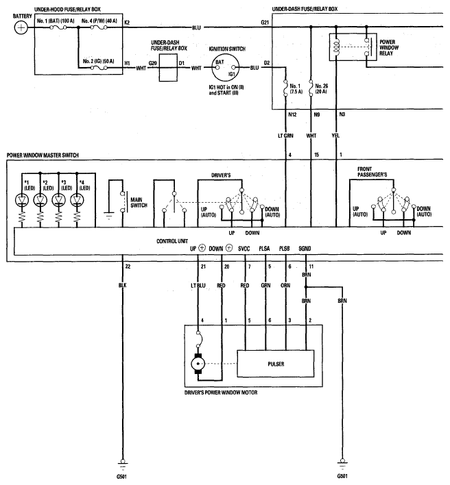
Fig 1: Power Windows Circuit Diagram (1 Of 3)
G05446448Courtesy of AMERICAN HONDA MOTOR CO., INC.
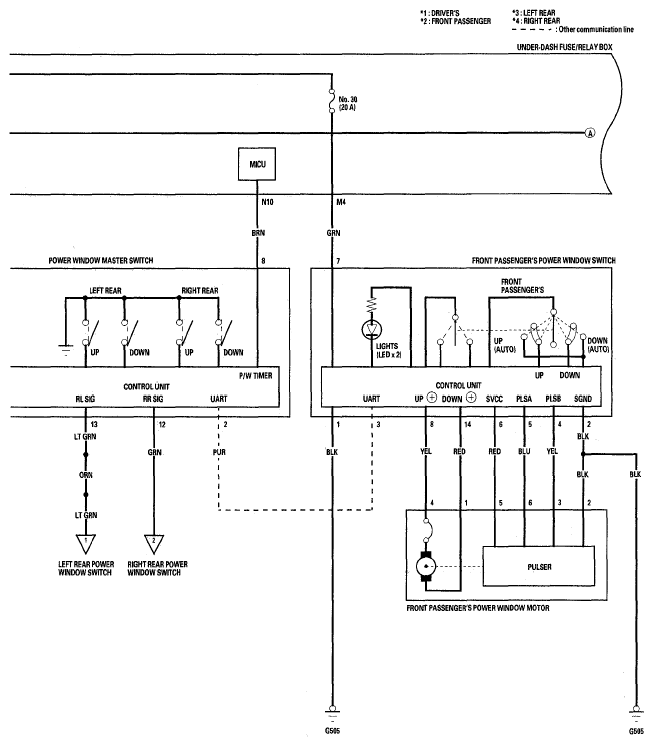
Fig 2: Power Windows Circuit Diagram (2 Of 3)
G05446449Courtesy of AMERICAN HONDA MOTOR CO., INC.
Fig 3: Power Windows Circuit Diagram (3 Of 3)
G05446450Courtesy of AMERICAN HONDA MOTOR CO., INC.