LEMON Manuals: Even more car manuals for everyone: 1960-2025
Home >> Acura >> 2007 >> RL >> Repair and Diagnosis >> External Pages >> Different car >> Section 66 (Display Panel Control System) >> Circuit Diagram
April 5, 2026: LEMON Manuals is launched! Read the announcement.

Circuit Diagram

WARNING: This page is about a different car, the 2008 Acura TL and 2007 Acura TL. However, it is still accessible from the selected car via links, so may be relevant.
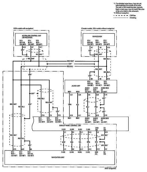
Fig 1: Display Panel Control System Circuit Diagram (1 Of 2)
G05463251Courtesy of AMERICAN HONDA MOTOR CO., INC.
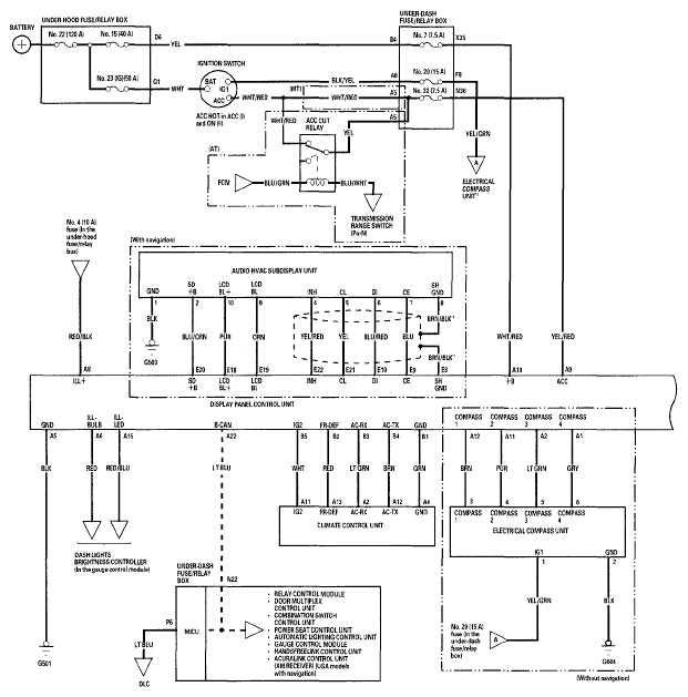
Fig 2: Display Panel Control System Circuit Diagram (2 Of 2)
G05463252Courtesy of AMERICAN HONDA MOTOR CO., INC.