LEMON Manuals
: Even more car manuals for everyone: 1960-2025
Home
>>
Acura
>>
2007
>>
TSX Automatic
>>
Repair and Diagnosis
>>
Engine Performance
>>
System
>>
Advanced Diagnostics
>>
DTC P1732: Problem in Shift Control System:
>>
Notes
April 5, 2026:
LEMON Manuals is launched!
Read the announcement.
DTC P1732: Problem in Shift Control System:: Notes
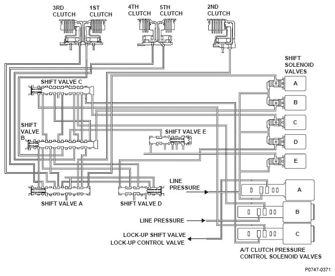
Shift Solenoid Valves B or C Stuck ON
Shift Valves B or C Stuck
Fig 1: A/T Clutch Pressure Control Solenoid Valves - Circuit Diagram
Fig 2: Shift Solenoid Valve Output (D Position)