LEMON Manuals: Even more car manuals for everyone: 1960-2025
Home >> Acura >> 2007 >> TSX Automatic >> Repair and Diagnosis >> Engine Performance >> System >> Advanced Diagnostics >> DTC U0107: Lost Communication With Throttle Actuator Control Module >> Notes
April 5, 2026: LEMON Manuals is launched! Read the announcement.

DTC U0107: Lost Communication With Throttle Actuator Control Module: Notes

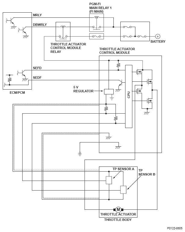
Fig 1: Throttle Position (TP) Sensor A - Circuit Diagram
G04838963