LEMON Manuals: Even more car manuals for everyone: 1960-2025
Home >> Acura >> 2007 >> TSX Automatic >> Repair and Diagnosis >> External Pages >> Different car >> Section 1 (Navigation System) >> Circuit Diagram >> Notes
April 5, 2026: LEMON Manuals is launched! Read the announcement.

Circuit Diagram: Notes

WARNING: This page is about a different car, the 2005 Acura TSX and 2004 Acura TSX. However, it is still accessible from the selected car via links, so may be relevant.
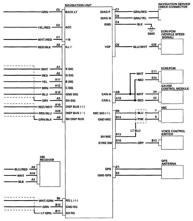
Fig 1: Navigation System Circuit Diagram (1 Of 2)
G05489317
Fig 2: Navigation System Circuit Diagram (2 Of 2)
G05489318