LEMON Manuals: Even more car manuals for everyone: 1960-2025
Home >> Acura >> 2008 >> TL Base >> Repair and Diagnosis >> Engine Performance >> System >> Advanced Diagnostics >> DTC U0107: Lost Communication With Throttle Actuator Control Module >> Notes
April 5, 2026: LEMON Manuals is launched! Read the announcement.

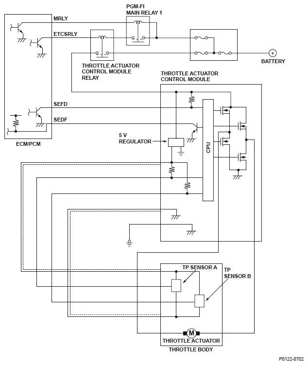
DTC U0107: Lost Communication With Throttle Actuator Control Module: Notes

Fig 1: Lost Communication With Throttle Actuator Control Module - Circuit Diagram
G04836514