LEMON Manuals: Even more car manuals for everyone: 1960-2025
Home >> Acura >> 2009 >> CSX Base, Automatic >> Repair and Diagnosis >> External Pages >> Different car >> Section 17 (Climate Control System) >> Climate Control >> Heater Unit/Core Replacement
April 5, 2026: LEMON Manuals is launched! Read the announcement.

Heater Unit/Core Replacement

WARNING: This page is about a different car, the 2011 Acura TL, 2010 Acura TL, and 2009 Acura TL. However, it is still accessible from the selected car via links, so may be relevant.

SRS components are located in this area Review the SRS component locations (see COMPONENT LOCATIONS ) and the precautions and procedures (see PRECAUTIONS AND PROCEDURES ) before doing repairs or service.

  1. Do the battery terminal disconnection procedure (see BATTERY TERMINAL DISCONNECTION AND RECONNECTION )
  2. Recover the refrigerant with a recovery/recycling/charging station (see RECEIVER/DRYER DESICCANT REPLACEMENT )
  3. Disconnect the A/C line from the evaporator core (see EVAPORATOR CORE REPLACEMENT )
  4. When the engine is cool, drain the engine coolant from the radiator (see COOLANT REPLACEMENT )
  5. From under the hood, slide the hose clamps (A) back Disconnect the inlet heater hose (B) and the outlet heater hose (C) from the heater unit Note the orientation of the hoses

    Engine coolant will run out when the hoses are disconnected, dram it into a clean drip pan Be sure not to let coolant spill on the electrical parts or the painted surfaces If any coolant spills, rinse it off immediately

    Fig 1: Identifying Inlet Heater Hose And Outlet Heater Hose
    G05988726Courtesy of AMERICAN HONDA MOTOR CO., INC.
  6. Remove the mounting nut from the heater unit Take care not to damage or bend the fuel lines or the brake lines
    Fig 2: Heater Unit And Mounting Nut With Torque Specification
    G05988727Courtesy of AMERICAN HONDA MOTOR CO., INC.
  7. Remove the dashboard (see DASHBOARD REPLACEMENT )
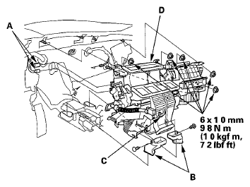
  8. Disconnect the left engine compartment wire harness connectors (C301 and 302) (A) Remove the ducts (B), and the drain hose (C) Then remove the mounting nuts, and the blower-heater unit (D)
    Fig 3: Left Engine Compartment Wire Harness Connectors, Blower-Heater Unit And Mounting Nuts With Torque Specification
    G05988728Courtesy of AMERICAN HONDA MOTOR CO., INC.
  9. Disconnect the connector (A) from the blower motor Remove the wire harness clips (B)
    Fig 4: Identifying Blower Motor Wire Harness Clips And Connector
    G05988729Courtesy of AMERICAN HONDA MOTOR CO., INC.
  10. Disconnect these connectors (A) The passenger's mode control motor, the power transistor, and the passenger's air mix control motor Detach the harness clips (B)
    Fig 5: Identifying Passenger's Air Mix Control Motor Connectors And Harness Clips
    G05988730Courtesy of AMERICAN HONDA MOTOR CO., INC.
  11. Disconnect these connectors (A) The recirculation control motor, and the climate control unit Detach the harness clip (B)
    Fig 6: Identifying Recirculation Control Motor Connectors And Harness Clip
    G05988731Courtesy of AMERICAN HONDA MOTOR CO., INC.
  12. Disconnect these connectors (A) the driver's air mix control motor, the driver's mode control motor, and evaporator temperature sensor Detach the harness clips (B) and the wire harness (C)
    Fig 7: Identifying Driver's Air Mix Control Motor And Connectors
    G05988732Courtesy of AMERICAN HONDA MOTOR CO., INC.
  13. Remove the self-tapping screws and the passenger's heater duct (A) Remove the self-tapping screws and the joint duct (B) Remove the self-tapping screw and the heater core cover (C) Remove the self-tapping screw, the heater pipe bracket (D), and the grommet (E), and carefully pull out the heater core (F)
    Fig 8: Identifying Passenger's Heater Duct Self-Tapping Screws And Heater Core Cover
    G05988733Courtesy of AMERICAN HONDA MOTOR CO., INC.
  14. Install the heater core in the reverse order of removal
  15. Install the heater unit in the reverse order of removal, and note these items
    • Do not interchange the inlet and outlet heater hoses, and install the hose clamps securely
    • Refill the cooling system with engine coolant (see COOLANT REPLACEMENT )
    • Make sure that there is no coolant leakage
    • Make sure that there is no air leakage
    • Charge the system (see SYSTEM CHARGING )
  16. Do the battery terminal reconnection procedure (see BATTERY TERMINAL DISCONNECTION AND RECONNECTION )