LEMON Manuals: Even more car manuals for everyone: 1960-2025
Home >> Acura >> 2009 >> CSX Base, Standard >> Repair and Diagnosis >> External Pages >> Different car >> Section 46 (Navigation System) >> Interface Dial Removal/Installation
April 5, 2026: LEMON Manuals is launched! Read the announcement.

Interface Dial Removal/Installation

WARNING: This page is about a different car, the 2011 Acura TL, 2010 Acura TL, and 2009 Acura TL. However, it is still accessible from the selected car via links, so may be relevant.

SRS components are located in this area Review the SRS component locations (see COMPONENT LOCATION INDEX ), and the precautions and procedures (see PRECAUTIONS AND PROCEDURES ) before doing repairs or service

NOTE:
  • Put on gloves to protect your hands
  • Take care not to scratch the dashboard and related parts
  • Lay a shop towel under the parts when working on them to protect the face panel from scratches or other damage
  • Eject the disc before removing the audio-navigation unit to prevent damaging the CD/DVD player's load mechanism
  • If the audio-navigation unit is replaced or disconnected, a Map Matching must be done (see Map Matching )
  1. Remove the audio-navigation switch panel (see AUDIO-NAVIGATION SWITCH PANEL REMOVAL/INSTALLATION )
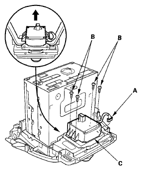
  2. Remove the bolts (A) and stays (B)
    Fig 1: Identifying Harness Cover And Stays
    G05989857Courtesy of AMERICAN HONDA MOTOR CO., INC.

    Bolt specifications: 5 x 0.8 mm, 3.7 N.m (0.38 kgf m, 2.7 lbf ft) 

  3. Remove the screw and harness cover (C)
  4. Disconnect the interface dial 13P connector (A)
    Fig 2: Disconnecting Interface Dial 13P Connector
    G05989858Courtesy of AMERICAN HONDA MOTOR CO., INC.
  5. Remove the 4 screws (B), then pry the interface dial (C) away from the audio-navigation switch panel with two KTC trim tools and applying even force as shown
    NOTE: Apply pressure slowly and steady until the knob and dial pops off
  6. Remove the interface dial (A), from the audio-navigation switch panel
    Fig 3: Identifying Interface Dial
    G05989859Courtesy of AMERICAN HONDA MOTOR CO., INC.
  7. Install the dial in the reverse order of removal
    NOTE: If the hard buttons do not work, but the jog dial does, recheck the interface dial connector connection