LEMON Manuals: Even more car manuals for everyone: 1960-2025
Home >> Acura >> 2010 >> TSX 3.5 4 >> Repair and Diagnosis >> Accessories & Equipment >> Memory Modules >> Driver Position Memory System (DPMS) (V6) >> Circuit Diagram
April 5, 2026: LEMON Manuals is launched! Read the announcement.

Circuit Diagram

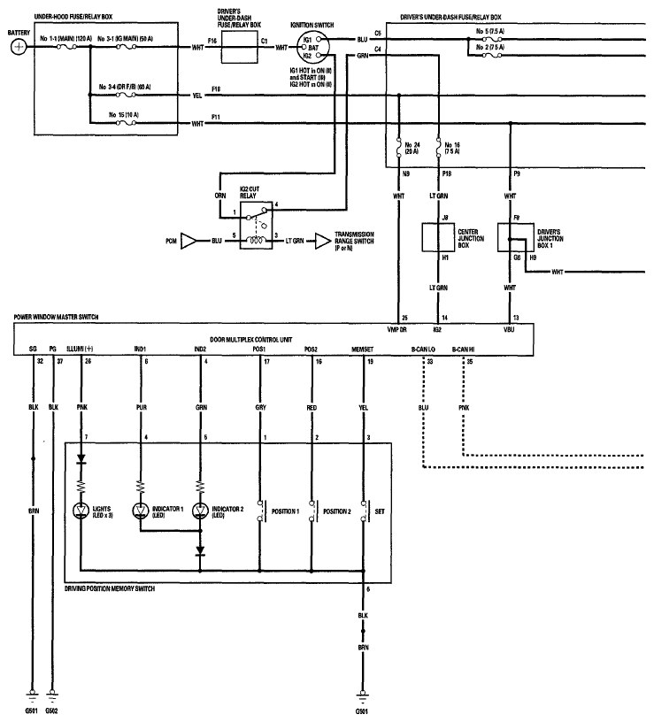
Fig 1: Driving Position Memory System Circuit Diagram (1 Of 4)
G06427815
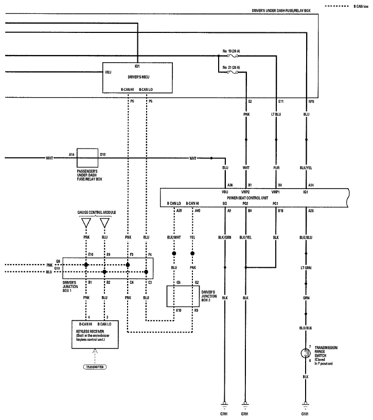
Fig 2: Driving Position Memory System Circuit Diagram (2 Of 4)
G06427816
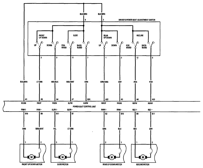
Fig 3: Driving Position Memory System Circuit Diagram (3 Of 4)
G06427817
Fig 4: Driving Position Memory System Circuit Diagram (4 Of 4)
G06427818