LEMON Manuals: Even more car manuals for everyone: 1960-2025
Home >> Acura >> 2010 >> ZDX V6-3.7L >> Repair and Diagnosis >> Diagrams >> Electrical Diagrams >> Diagrams By Number >> Diagram Set 143 (DPMS) Driving Position Memory System
April 5, 2026: LEMON Manuals is launched! Read the announcement.

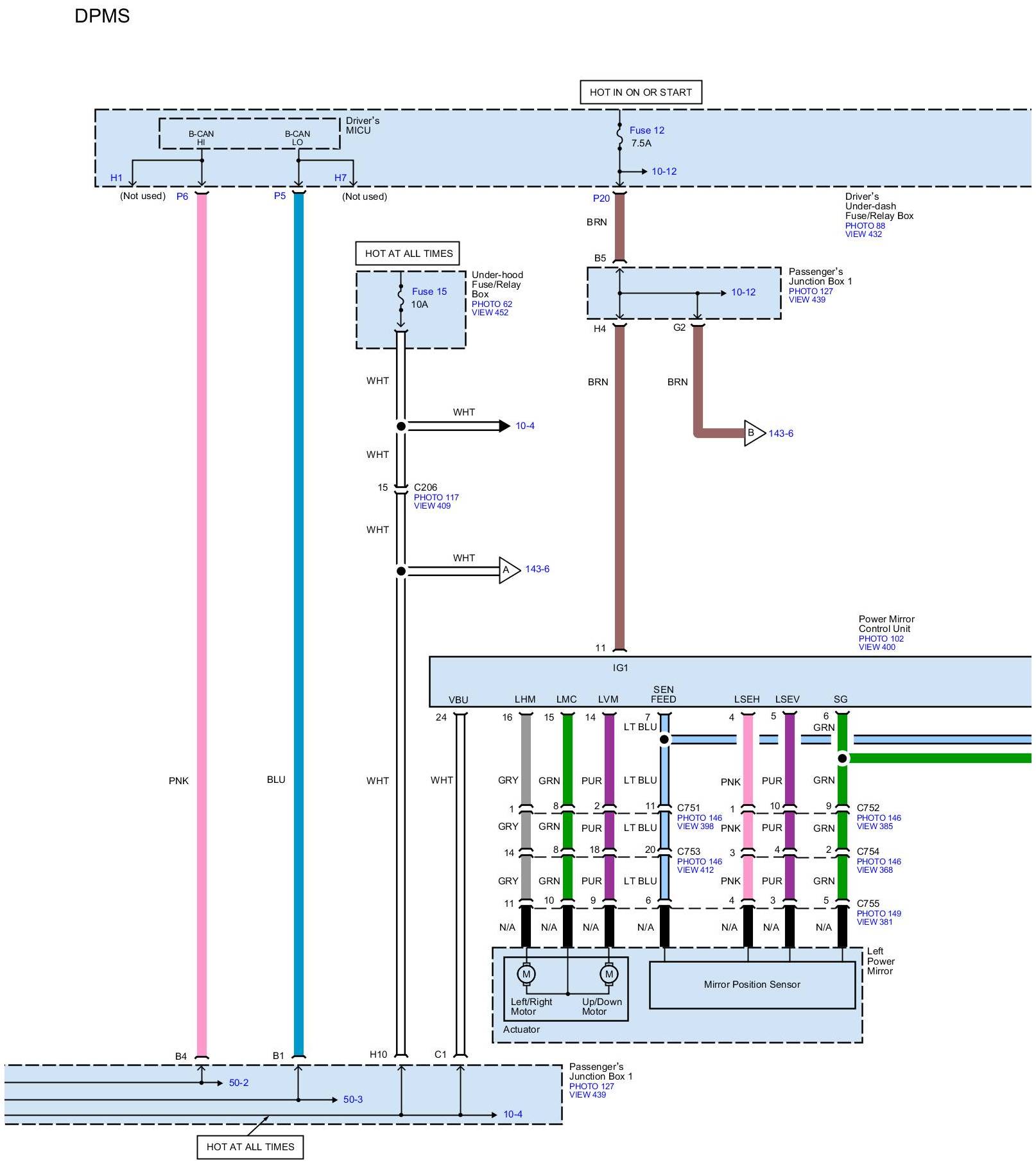
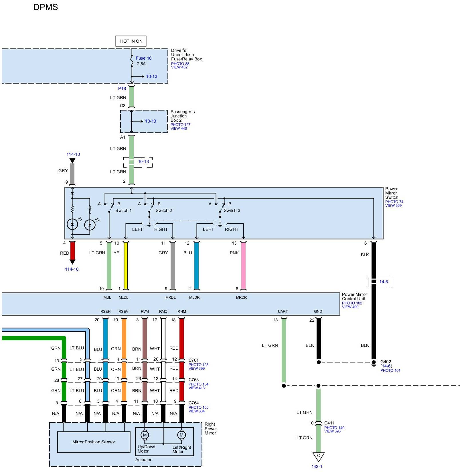
Diagram Set 143 (DPMS) Driving Position Memory System




































Locations: Location photographs (references to PHOTOS) referred to within these diagrams can be found at Locations by Photo Number. Component Locations

Connector Views: Connector terminal views (references to VIEWS) referred to within these diagrams can be found at Connector Views by View Number. Connector Views By View Number