LEMON Manuals: Even more car manuals for everyone: 1960-2025
Home >> Acura >> 2012 >> MDX >> Repair and Diagnosis >> Engine Performance >> System >> PGM-FI System >> PCM Replacement
April 5, 2026: LEMON Manuals is launched! Read the announcement.

PCM Replacement

Special Tools Required 

Any one of the above updating tools can be used.

NOTE:
  • Make sure the HDS/iN workstation or the MVCI has the latest HDS software version.
  • If you are replacing the PCM after substituting a known-good PCM, reinstall the original PCM, then do this procedure.
  • During the procedure, if any READ DATA, WRITE DATA, or other data checks fail, note the failure, then continue.
  1. Connect the HDS to the data link connector (DLC) (A) located under the driver's side of the dashboard.
    Fig 1: Identifying Data Link Connector
    G08057183Courtesy of AMERICAN HONDA MOTOR CO., INC.
  2. Turn the ignition switch to ON (II).
  3. Make sure the HDS communicates with the PCM and other vehicle systems. If it doesn't, go to the DLC CIRCUIT TROUBLESHOOTING  . If you are returning from DLC circuit troubleshooting, skip steps 4 through  9,  20 through  26, and  29 through  31, and do this after replacing the PCM;
  4. Select the PGM-FI system with the HDS.
  5. Select the INSPECTION MENU with the HDS.
  6. Select the ETCS TEST, then select the TP POSITION CHECK, and follow the screen prompts.
    NOTE: If the TP POSITION CHECK indicates FAILED, continue with this procedure.
  7. Select the REPLACE PCM MENU, then select READ DATA and follow the screen prompts.
    NOTE:
    • Doing this step copies (READS) the engine oil life data from the original PCM so you can later download (WRITES) it into the new PCM.
    • If the READ DATA indicates FAILED, continue with this procedure.
  8. Select the A/T system with the HDS.
  9. Select the REPLACE TCM/PCM MENU, then select READ DATA and follow the screen prompts.
    NOTE:
    • Doing this step copies (READS) the ATF life data from the original PCM so you can later download (WRITES) it into the new PCM.
    • If the READ DATA indicates FAILED, continue with this procedure.
  10. Turn the ignition switch to LOCK (0).
  11. Jump the SCS line with the HDS.
  12. Remove the auxiliary under-hood fuse/relay box (A) from the stay (B), then remove the bolt (C).
    Fig 2: Identifying Auxiliary Under-Hood Fuse/Relay Box, Stay And Bolt
    G08057184Courtesy of AMERICAN HONDA MOTOR CO., INC.
  13. Remove the bracket (D), then free the A/C discharge line (E) from the clip (F) and remove the A/C suction line mounting bracket bolt (G).

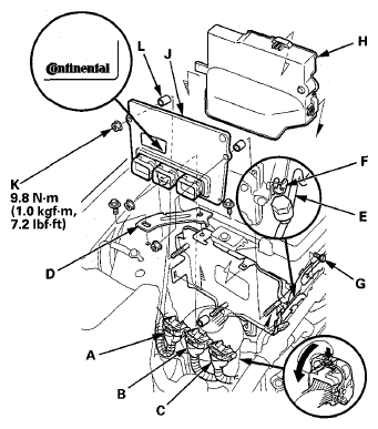
    Keihin PCM 

    Fig 3: Identifying A/C Discharge Line, A/C Suction Line Mounting Bracket Bolt And Clip (Keihin PCM)
    G08057185Courtesy of AMERICAN HONDA MOTOR CO., INC.

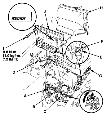
    Continental PCM 

    Fig 4: Identifying A/C Discharge Line, A/C Suction Line Mounting Bracket Bolt And Clip (Continental PCM)
    G08057186Courtesy of AMERICAN HONDA MOTOR CO., INC.
  14. Remove the cover (H), then disconnect PCM connectors A, B, and C.
    NOTE: PCM connectors A, B, and C have symbols (A=□, B=Δ , C=◦) embossed on them for identification.
  15. Keihin PCM: Remove the bolts (I), then remove the PCM (J).
  16. Continental PCM: Remove the nuts (K), then remove the PCM (J).
  17. Continental PCM: Remove the spacers (L).
  18. Install the parts in the reverse order of removal.
  19. Turn the ignition switch to ON (II).
  20. Manually input the VIN to the PCM with the HDS.
    NOTE: DTC P0630 VIN Not Programmed or Mismatch may be stored because the VIN has not been programmed into the PCM; ignore it, and continue this procedure.
  21. If the READ DATA (engine oil life) failed in step  7, go to step  24. Otherwise, go to step 22.
  22. Select the PGM-FI system with the HDS.
  23. Select the REPLACE PCM MENU, then select WRITE DATA and follow the screen prompts.
    NOTE: If the WRITE DATA indicates FAILED, continue with this procedure.
  24. If the READ DATA (ATF life) failed in step  9, go to step  27. Otherwise go to step 25.
  25. Select the A/T SYSTEM with the HDS.
  26. Select the REPLACE TCM/PCM MENU, then select WRITE DATA and follow the screen prompts.
    NOTE: If the WRITE DATA indicates FAILED, continue with this procedure.
  27. Select IMMOBI SYSTEM with the HDS.
  28. Enter the immobilizer PCM code that you got from the iN, and use the PCM replacement procedure in the IMMOBI MENU of the HDS; it allows you to start the engine.
  29. If the TP POSITION CHECK failed in step  6, clean the throttle body (see THROTTLE BODY TEST ), then go to step 30.
  30. If the READ DATA failed in step  7 or the WRITE DATA failed in step  23, replace the engine oil (see OIL PRESSURE TEST ) and engine oil filter (see ENGINE OIL FILTER REPLACEMENT ), then go to step 31.
  31. If the READ DATA failed in step  9 or the WRITE DATA failed in step  26, replace the ATF (see ATF REPLACEMENT ), then go to step 32.
  32. Select PGM-FI system and reset the PCM with the HDS.
  33. Update the PCM if it does not have the latest software (see PCM UPDATE  ).
  34. Do the PCM idle learn procedure (see PCM IDLE LEARN PROCEDURE ).
  35. Do the CKP pattern clear/CKP pattern learn procedure (see HDS CLEAR COMMAND ).