LEMON Manuals: Even more car manuals for everyone: 1960-2025
Home >> Acura >> 2012 >> RDX AWD L4-2.3L Turbo >> Repair and Diagnosis >> Body and Frame >> Mirrors >> Memory Positioning Systems >> Testing and Inspection >> Initial Inspection and Diagnostic Overview >> How to Troubleshoot the Driving Position Memory System (DPMS)
April 5, 2026: LEMON Manuals is launched! Read the announcement.

How to Troubleshoot the Driving Position Memory System (DPMS)




How to Troubleshoot the Driving Position Memory System (DPMS)

Using the HDS (preferred method)

1. Go to B-CAN System Diagnostic Test Mode A to check for "Connected Units" and DTCs Troubleshooting - B-CAN System Diagnosis Test Mode A.

2. If no DTCs are retrieved, go to B-CAN System Diagnosis Test Mode C Troubleshooting - B-CAN System Diagnosis Test Mode C or Test Mode D Troubleshooting - B-CAN System Diagnosis Test Mode D.

Without the HDS (use only if HDS is not available)

The self-diagnostic function of the driving position memory system detects system problems. If a system problem is detected, the buzzer built into the power seat control unit sounds for 5 seconds. This information can be retrieved through the driving position memory switch indicators.

Displaying the Diagnostic Trouble Code (DTC)

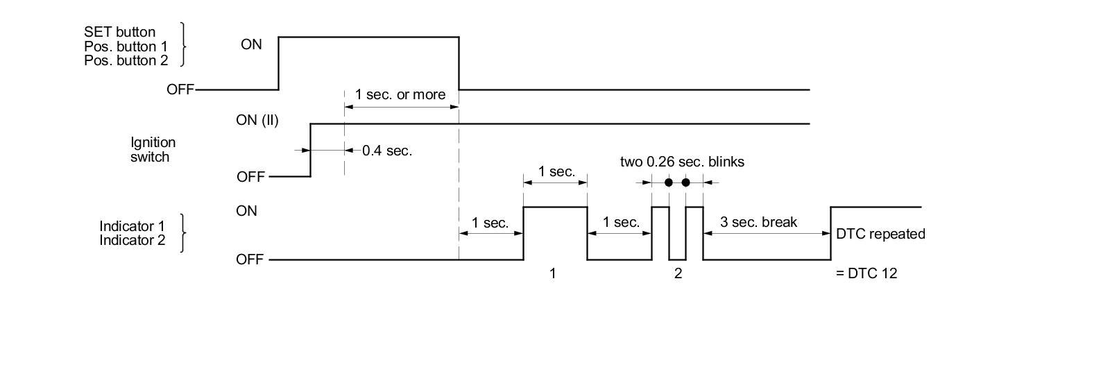
1. Turn the ignition switch to LOCK (0) and move the seat to a non-memorized position.

2. Press and hold the SET button (A) and both position buttons (B) at the same time.





3. Turn the ignition switch to ON (II), and wait at least 1 second, then release the three buttons.

4. After 1 second, the position button indicators (C) will blink to show the DTC.

DTC Indications

No System Problem

If there is no DTC stored, the indicators blink only once (3 seconds).






System Problem

If a system problem occurs and a DTC is stored, the indicators will show the DTC. The first digit is indicated by the number of long (1 second) blinks, and the second digit is indicated by the number of short (0.26 second) blinks. There is a 3 second break between each DTC when there are multiple DTCs.






Canceling the DTC Indication

- Turn the ignition switch to LOCK (0).
- Press the SET button, or position button 1, or position button 2.
- Press one of the seat adjustment switches.

Erasing the DTC from Memory

Turn the ignition switch to LOCK (0). Raise the front and rear of the driver's seat to the highest position. Disconnect the gray driver's seat wire harness connector C701 (28P) from the SRS wire harness. Wait one minute and then plug them back in.

Erasing the Driving Position from Memory

1. Press and hold all three driving position memory switch buttons.

2. Turn the ignition switch to ON (II).

3. Continue to hold all three driving position memory switches for more than 5 seconds, and release them in less than 10 seconds.

4. The buzzer in the power seat control unit will sound for 500 ms to confirm that all driving position data is erased.

DTC Index (Without HDS)