LEMON Manuals: Even more car manuals for everyone: 1960-2025
Home >> Acura >> 2012 >> RL >> Repair and Diagnosis >> Steering >> Power Steering >> Power Steering System >> Steering Gearbox Overhaul >> Exploded View
April 5, 2026: LEMON Manuals is launched! Read the announcement.

Exploded View

Fig 1: Exploded View Of Steering Gearbox Components With Torque Specifications
G07363073Courtesy of AMERICAN HONDA MOTOR CO., INC.

Special Tools Required 

NOTE: Refer to the EXPLODED VIEW  as needed during this procedure.

Disassembly 

  1. Remove the steering gearbox (see STEERING GEARBOX REMOVAL  ).
  2. Remove the boot bands (A) and tie-rod clips (B). Pull the boot away from the ends of the steering gearbox.
    Fig 2: Removing Boot Bands And Tie-Rod Clips
    G07363074Courtesy of AMERICAN HONDA MOTOR CO., INC.
  3. Unbend the lock washer (A).
    Fig 3: Identifying Lock Washer
    G07363075Courtesy of AMERICAN HONDA MOTOR CO., INC.
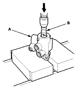
  4. Hold the flat surface sections (A) of the steering rack with a wrench (B), and unscrew both rack ends (C) with another wrench (D). Be careful not to damage the rack surface with the wrench.
    Fig 4: Holding Flat Surface Sections Of Steering Rack With Wrench
    G07363076Courtesy of AMERICAN HONDA MOTOR CO., INC.
  5. Remove the lock washer (E) and rubber stop (F).
  6. Loosen the locknut (A), then remove the rack guide screw (B).
    Fig 5: Removing Rack Guide Screw
    G07363077Courtesy of AMERICAN HONDA MOTOR CO., INC.
  7. Remove the spring (C) and the rack guide (D) from the gearbox housing.
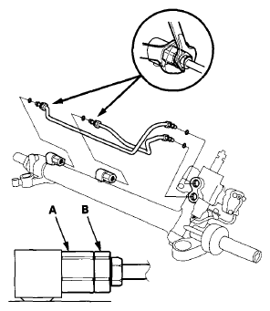
  8. Remove the cylinder lines from the steering gearbox.
    NOTE: Use a second wrench when loosening the cylinder lines to avoid damaging to the fittings on the steering gearbox. Do not loosen the A and B connectors.
    Fig 6: Removing Cylinder Lines From Steering Gearbox
    G07363078Courtesy of AMERICAN HONDA MOTOR CO., INC.
  9. Drain the fluid from the cylinder fittings by slowly moving the steering rack back and forth.
  10. Remove the ECPS valve (A) and O-rings (B), then remove the connector holder mounting bolt (C) on the valve housing.
    Fig 7: Removing ECPS Valve And O-Rings
    G07363079Courtesy of AMERICAN HONDA MOTOR CO., INC.
  11. Drill a 4.0 mm (0.158 in) diameter hole about 2.5-3.0 mm (0.098-0.118 in) in depth in the staked point (A) on the end plug (B) and the gearbox housing (C).
    Fig 8: Drilling Hole In Depth In Staked Point On End Plug And Gearbox Housing
    G07363080Courtesy of AMERICAN HONDA MOTOR CO., INC.
  12. Remove the end plug (A) from the gearbox housing, then remove a pinion nut (B) from the pinion shaft end.
    Fig 9: Removing End Plug From Gearbox Housing
    G07363081Courtesy of AMERICAN HONDA MOTOR CO., INC.
  13. Remove the flange bolt, the valve body unit (A), and the gasket (B) from the gearbox housing. Check that the valve turns smoothly by turning the pinion shaft. If any play or roughness is felt, replace the valve body unit with a new part.
    Fig 10: Removing Flange Bolt, Valve Body Unit And Gasket From Gearbox Housing
    G07363082Courtesy of AMERICAN HONDA MOTOR CO., INC.
  14. Slide the steering rack all the way to the left.
  15. Wrap vinyl tape (A) to the splines on the pinion shaft.
    Fig 11: Sliding Steering Rack
    G07363083Courtesy of AMERICAN HONDA MOTOR CO., INC.
  16. Separate the valve housing (A) from the pinion shaft/sleeve (B), then remove the pinion oil seal (C).
    Fig 12: Separating Valve Housing From Pinion Shaft/Sleeve
    G07363084Courtesy of AMERICAN HONDA MOTOR CO., INC.
  17. Drill a 3.0 mm (0.118 in) diameter hole about 2.5-3.0 mm (0.098-0.118 in) in depth in the staked point (A) on the cylinder (C). Do not allow metal shavings to enter the cylinder housing. After removing the cylinder end (B), remove any burrs at the staked point.
    Fig 13: Drilling Hole In Depth In Staked Point On Cylinder
    G07363085Courtesy of AMERICAN HONDA MOTOR CO., INC.
  18. Hold the gearbox housing using a C-clamp (commercially available) (A) and wooden blocks (B) to a work bench as shown. Do not clamp the cylinder part of the gearbox housing in the vise. Then remove the cylinder end (C).
    Fig 14: Holding Gearbox Housing Using C-Clamp
    G07363086Courtesy of AMERICAN HONDA MOTOR CO., INC.
  19. Install a commercially available bearing separator (A) in the gearbox housing as shown.
    Fig 15: Installing Bearing Separator In Gearbox Housing
    G07363087Courtesy of AMERICAN HONDA MOTOR CO., INC.
  20. Place an appropriate size extension (B) on the steering rack (C).
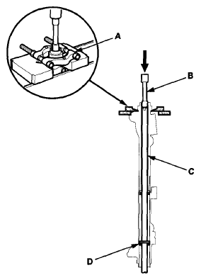
  21. Set the steering gearbox in a press so the gearbox housing side points upward, then press the cylinder end seal (D) and steering rack out of the gearbox. Hold the steering rack to keep it from falling when pressed clear. Be careful not to damage the inner surface of the cylinder housing with the tool.
  22. Install the cylinder end seal remover attachment (A) so it will fit through the rack guide hole of the gearbox housing. Insert a 24" long, 3/8" drive extension (B), and install it on the cylinder end seal remover attachment. Make sure the cylinder end seal remover attachment is securely positioned on the backup ring edges. Be careful not to damage the inner surface of the cylinder with the cylinder end seal remover attachment.
    Fig 16: Installing Cylinder End Seal Remover Attachment
    G07363088Courtesy of AMERICAN HONDA MOTOR CO., INC.
  23. Place the steering gearbox in a press, then remove the cylinder end seal (A) and backup ring (B) from the gearbox by pressing on the 24" long, 3/8" drive extension.

    Note these items when pressing the cylinder end seal:

    • Keep the tool straight to avoid damaging the cylinder wall. Check the tool angle, and correct it if necessary, when removing the cylinder end seal.
    • Use a press to remove the cylinder end seal. Do not try to remove the seal by striking the tool; striking the tool could break the backup ring, and the cylinder end seal would remain in the gearbox housing.
      Fig 17: Removing Cylinder End Seal And Backup Ring From Gearbox
      G07363089Courtesy of AMERICAN HONDA MOTOR CO., INC.
  24. Carefully pry the piston seal ring (A) and the O-ring (B) off the rack piston. Be careful not to damage the inside of the seal ring groove and piston edges when removing the seal ring.
    Fig 18: Prying Piston Seal Ring And O-Ring
    G07363090Courtesy of AMERICAN HONDA MOTOR CO., INC.

    Reassembly 

  25. Coat the piston seal ring guide with power steering fluid, then slide it onto the rack, big end first.
  26. Position a new O-ring (A) and a new piston seal ring (B) on the piston seal ring guide, then slide them down toward the big end of the tool.

    Note these items during reassembly:

    • Do not over expand the resin seal rings. Install the resin seal rings with care so as not to damage them. After installation, make sure you contract the seal ring using the piston seal ring guide.
    • Replace the piston's O-ring and seal ring as a set.
      Fig 19: Positioning O-Ring And Piston Seal Ring On Piston Seal Ring Guide
      G07363091Courtesy of AMERICAN HONDA MOTOR CO., INC.
  27. Pull the O-ring off into the piston groove, then pull the piston seal ring off into the piston groove on top of the O-ring.
  28. Coat the piston seal ring (A) and the inside of the piston seal ring sizing tool with power steering fluid, then carefully slide the tool onto the rack and over the piston seal ring.
    Fig 20: Coating Piston Seal Ring
    G07363092Courtesy of AMERICAN HONDA MOTOR CO., INC.
  29. Move the piston seal ring sizing tool back and forth several times to make sure the piston seal ring fits snugly in the piston.
  30. Coat the sliding surface of the cylinder end seal slider (A) and the new cylinder end seal (B) with power steering fluid. Place the seal on the cylinder end seal slider with its grooved side (C) facing opposite the cylinder end seal slider.
    Fig 21: Placing Seal On Cylinder End Seal Slider
    G07363093Courtesy of AMERICAN HONDA MOTOR CO., INC.
  31. Coat the surface of the steering rack (A) with power steering fluid.
    Fig 22: Coating Surface Of Steering Rack With Power Steering Fluid
    G07363094Courtesy of AMERICAN HONDA MOTOR CO., INC.
  32. Install the cylinder end seal (B) onto the steering rack with its grooved side (C) toward the piston (D).
  33. Separate the cylinder end seal from the cylinder end seal slider, then remove the cylinder end seal slider.
  34. Install a new backup ring (A) on the steering rack, then place the backup ring and the cylinder end seal (B) against the piston (C).
    Fig 23: Installing Backup Ring On Steering Rack
    G07363095Courtesy of AMERICAN HONDA MOTOR CO., INC.
  35. Apply steering grease (08C35-B0534L) to the steering rack teeth, then insert the steering rack into the gearbox housing. Be careful not to damage the inner surface of the cylinder wall with the rack edges.
    Fig 24: Applying Steering Grease (08C35-B0534L) To Steering Rack Teeth
    G07363096Courtesy of AMERICAN HONDA MOTOR CO., INC.
  36. Insert an appropriate size deep socket (A) onto the steering rack as shown.
    Fig 25: Inserting Deep Socket Onto Steering Rack
    G07363097Courtesy of AMERICAN HONDA MOTOR CO., INC.
  37. Install the cylinder end seal (B) into the bottom of the cylinder by pressing on the tool with a press. Do not push on the tool with excessive force as it may damage the cylinder end seal.
  38. Remove the tool, and center the steering rack.
  39. Coat the sliding surface of the cylinder end seal slider (A) and a new cylinder end seal (B) with power steering fluid. Place the seal on the cylinder end seal slider with its grooved side (C) facing opposite the cylinder end seal slider.
    Fig 26: Installing Cylinder End Seal Into Bottom Of Cylinder
    G07363098Courtesy of AMERICAN HONDA MOTOR CO., INC.
  40. Coat the inside surface of the cylinder end seal slider and steering rack with power steering fluid, then install the cylinder end seal (A) onto the steering rack with its grooved side toward the cylinder.
    Fig 27: Installing Cylinder End Seal Onto Steering Rack
    G07363099Courtesy of AMERICAN HONDA MOTOR CO., INC.
  41. Separate the cylinder end seal from the cylinder end seal slider, then remove the cylinder end seal slider.
  42. Push in the cylinder end seal with your finger. Be careful not to damage the face of the seal with the threads and burrs at the staked position of the cylinder housing.
  43. Hold the gearbox housing using a C-clamp (commercially available) (A) and wooden blocks (B) as shown. Do not clamp the cylinder part of the gearbox housing in the vise.
    Fig 28: Holding Gearbox Housing Using C-Clamp
    G07363100Courtesy of AMERICAN HONDA MOTOR CO., INC.
  44. Coat the inside surface of the cylinder end (A) with power steering fluid, then install the cylinder end by screwing it into the cylinder (B). Tighten the cylinder end to the specified torque.
    Fig 29: Installing Cylinder End Into Cylinder With Torque Specifications
    G07363101Courtesy of AMERICAN HONDA MOTOR CO., INC.
  45. Stake (C) the point of the cylinder shown (opposite from where the stake was removed during disassembly).
  46. Wrap vinyl tape (A) to the pinion shaft/sleeve, then coat the vinyl tape with power steering fluid.
    Fig 30: Wrapping Vinyl Tape To Pinion Shaft/Sleeve
    G07363102Courtesy of AMERICAN HONDA MOTOR CO., INC.
  47. Insert the pinion shaft/sleeve and a new pinion oil seal (B) into the valve housing (C). Be careful not to damage the valve seal rings (D).
  48. Remove the vinyl tape from the pinion shaft, then remove any residue from the tape adhesive.
  49. Press the pinion shaft/sleeve into the valve housing with a hydraulic press. Check that the pinion shaft/sleeve turns smoothly by hand after installing it.
    Fig 31: Pressing Pinion Shaft/Sleeve Into Valve Housing With Hydraulic Press
    G07363103Courtesy of AMERICAN HONDA MOTOR CO., INC.
  50. Apply steering grease (08C35-B0534L) to the bearing (A) in the gearbox housing, and install the valve body unit (B) and a new gasket (C) by engaging the gears. Note the valve body unit installation position (direction of line connections). Then loosely install the flange bolt (D).
    Fig 32: Installing Valve Body Unit And Gasket With Torque Specifications
    G07363104Courtesy of AMERICAN HONDA MOTOR CO., INC.
  51. Coat new O-rings (A) with power steering fluid, then install the O-rings and the ECPS valve motor (B).
    Fig 33: Installing O-Rings And ECPS Valve Motor With Torque Specifications
    G07363105Courtesy of AMERICAN HONDA MOTOR CO., INC.
  52. Loosely install the flange bolt (C).
  53. Install a new pinion nut (A) onto the pinion shaft end, and tighten to the specified torque.
    Fig 34: Installing Pinion Nut Onto Pinion Shaft End With Torque Specifications
    G07363106Courtesy of AMERICAN HONDA MOTOR CO., INC.
  54. Tighten the flange bolts on the valve body unit to the specified torque.
  55. Remove the old sealant from the gearbox housing (B), and apply new sealant (Three Bond 1215 or Loctite 5699) all the way around the threads on a new end plug (C). Install the end plug onto the gearbox housing, then tighten it to the specified torque.
    NOTE: If more than 5 minutes has passed after applying the sealant, remove the old sealant and residue, and reapply new sealant.
  56. After tightening, use a drift to stake (A) the end plug shoulder against the gearbox housing.
    Fig 35: Staking End Plug Shoulder Against Gearbox Housing
    G07363107Courtesy of AMERICAN HONDA MOTOR CO., INC.
  57. Before installing the cylinder lines, coat new O-rings (A) with power steering fluid, then install the lines (B).

    Note these items during reassembly:

    • Thoroughly clean the joints of the cylinder lines. The joints must be free of foreign material.
    • Install the cylinder lines by tightening the flare nuts by hand first, then tighten the flare nuts to the specified torque.
      NOTE: Use a second wrench when tightening the cylinder lines to avoid damaging the fittings on the steering gearbox.
      Fig 36: Installing Cylinder Lines With Torque Specifications
      G07363108Courtesy of AMERICAN HONDA MOTOR CO., INC.
  58. Apply steering grease (08C35-B0534L) to the sliding surface of the rack guide (A), and install it onto the gearbox housing.
    Fig 37: Applying Steering Grease (08C35-B0534L) To Sliding Surface Of Rack Guide
    G07363109Courtesy of AMERICAN HONDA MOTOR CO., INC.
  59. Remove the old sealant from the rack guide screw (B), and apply new sealant (Three Bond 1215 or Loctite 5699) to the middle of the threads of the rack guide screw, then install the spring (C), the rack guide screw, and the locknut (D).
    NOTE: If more than 5 minutes has passed after applying the sealant, remove the old sealant and residue, and reapply new sealant.
  60. Adjust the rack guide screw (see RACK GUIDE ADJUSTMENT  ). After adjusting, check that the rack moves smoothly by sliding it right and left.
  61. Install a new rubber stop (A) and a new lock washer (B). Align the lock washer tabs (C) with the slots (D) on the rack end (E) while holding the lock washer in place. Repeat this step for the other side of the rack.
    Fig 38: Aligning Lock Washer Tabs With Slots On Rack End With Torque Specifications
    G07363110Courtesy of AMERICAN HONDA MOTOR CO., INC.
  62. Hold the fiat surface sections of the steering rack with a wrench, and tighten both rack ends with another wrench. Be careful not to damage the rack surface with the wrench.
  63. Bend the lock washer (A) back against the flat spots on the rack end joint housing.
    Fig 39: Bending Lock Washer Back
    G07363111Courtesy of AMERICAN HONDA MOTOR CO., INC.
  64. Apply multipurpose grease to the circumference of the rack end joint housing (A).
    Fig 40: Applying Multipurpose Grease To Circumference Of Rack End Joint Housing
    G07363112Courtesy of AMERICAN HONDA MOTOR CO., INC.
  65. Apply a light coat of silicone grease (P/N 08798-9013) to the boot grooves (B) on the rack ends.
    NOTE: Make sure not to get any silicone grease on the terminal part of the connectors, especially if you have silicone grease on your hands or gloves.
  66. Center the steering rack within its stroke.
  67. Clean oft any grease or contamination from the boot installation grooves (A) and around on the gearbox housing. Install the boots (B) on the rack ends with the tie-rod clips (C), and fit the boot end in the installation grooves in the housing properly.
    Fig 41: Installing Boots On Rack Ends With Tie-Rod Clips
    G07363113Courtesy of AMERICAN HONDA MOTOR CO., INC.
  68. After installing the boots, wipe the grease off the threaded section (D) of the rack end.
  69. Install new boot bands (A) by aligning the tabs (B) with the holes (C) on the band.
    Fig 42: Installing New Boot Bands By Aligning Tabs
    G07363114Courtesy of AMERICAN HONDA MOTOR CO., INC.
  70. Close the ear portion (A) of the boot band (B) with pincers Oetiker 1098, commercially available or equivalent (C).
    Fig 43: Identifying Ear Portion Of Boot Band
    G07363115Courtesy of AMERICAN HONDA MOTOR CO., INC.
  71. Slide the rack right and left to be certain that the boots are not deformed or twisted.
  72. Install the tie-rod end to the rack end.
  73. Install the steering gearbox (see STEERING GEARBOX INSTALLATION  ).