LEMON Manuals: Even more car manuals for everyone: 1960-2025
Home >> Acura >> 2012 >> RL >> Repair and Diagnosis >> Transmission >> Automatic Trans >> Automatic Transmission >> Shift Cable Replacement
April 5, 2026: LEMON Manuals is launched! Read the announcement.

Shift Cable Replacement

  1. Remove the center console (see CENTER CONSOLE REMOVAL/INSTALLATION ).
  2. Shift the shift lever to R.
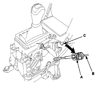
  3. Remove the nut (A) securing the shift cable end (B).
    Fig 1: Removing Nut Securing Shift Cable End
    G07362457Courtesy of AMERICAN HONDA MOTOR CO., INC.
  4. Unlock the retainer (A).
    Fig 2: Identifying Retainer
    G07362458Courtesy of AMERICAN HONDA MOTOR CO., INC.
  5. Rotate the socket holder retainer (A) counterclockwise (B) until it stops, and push in the retainer (C) to lock it.
    Fig 3: Identifying Socket Holder Retainer
    G07362459Courtesy of AMERICAN HONDA MOTOR CO., INC.
  6. Push the socket holder retainer (A) forward, then slide it to remove the shift cable (B) from the shift lever bracket (C).
    Fig 4: Removing Shift Cable From Shift Lever Bracket
    G07362460Courtesy of AMERICAN HONDA MOTOR CO., INC.
  7. Remove the air cleaner (see AIR CLEANER REMOVAL/INSTALLATION ).
  8. Remove the bolts (A) and clamp (B) securing the under-hood fuse/relay box.
    Fig 5: Removing Bolts And Clamp Securing Under-Hood Fuse/Relay Box With Torque Specifications
    G07362461Courtesy of AMERICAN HONDA MOTOR CO., INC.
  9. Remove the spring clip (A) and control pin (B), then separate the shift cable end (C) from the control lever (D).
    Fig 6: Separating Shift Cable End From Control Lever
    G07362462Courtesy of AMERICAN HONDA MOTOR CO., INC.
  10. Remove the nuts (A) securing the shift cable bracket (B).
    Fig 7: Removing Nuts Securing Shift Cable Bracket
    G07362463Courtesy of AMERICAN HONDA MOTOR CO., INC.
  11. Remove the shift cable bracket from the steering gearbox stiffener.
    Fig 8: Removing Shift Cable Bracket From Steering Gearbox Stiffener With Torque Specifications
    G07362464Courtesy of AMERICAN HONDA MOTOR CO., INC.
  12. Remove the propeller shaft (see PROPELLER SHAFT RUNOUT ).
  13. Loosen the bolts (A) and remove the bolts (B), then remove the heat shield (C).
    Fig 9: Removing Heat Shield With Torque Specifications
    G07362465Courtesy of AMERICAN HONDA MOTOR CO., INC.
  14. Remove the shift cable grommet (A), and pull out the shift cable (B).
    Fig 10: Removing Shift Cable Grommet
    G07362466Courtesy of AMERICAN HONDA MOTOR CO., INC.
  15. Insert the new shift cable through the grommet hole, and install the grommet in its hole. Do not bend the shift cable excessively.
  16. Install the heat shield.
  17. Install the propeller shaft (see PROPELLER SHAFT INSTALLATION ).
  18. Secure the shift cable bracket on the steering gearbox stiffener with the bolt.
  19. Install the shift cable bracket (A).
    Fig 11: Installing Shift Cable Bracket With Torque Specifications
    G07362467Courtesy of AMERICAN HONDA MOTOR CO., INC.
  20. Apply molybdenum grease to the hole in the bushing (A) in the shift cable end (B).
    Fig 12: Applying Molybdenum Grease To Hole In Bushing
    G07362468Courtesy of AMERICAN HONDA MOTOR CO., INC.
  21. Attach the shift cable end to the selector control lever (C), then insert the control pin (D) into the control lever hole through the shift cable end, and secure the control pin with the spring clip (E).
  22. Secure the under-hood fuse/relay box with the bolts.
  23. Install the air cleaner (see AIR CLEANER REMOVAL/INSTALLATION ).
  24. Install the shift cable on the shift lever bracket, and adjust the shift cable (see step  7 ).