LEMON Manuals: Even more car manuals for everyone: 1960-2025
Home >> Acura >> 2012 >> ZDX >> Repair and Diagnosis >> Body & Frame >> Seats >> Driver Position Memory System (DPMS) >> Circuit Diagram
April 5, 2026: LEMON Manuals is launched! Read the announcement.

Circuit Diagram

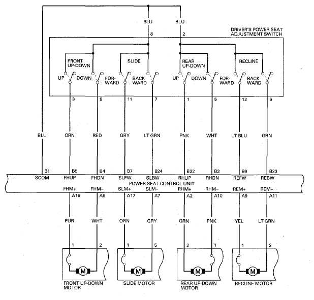
Fig 1: Driver Position Memory System Circuit Diagram (1 Of 4)
G08077009Courtesy of AMERICAN HONDA MOTOR CO., INC.
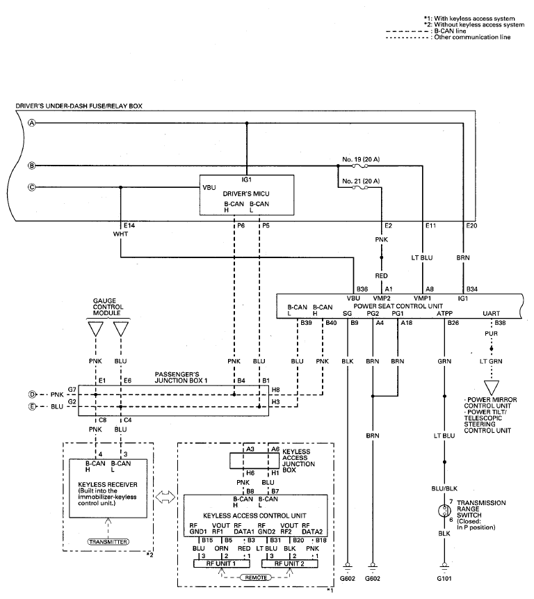
Fig 2: Driver Position Memory System Circuit Diagram (2 Of 4)
G08077010Courtesy of AMERICAN HONDA MOTOR CO., INC.
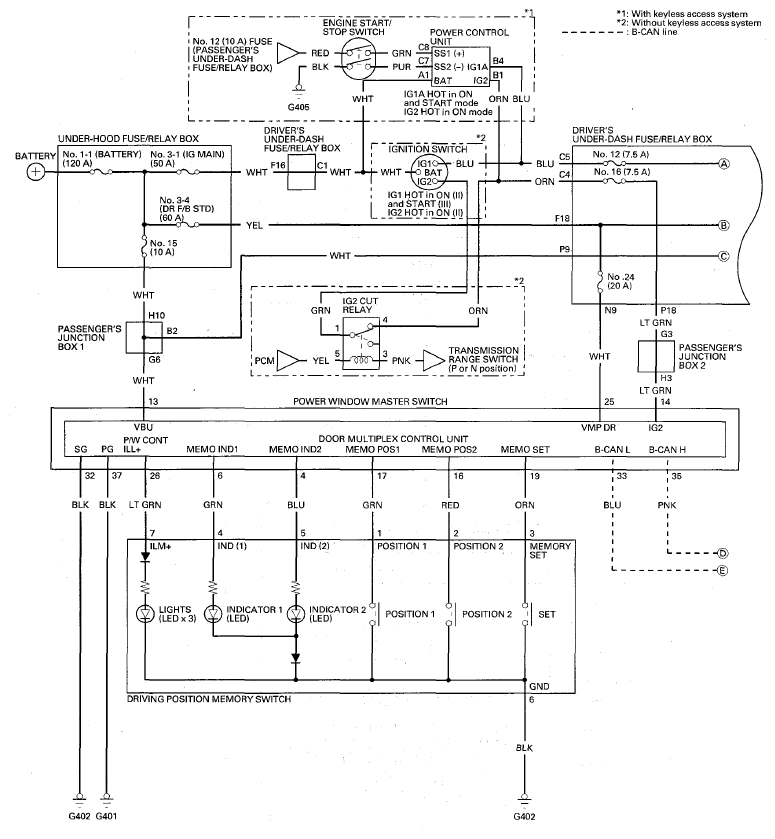
Fig 3: Driver Position Memory System Circuit Diagram (3 Of 4)
G08077011Courtesy of AMERICAN HONDA MOTOR CO., INC.
Fig 4: Driver Position Memory System Circuit Diagram (4 Of 4)
G08077012Courtesy of AMERICAN HONDA MOTOR CO., INC.