LEMON Manuals: Even more car manuals for everyone: 1960-2025
Home >> Acura >> 2021 >> RDX Base >> Repair and Diagnosis (Single Page) >> Accessories & Equipment >> Communication Devices >> Integrated Control Systems - Service, Testing And Troubleshooting >> Circuit Diagram >> Driving Position Memory System (DPMS) Circuit Diagram >> Power Mirror
April 5, 2026: LEMON Manuals is launched! Read the announcement.

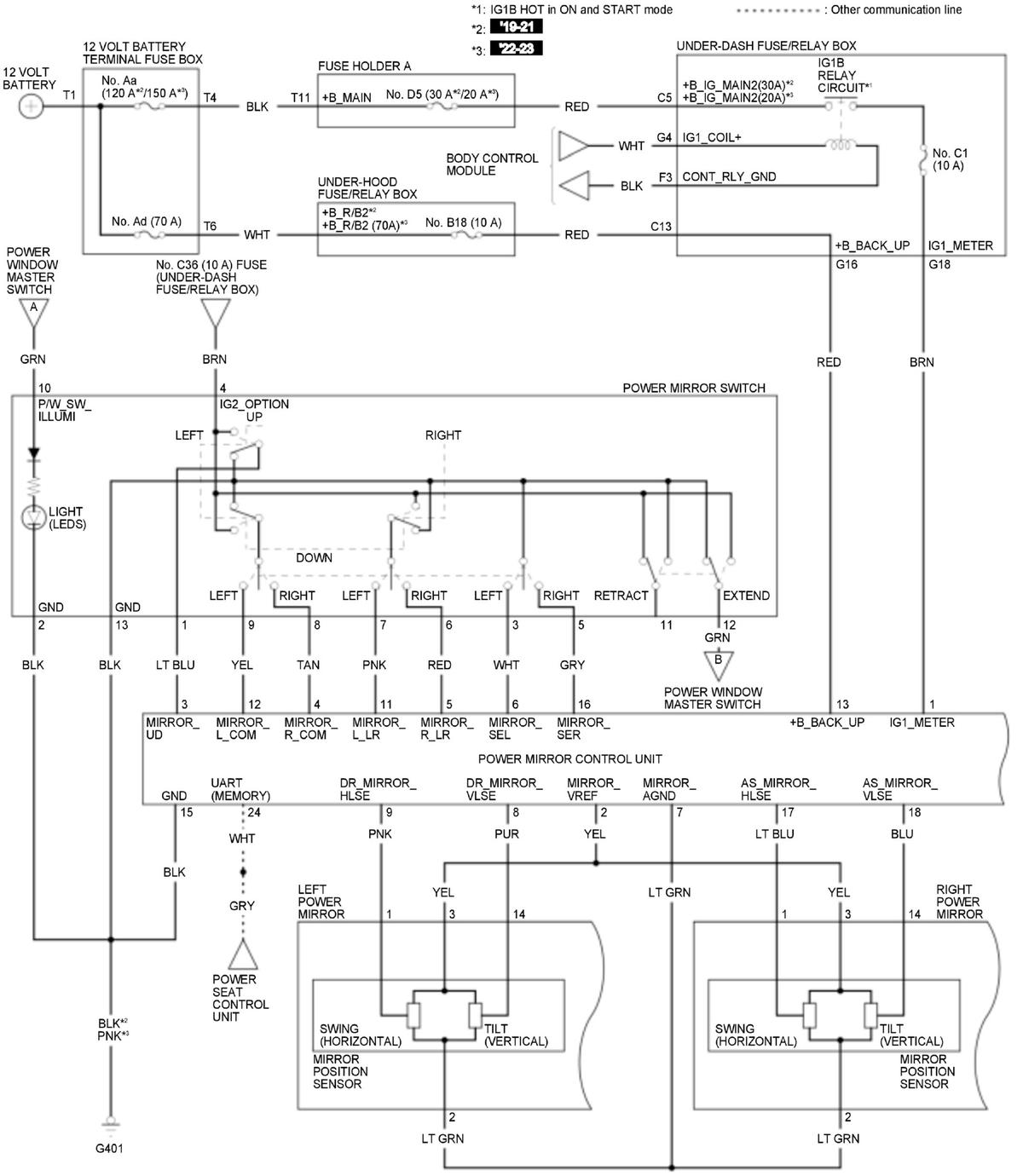
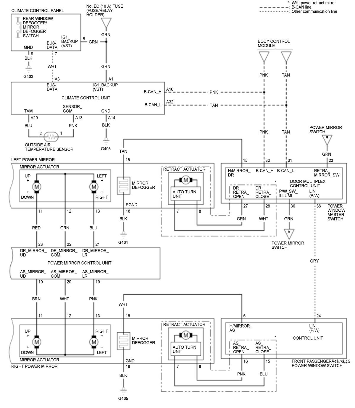
Power Mirror

GHH555624Courtesy of HONDA, U.S.A., INC.
GHH555625Courtesy of HONDA, U.S.A., INC.