LEMON Manuals: Even more car manuals for everyone: 1960-2025
Home >> Acura >> 2021 >> TLX Base >> Repair and Diagnosis >> Body & Frame >> Door Locks >> Security System / Keyless Entry System - Testing & Troubleshooting >> Test >> Engine Start/Stop Switch Test >> Test
April 5, 2026: LEMON Manuals is launched! Read the announcement.

Engine Start/Stop Switch Test: Test

How to use this manual .

  1. Engine Start/Stop Switch - Test

    Preconditions 

    Procedure/Specifications 

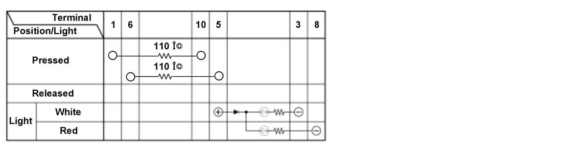
    • Check the switch according to the table. (Figure 1, 2, and 3)

      NOTICE: 

      • When an LED is located between terminals, check if the LED lights by connecting power and ground to the LED.
      • Note this important operating characteristic; diode bias causes a diode to fully conduct electricity in one direction (forward), while not at all in the opposite direction (reverse).

    Figure 1 

    GHH562682Courtesy of HONDA, U.S.A., INC.

    Switch (Figure 2) 

    GHH562683Courtesy of HONDA, U.S.A., INC.

    LF Antenna (Figure 3) 

    GHH562684Courtesy of HONDA, U.S.A., INC.

    Result 

    Switch or LF Antenna