LEMON Manuals: Even more car manuals for everyone: 1960-2025
Home >> Acura >> 2021 >> TLX Base >> Repair and Diagnosis >> Steering >> Power Steering >> Steering System - Service, Testing And Troubleshooting >> Description and Operation >> EPS System Description - Components
April 5, 2026: LEMON Manuals is launched! Read the announcement.

EPS System Description - Components

Components 

The EPS system mainly consists of the following parts:

The EPS control unit, the EPS motor, the torque sensor are combined into the steering gearbox.

For locations of each component on vehicle, refer to Component Location Index , and for functions of indicator, refer to How to Troubleshoot the EPS .

The EPS motor, EPS control unit, and torque sensor are built into the steering gearbox. The motor is an efficient three-phase DC brushless motor which rotates around the rack shaft, and transmits the assist force directly to the rack shaft. The motor provides the power assistance increased with a two-phase deceleration mechanism (based on the cogged belt and the ball screw mechanism) to the steering rack.

GHH562794Courtesy of HONDA, U.S.A., INC.

Torque Sensor 

The torque sensor uses the Hall IC method to detect steering torque and road surface reaction torque. The torque sensor is comprised of the input shaft, pinion shaft, torsion bar, and torque sensor unit.

GHH562795Courtesy of HONDA, U.S.A., INC.

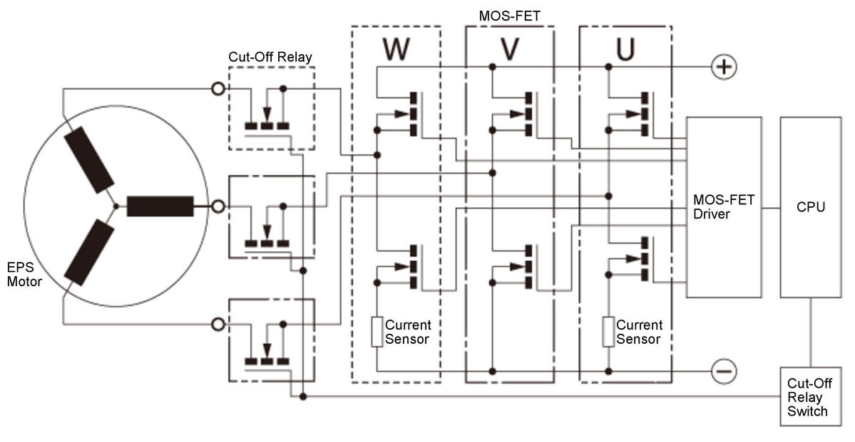
EPS Motor Control Circuit 

The EPS motor control circuit is composed of a system control CPU, MOS-FET (field-effect transistor) driver, MOS-FET, cut-off relay, cut-off relay switch, current sensor, and EPS motor. With the signal from the input sensor, the CPU calculates, and the duty cycle outputs the appropriate three-phase current for the FET driver. This operation is duty controlled.

GHH562796Courtesy of HONDA, U.S.A., INC.