LEMON Manuals: Even more car manuals for everyone: 1960-2025
Home >> Acura >> 2023 >> MDX Base >> Repair and Diagnosis >> Engine Performance >> System >> Engine Control System Advanced Diagnostics (P0113 - P0327) >> Advanced Diagnostics >> DTC Advanced Diagnostics: P00CF (3.0L Engine)
April 5, 2026: LEMON Manuals is launched! Read the announcement.

DTC Advanced Diagnostics: P00CF (3.0L Engine)

DTC P00CF:  Turbocharger Boost Sensor/Barometric Pressure (BARO) Sensor Incorrect Correlation

General Description 

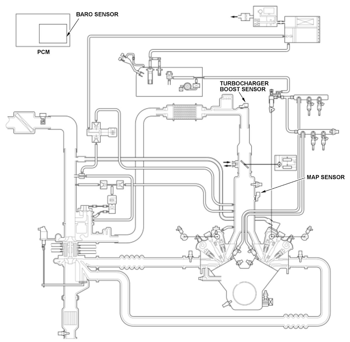
GHH515133Courtesy of HONDA, U.S.A., INC.
GHH515134Courtesy of HONDA, U.S.A., INC.

The turbocharger system controls the turbocharger wastegate control actuator to adjust the flow of boost pressure. The turbocharger boost sensor is compared with the barometric pressure (BARO) sensor during low load of the engine to detect stuck high of the turbocharger boost sensor. If the value of the turbocharger boost sensor is different from the value of the BARO sensor, the powertrain control module (PCM) detects a malfunction and stores a DTC.

Monitor Execution, Sequence, Duration, DTC Type 

Execution Continuous
Sequence None
Duration 5.0 seconds or more
DTC Type Two drive cycles, MIL on

Enable Conditions 

Condition Minimum Maximum
MAP value [MAP Sensor (Hi Res)] - 35 kPa (262 mmHg, 10.3 inHg)

[ ]: HDS Parameter

Malfunction Threshold 

Turbocharger boost sensor value - (minus) BARO sensor value is less than -35 kPa (-263 mmHg, -10.4 inHg), or more than 35 kPa (263 mmHg, 10.4 inHg) for at least 5.0 seconds.

Possible Cause 

NOTE:

The causes shown may not be a complete list of all potential problems, and it is possible that there may be other causes.

Confirmation Procedure 

Operating Condition 

Diagnosis Details 

Conditions for setting the DTC 

When a malfunction is detected during the first drive cycle, a Pending DTC is stored in the PCM memory. If the malfunction returns in the next (second) drive cycle, the MIL comes on and a Confirmed DTC, the freeze data, and the on-board snapshot are stored.

Conditions for clearing the DTC 

The MIL is cleared if the malfunction does not return in three consecutive trips in which the diagnostic runs. The MIL, the Pending DTC, the Confirmed DTC, the freeze data, and the on-board snapshot can be cleared with the scan tool clear command.