LEMON Manuals: Even more car manuals for everyone: 1960-2025
Home >> BMW >> 1982 >> 633CSi Automatic Trans >> Repair and Diagnosis >> Engine Performance >> Engine Control Systems >> BMW MOTRONIC Emission Control System >> Testing >> Test 3: MOTRONIC Control Unit
April 5, 2026: LEMON Manuals is launched! Read the announcement.

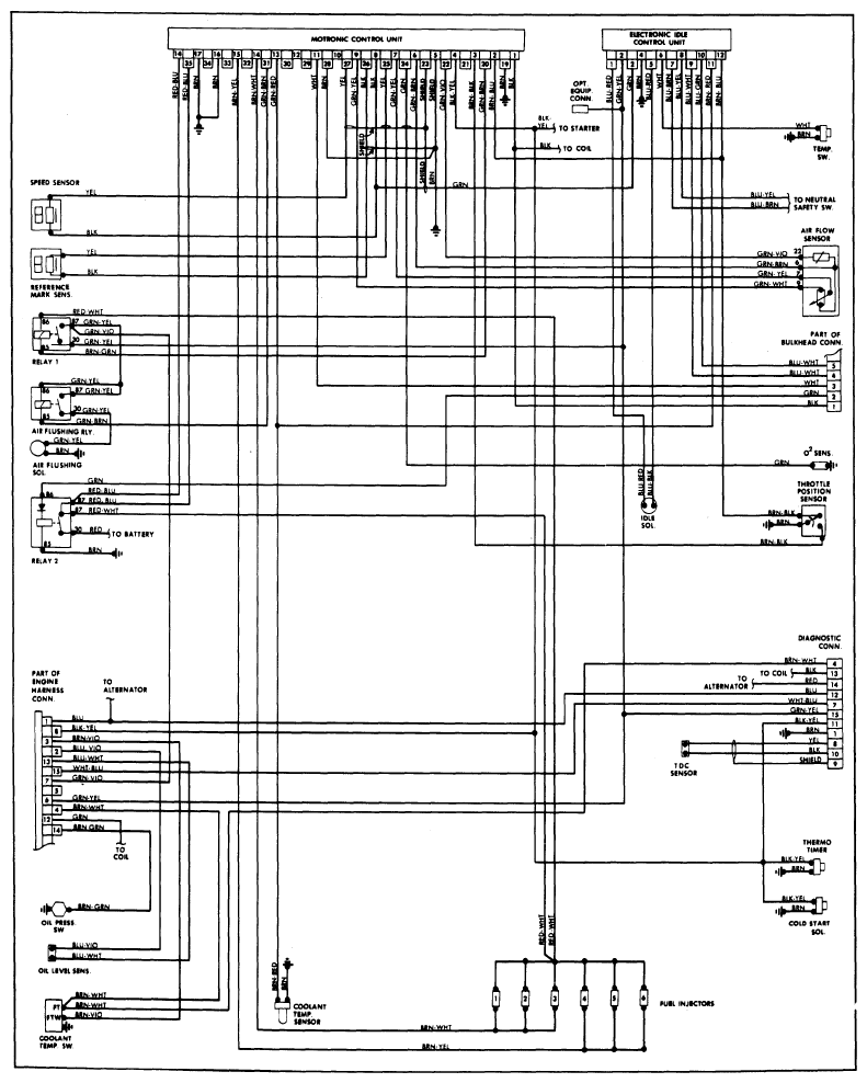
Test 3: MOTRONIC Control Unit

  1. Check power supply to Motronic Control Unit (MCU): Connect BMW Service Test unit and perform L-Jetronic Test step . If values are correct, replace MCU.
  2. If voltage value between wire 18/35 and 5, or 4 and 5 is insufficient or incorrect, connect voltmeter between wire 4 on disconnected MCU plug and ground. Start engine. If voltmeter does not show battery voltage, trace circuit and repair wiring. See Fig 1.
  3. Check wire 18 and 35 for breaks or poor connections. Connect ohmmeter between wire 5 on MCU plug and ground. Resistance should be zero. Connect ohmmeter between wire 18 or 35 on MCU plug, and wire 87 on plug of Relay 2. Resistance should be zero. If either test shows resistance, repair wiring.
  4. If resistance values are correct, check power supply to Relay 2: Disconnect Relay 1 and connect voltmeter between terminal 86 on relay socket and ground. Turn ignition on. Voltmeter should read battery voltage. If not, trace circuit and repair wiring. See Fig 1.
  5. If voltage is correct, check ground of Relay 2: Pull off relay and check resistance between connector 85 and ground. Resistance should be zero. If not, trace circuit and repair wiring. See Fig 1.
    Fig 1: BMW Motronic Emission Control System Wiring Diagram
    G09316245Courtesy of AUDI OF AMERICA, LLC
  6. If resistance is correct, check power supply of Relay 2: Pull off relay and connect voltmeter between connector 30 of relay socket and ground. Voltmeter should read battery voltage. If not, trace circuit and repair wiring. If voltage reading is correct, replace Relay 2.