LEMON Manuals: Even more car manuals for everyone: 1960-2025
Home >> BMW >> 1994 >> 325is Automatic >> Repair and Diagnosis >> Transmission >> Automatic Trans >> Electronic Transmission Control >> Component Tests >> Program Button
April 5, 2026: LEMON Manuals is launched! Read the announcement.

Program Button

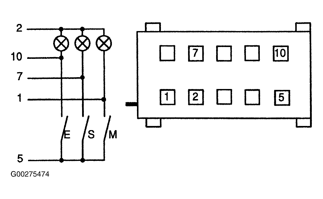
Check the program button with the aid of the universal adapter with the control unit connected and ignition switched on. Measure between pin No. 19 and the specified pins. See Fig 1 Or Fig 2 . Number "0" corresponds to approximately zero volt, and "1" corresponds to approximately 12 volts. If inputs in control unit are not plausible, check ground connection to program button (pin No. 5 on E36; pin No. 31 on E34) and repair if necessary. See Fig 3 Or Fig 4 . If okay, remove program button. Check in accordance with switch diagram and replace if necessary. If okay, check wire and plug connection. Repair as necessary. If okay, replace control unit.

Fig 1: Testing Program Button (E36)
G00275475Courtesy of BMW OF NORTH AMERICA, INC.
Fig 2: Testing Program Button (E34)
G00275480Courtesy of BMW OF NORTH AMERICA, INC.
Fig 3: Identifying Program Button With Switching Diagram (E36)
G00275474Courtesy of BMW OF NORTH AMERICA, INC.
Fig 4: Identifying Program Button With Switching Diagram (E34)
G00275481Courtesy of BMW OF NORTH AMERICA, INC.