LEMON Manuals: Even more car manuals for everyone: 1960-2025
Home >> BMW >> 1999 >> 328is Automatic >> Repair and Diagnosis >> Engine Performance >> System >> Engine Control - Overview >> Ms41.1/Ms41.2 >> Performance Controls >> Notes
April 5, 2026: LEMON Manuals is launched! Read the announcement.

Performance Controls: Notes

Fig 1: Identifying Performance Controls
G03394264

Engine Speed Signal (TD):  is produced by the ECM as an output function. The TD signal is a processed square wave signal that indicates engine RPM. The signal is made available to other control modules including the Instrument Cluster, IHKA, EWS II and the 20 pin Diagnostic Socket.

The TD output is a square wave modulated signal. The frequency of the signal is directly proportional to RPM. The receiving control module detects RPM by the number of pulses.

Fig 2: Identifying Engine Speed Signal (TD)
G03394265

Load Signal (Ti):  is produced by the ECM as an output function that represents the actual amount of fuel injected. It is made available to other control modules as an input for operation. These control modules include:

The Ti output is a processed square wave signal. The frequency of the signal is proportional to engine RPM. The pulse width and duty cycle will vary to reflect the injection quantity.

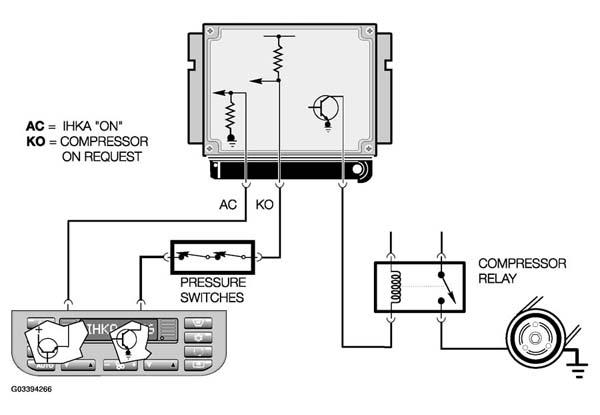
A/C Compressor Control:  is an output of the ECM. The ECM controls the A/C Compressor Relay based on signals from the IHKA Control Module.

When the driver selects the "snow flake" button, the IHKA Control Module signals the ECM (AC) which "arms" it for compressor activation.

The ECM prepares for the additional load of the compressor by modifying the ignition timing and stabilizing idle speed.

When A/C compressor activation is required the IHKA signals the ECM through the high/low refrigerant pressure switches (KO). The ECM will provide a ground circuit for the A/C Compressor Relay.

The A/C Compressor Relay is deactivated during wide open throttle acceleration at low speeds to allow the engine to quickly achieve maximum power.

Fig 3: Identifying A/C Compressor Control
G03394266

Driveaway Protection System Interface EWS II:  and ECM Control Modules are synchronized through an individual serial number  (ISN). The ISN is a unique code number that is permanently assigned to the ECM and also stored in the EWS II Control Module. The ISN must match every time the ignition is switched "ON", before the ECM drive away protection feature will be cancelled.

Fig 4: Identifying Driveaway Protection System Interface EWS II
G03394267

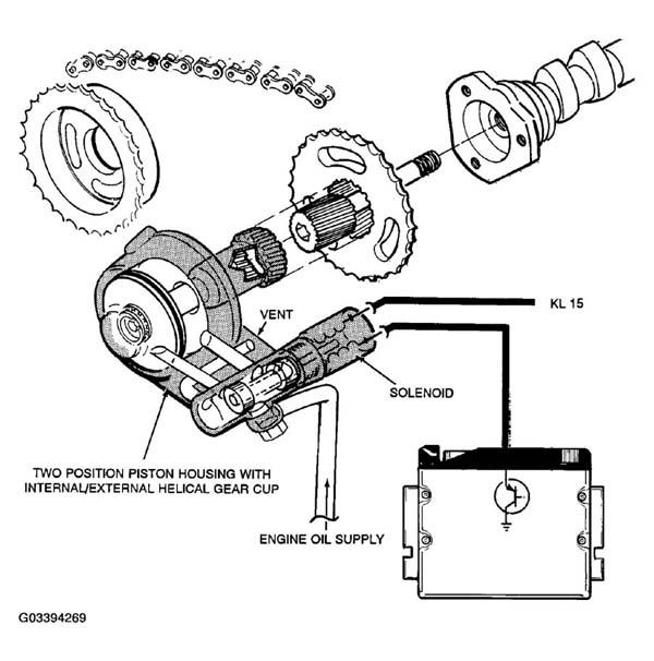
VANOS Control:  Performance, torque, idle characteristics and exhaust emissions reduction are improved by Variable Camshaft Timing (VANOS). The VANOS unit is mounted directly on the front of the cylinder head and adjusts the Intake  camshaft timing from retarded to advanced. The ECM controls the operation of the VANOS solenoid which regulates the oil pressure required to move the control piston. Engine RPM, load and temperature are used to determine VANOS activation.

VANOS mechanical operation is dependent on engine oil pressure applied to position the control piston. When oil pressure is applied to the control piston (regulated by the solenoid), the piston moves causing the splined adjustment shaft to move. The straight splines slide within the camshaft sleeve. The helical splines rotate the camshaft drive sprocket changing the position in relation to the camshaft position which advances/retards the intake camshaft timing.

Fig 5: Identifying VANOS Control
G03394268

The operation of the VANOS solenoid is monitored in accordance with the OBD II requirements for emission control. The ECM monitors the final stage output control and the signal from the Camshaft Position Sensor for VANOS operation.

Retarded Timing:  In the normal or off position, the spool valve in the piston housing is held by spring pressure directing the engine oil to the back side of the piston.

This pulls the attached helical gear cup forward and maintains the late (retarded) valve timing position.

Fig 6: Identifying Retarded Timing
G03394269

Advanced Timing:  When the ECM provides a ground circuit to the solenoid, the spool valve pushes against the spring pressure diverting the pressurized engine oil to the front side of the piston. This pushes the helical gear cup further into the matched helical camshaft secondary gear drive.

The angled teeth of the helical gears cause the pushing movement of the helical cup to be converted into a rotational movement. This rotational movement is added to the turning of the camshaft and causes the intake camshaft to "advance" 12.5+.

Fig 7: Identifying Advanced Timing
G03394270

Exhaust Flap Damper Control (E36):  To meet European noise level compliance, the rear silencer incorporates a flap that is designed to reduce exhaust noise at idle, low RPM and while coasting. Components of the system include:

The ECM will power the switching solenoid and apply vacuum to the exhaust flap actuator to close the flap allowing additional damping of the exhaust for the following conditions:

The ECM will deactivate the solenoid when accelerating above 2500 RPM. The vacuum is vented from the flap actuator and the flap opens. This decreases the exhaust backpressure for improved torque.

Fig 8: Identifying Exhaust Flap Damper Control (E36)
G03394271

Controller Area Network (CAN):  The CAN is used between the engine and automatic transmission control modules (if equipped). The CAN is a high speed bus that transfers one million bits of information per second. The CAN supplies the ECM and the EGS with all related operating data required by their operation:

Fig 9: Identifying Controller Area Network (CAN)
G03394272
NOTE: The DIS/MoDIC will display CAN faults with on screen diagnosis under DME (ECM) or EGS Fault survey.

Throttle Position Output (DKI):  DKI is the throttle position output signal to the ASC Control Module (if equipped).

The DKI signal is directly proportional to the throttle position sensor input signal.

This output signal is used by the ASC control module during ASC regulation. DKI is a pulse width modulated signal created by the ECM.

Fig 10: Identifying Throttle Position Output (DKI)
G03394273

ASC Interfaces:  The ECM is linked to the ASC Control Module (if equipped) through three signal lines for ASC regulation. The three signals are switched high/low input requests for power reduction/drag torque reduction.

Fig 11: Identifying ASC Interfaces
G03394274

Auxiliary Throttle:  A second throttle housing is mounted "upstream" of the main throttle housing. This auxiliary throttle is used in conjunction with ASC (if equipped).

The throttle is normally open and is closed by the ASC Control Module which restricts intake air flow reducing engine torque to restore traction/maintain stability.

Fig 12: Identifying Auxiliary Throttle
G03394275

The Auxiliary Throttle is linked by a cable to the ADS II motor which regulates the throttle plate position. Activation of the ADS II motor is an output function of the ASC Control Module.

The Auxiliary Throttle is closed briefly when the ignition is switched on "KL15" allowing the ASC to conduct a brief test of the ADS II motor and Auxiliary Throttle Position Potentiometer.

Fig 13: Identifying ASC Control Module
G03394276

Vehicle Speed Signal:  The vehicle speed input signal is provided by the ABS/ASC Control Module. The vehicle speed input is a digital square wave and the frequency is proportional to the speed of the vehicle. The speed signal is used for idle speed regulation and for vehicle top speed regulation.

For OBD II compliance, the ECM also monitors the signal (as compared to engine RPM and load) for abrupt fluctuations in the signal frequency to "detect rough road surfaces" for the purpose of Misfire Detection plausibility.

Fig 14: Identifying Vehicle Speed Signal
G03394277