LEMON Manuals: Even more car manuals for everyone: 1960-2025
Home >> BMW >> 2003 >> 760Li >> Repair and Diagnosis >> Electrical >> Charging Systems >> Charging Systems - Overview >> Charging Systems >> Charge System Indicator >> Standard Regulator
April 5, 2026: LEMON Manuals is launched! Read the announcement.

Standard Regulator

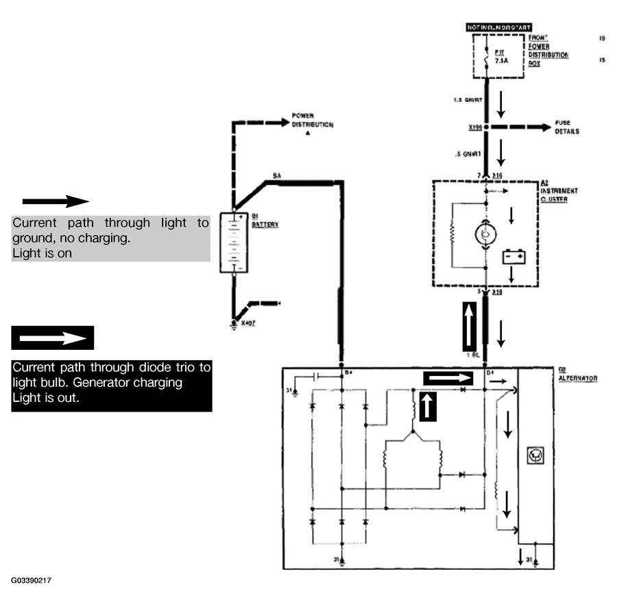
The Charging System Indicator light operates on the principle of opposing voltage. Battery voltage is supplied to one side of the light bulb, the other side of the bulb is connected to the voltage regulator. With the key turned on, power is sent to the light bulb, through to the regulator. No voltage is being produced by the stator, so there is no voltage from the diode trio. This lack of voltage from the diode trio, allows the voltage from the ignition switch to flow through the regulator to ground. This completes the circuit allowing the charge indicator bulb to burn.

As the generator begins to produce voltage, the output of the diode trio equals battery voltage. This equal voltage is supplied to the light bulb. With equal voltage on each side of the light bulb, no current can flow and the light is turned off.

Fig 1: View Of Charge Indicator System Circuit Diagram
G03390217Courtesy of BMW OF NORTH AMERICA, INC.