LEMON Manuals: Even more car manuals for everyone: 1960-2025
Home >> BMW >> 2007 >> 525i Automatic >> Repair and Diagnosis >> Brakes >> Abs/Traction Control - Service Information >> Dynamic Stability Control DSC 8 >> Introduction >> E60, E61, E63, E64: System Overview For DSC 8 Dynamic Stability Control >> Bus Connection
April 5, 2026: LEMON Manuals is launched! Read the announcement.

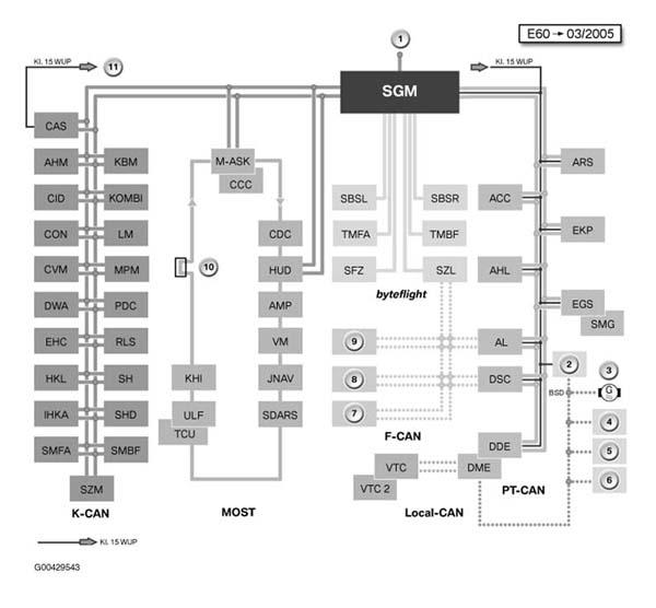
Bus Connection

Fig 1: BUS Connection Flow Diagram
G00429543Courtesy of BMW OF NORTH AMERICA, INC.
Fig 2: BUS Connection Flow Diagram Legend
G00429544Courtesy of BMW OF NORTH AMERICA, INC.