LEMON Manuals: Even more car manuals for everyone: 1960-2025
Home >> Buick >> 1991 >> Reatta 2D Convertible >> Repair and Diagnosis >> Engine Performance >> System >> Engine Controls - Tests W/Codes - Pcm/BCM >> Self-Diagnostic System Check >> Chart C, ECCP Display Problems (Loss Of ECCP Communications)
April 5, 2026: LEMON Manuals is launched! Read the announcement.

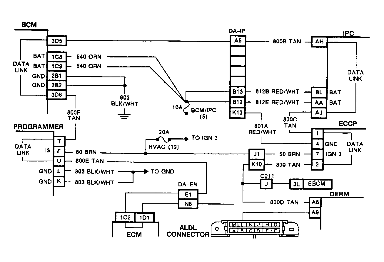
Chart C, ECCP Display Problems (Loss Of ECCP Communications)

When ECC communications are lost, service diagnostics usually cannot be entered, but a quick scan of panel will usually help isolate source of fault. Loss of serial data will result in 3 dashes being shown on the panel VF display. This indicates power and ground are okay. If panel displays normal exterior or interior set temperature, power, ground and serial data communications are being received and panel replacement is indicated.

NOTE: Test numbers refer to numbers on diagnostic chart.
  1. This step checks for power and ground to panel. Voltage should be HI for both power to ground checks.
  2. This step checks for serial data voltage. Normal voltage should be more than one volt and varying. Steady voltage indicates second open exists, or ALDL cover is off.
Fig 1: Chart C, Schematic, ECCP Display Problems (Loss Of Communications)
G91I07760
Fig 2: Flow Chart C, ECCP Display Problems (Loss Of Communications)
GB0022599