LEMON Manuals: Even more car manuals for everyone: 1960-2025
Home >> Buick >> 2000 >> Regal V6-3.8L SC VIN 1 >> Repair and Diagnosis >> Powertrain Management >> Computers and Control Systems >> Relays and Modules - Computers and Control Systems >> Body Control Module >> Diagrams >> Electrical Diagrams >> Interior Lights
April 5, 2026: LEMON Manuals is launched! Read the announcement.

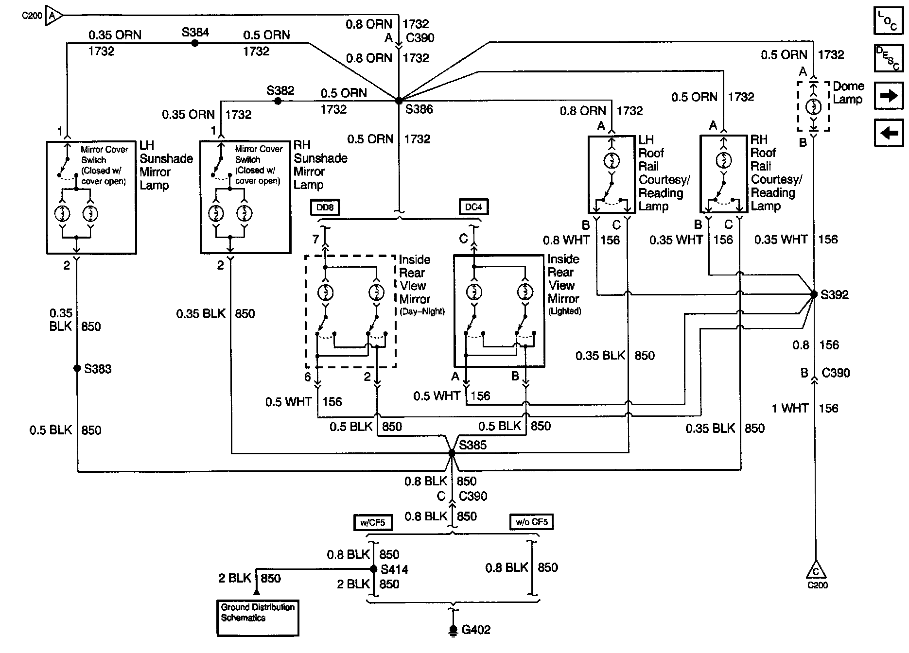
Interior Lights

Body Control Module Schematics : Interior Lights: