LEMON Manuals: Even more car manuals for everyone: 1960-2025
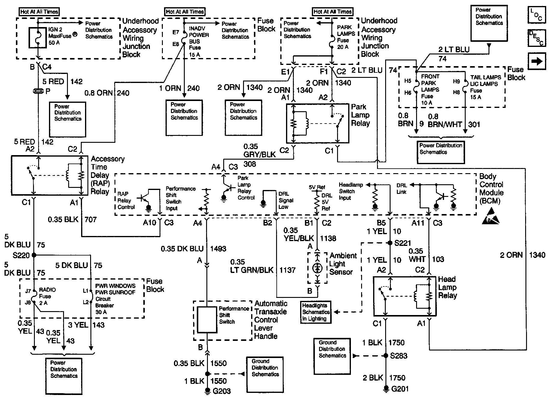
Home >> Buick >> 2000 >> Regal V6-3.8L SC VIN 1 >> Repair and Diagnosis >> Powertrain Management >> Computers and Control Systems >> Relays and Modules - Computers and Control Systems >> Body Control Module >> Diagrams >> Electrical Diagrams >> PWR, RAP Relay, HDLP Relay, Park LP Relay & Ambient LT Sensor
April 5, 2026: LEMON Manuals is launched! Read the announcement.

PWR, RAP Relay, HDLP Relay, Park LP Relay & Ambient LT Sensor

Body Control Module Schematics : Power, RAP Relay, Headlamp Relay, Park Lamp Relay And Ambient Light Sensor: