LEMON Manuals: Even more car manuals for everyone: 1960-2025
Home >> Buick >> 2005 >> Century Base >> Repair and Diagnosis >> Engine Performance >> System >> Engine Controls - Introduction >> Repair Instructions >> Manifold Absolute Pressure (MAP) Sensor Replacement >> Installation Procedure
April 5, 2026: LEMON Manuals is launched! Read the announcement.

Installation Procedure

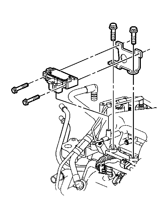
    Fig 1: View Of MAP Sensor
    GM54360Courtesy of GENERAL MOTORS CORP.
  1. Position the MAP sensor to the bracket.
  2. Install the inlet vacuum hose to the MAP sensor.
  3. Connect the MAP sensor electrical connector.
  4. NOTE: Refer to Fastener Notice in Cautions and Notices.
  5. Install the MAP sensor screws.

    Tighten:  Tighten the screws to 3 N.m (27 lb in).