LEMON Manuals: Even more car manuals for everyone: 1960-2025
Home >> Buick >> 2005 >> Century Custom >> Repair and Diagnosis >> Engine Performance >> System >> Engine Controls - Introduction >> Schematic and Routing Diagrams >> Engine Controls Schematics
April 5, 2026: LEMON Manuals is launched! Read the announcement.

Engine Controls Schematics

Fig 1: Module Power, Ground, Serial Data, and MIL Schematics
GM1386716Courtesy of GENERAL MOTORS CORP.
Fig 2: Engine Data Sensors - 5-Volt and Low Reference Schematics
GM1469920Courtesy of GENERAL MOTORS CORP.
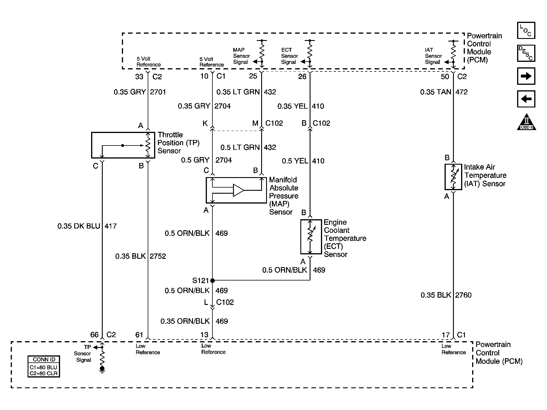
Fig 3: Engine Data Sensors Schematic - Pressure and Temperature
GM1353607Courtesy of GENERAL MOTORS CORP.
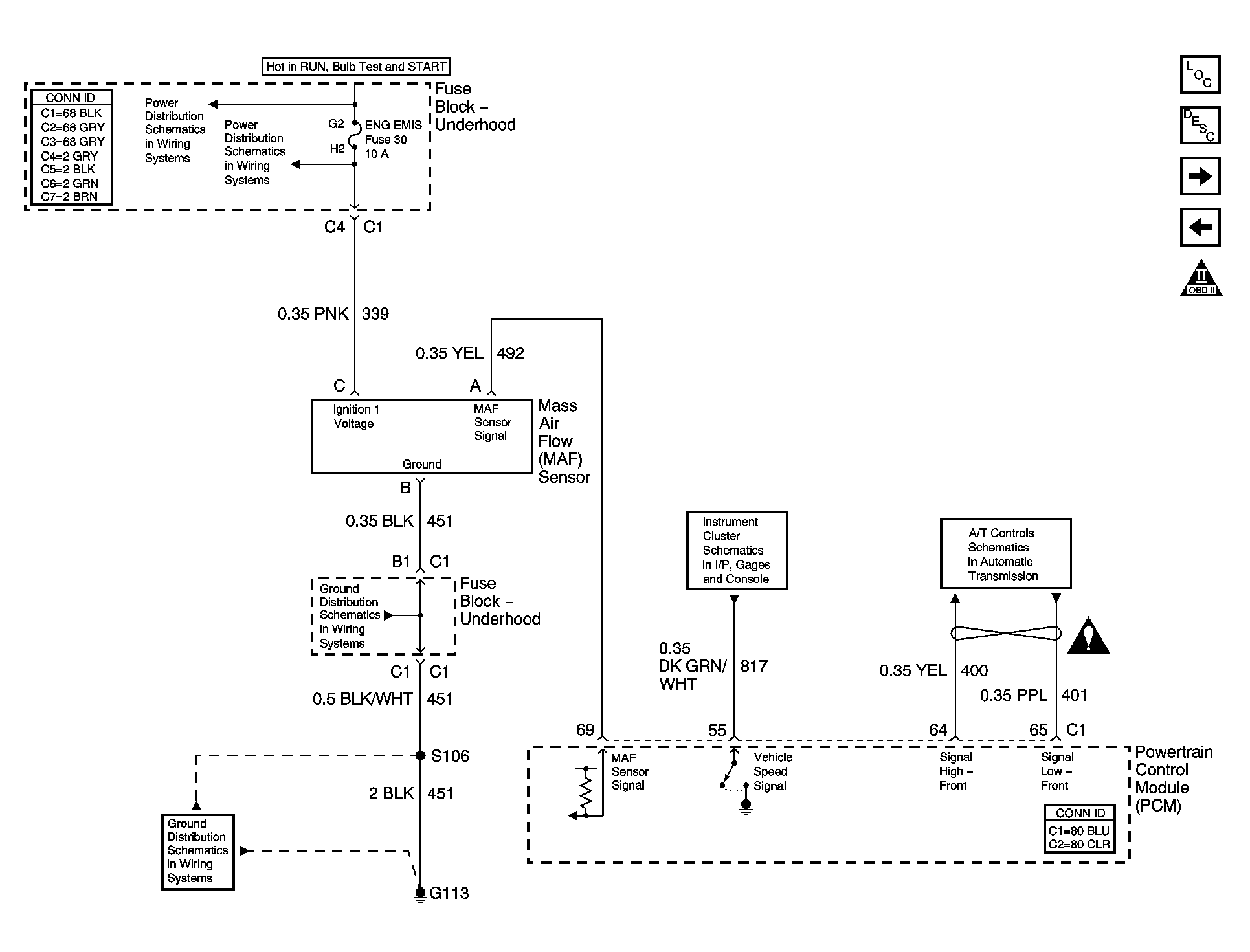
Fig 4: Engine Data Sensors Schematic - MAF, VSS
GM1275561Courtesy of GENERAL MOTORS CORP.
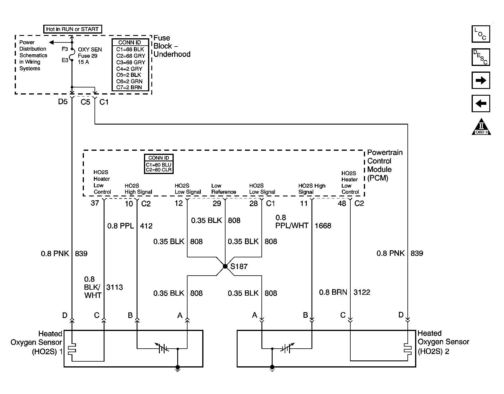
Fig 5: Oxygen Sensors Schematics
GM1469939Courtesy of GENERAL MOTORS CORP.
Fig 6: Ignition Control Module Schematic
GM1217241Courtesy of GENERAL MOTORS CORP.
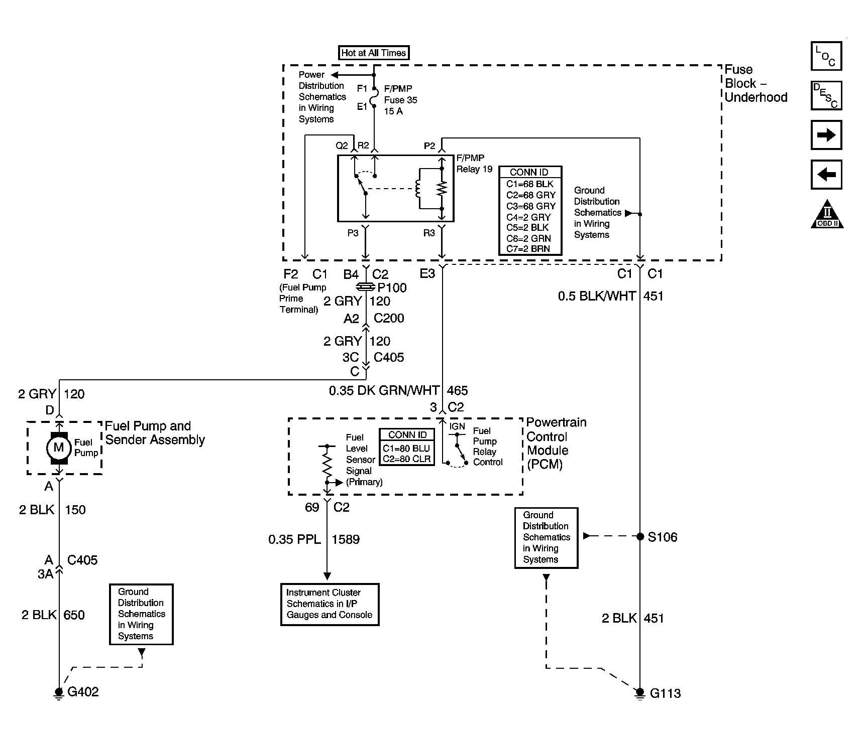
Fig 7: Fuel Pump Controls Schematic
GM1219230Courtesy of GENERAL MOTORS CORP.
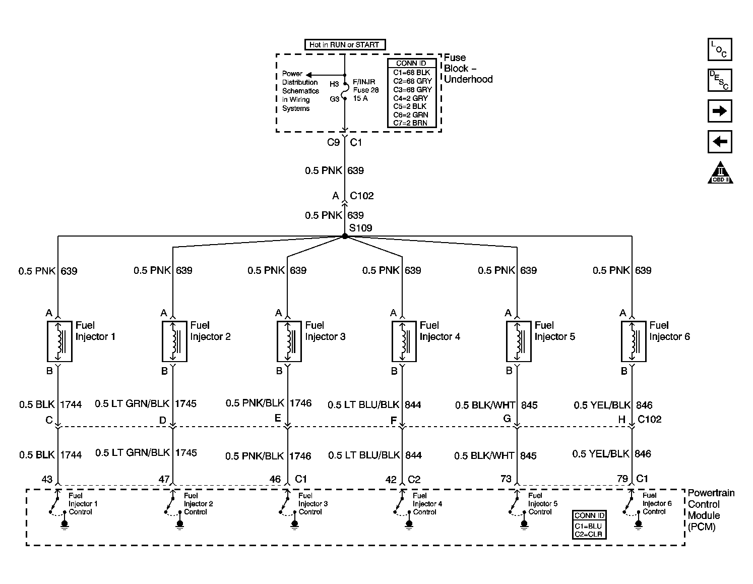
Fig 8: Fuel Injectors Schematic
GM789741Courtesy of GENERAL MOTORS CORP.
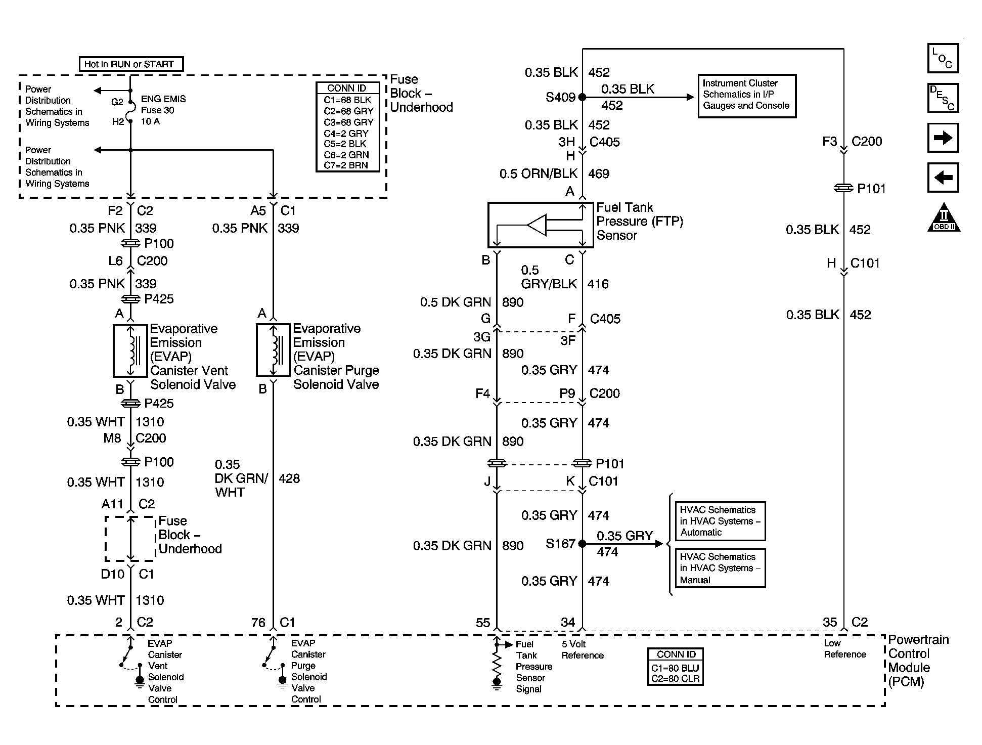
Fig 9: EVAP Controls and FTP Sensor Schematic
GM1219269Courtesy of GENERAL MOTORS CORP.
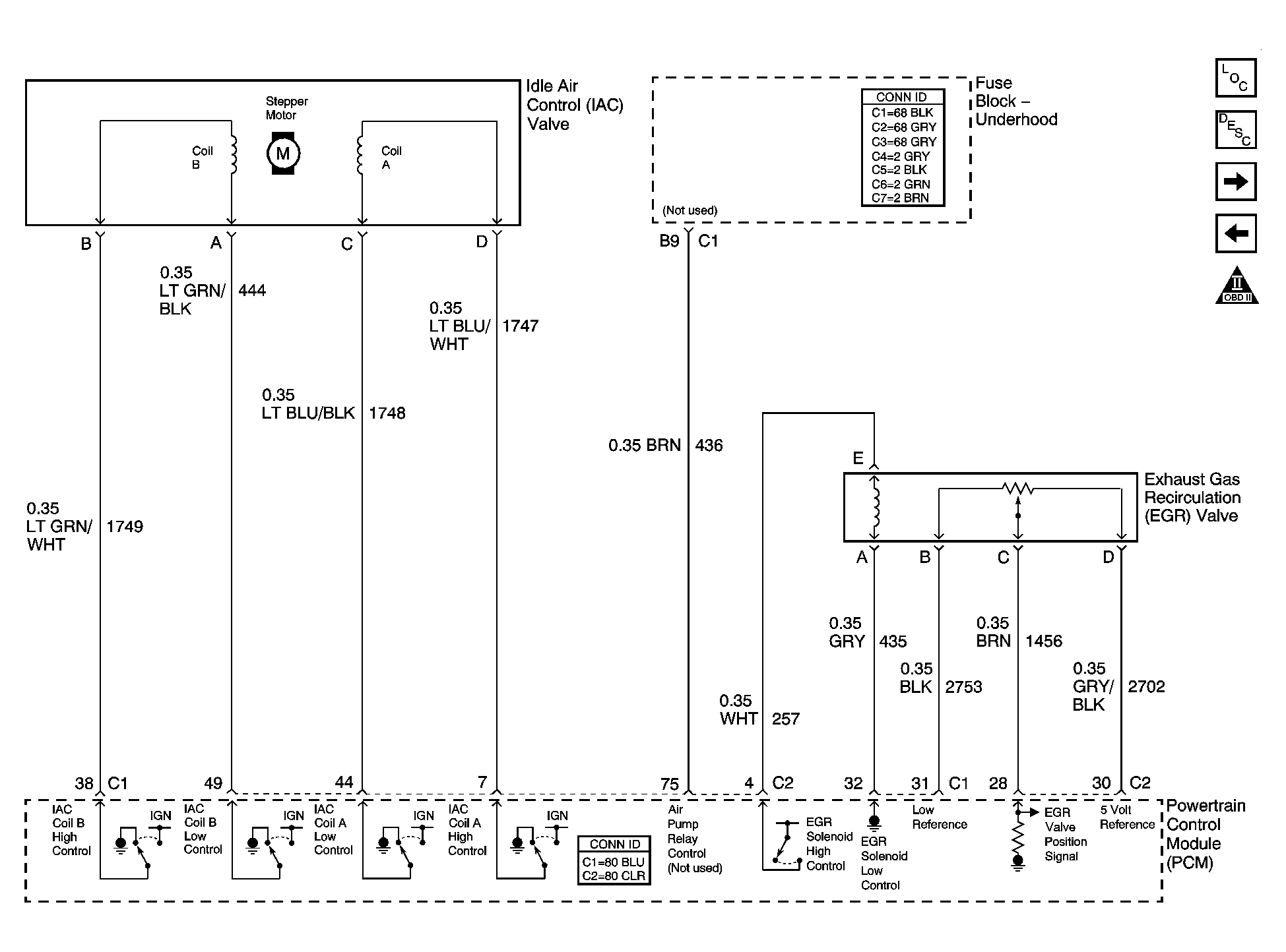
Fig 10: AIR, EGR, and IAC Controls Schematic
GM1275566Courtesy of GENERAL MOTORS CORP.
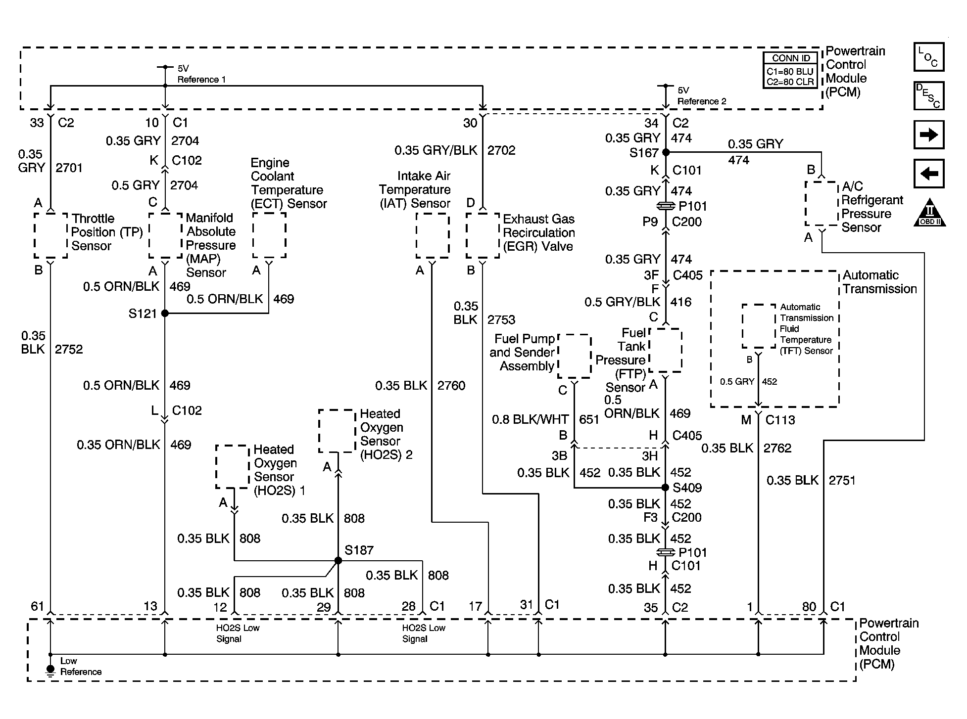
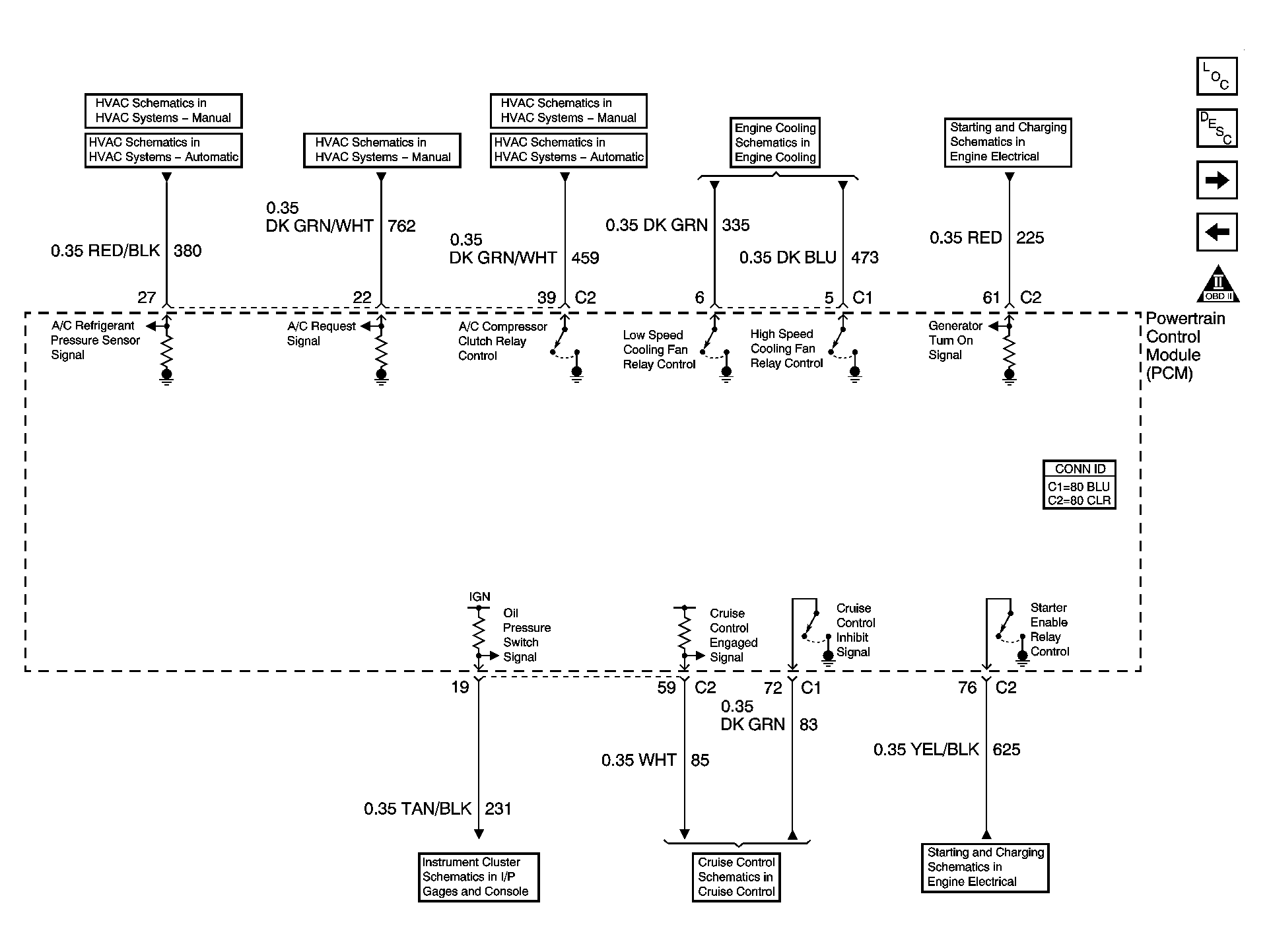
Fig 11: PCM References Schematic - Controlled/Monitored Subsystem
GM1217243Courtesy of GENERAL MOTORS CORP.
Fig 12: Transmission Control References Schematics
GM1386740Courtesy of GENERAL MOTORS CORP.