LEMON Manuals: Even more car manuals for everyone: 1960-2025
Home >> Buick >> 2005 >> Rainier 4.2 S, AWD >> Repair and Diagnosis >> Engine Performance >> System >> Engine Control System - 4.2L - Introduction >> Schematic and Routing Diagrams >> Engine Controls Schematics
April 5, 2026: LEMON Manuals is launched! Read the announcement.

Engine Controls Schematics

Fig 1: Module Power, Ground, Serial Data, and MIL
GM1430604Courtesy of GENERAL MOTORS CORP.
Fig 2: Engine Data Sensors - 5-Volt and Low Reference
GM1430606Courtesy of GENERAL MOTORS CORP.
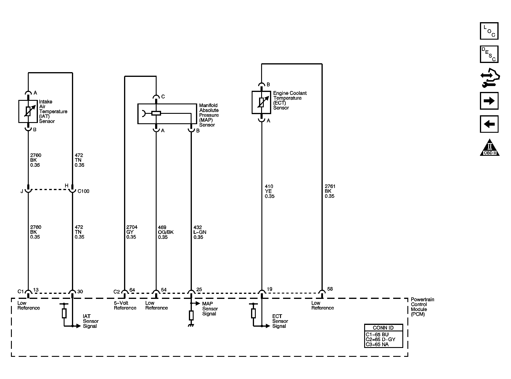
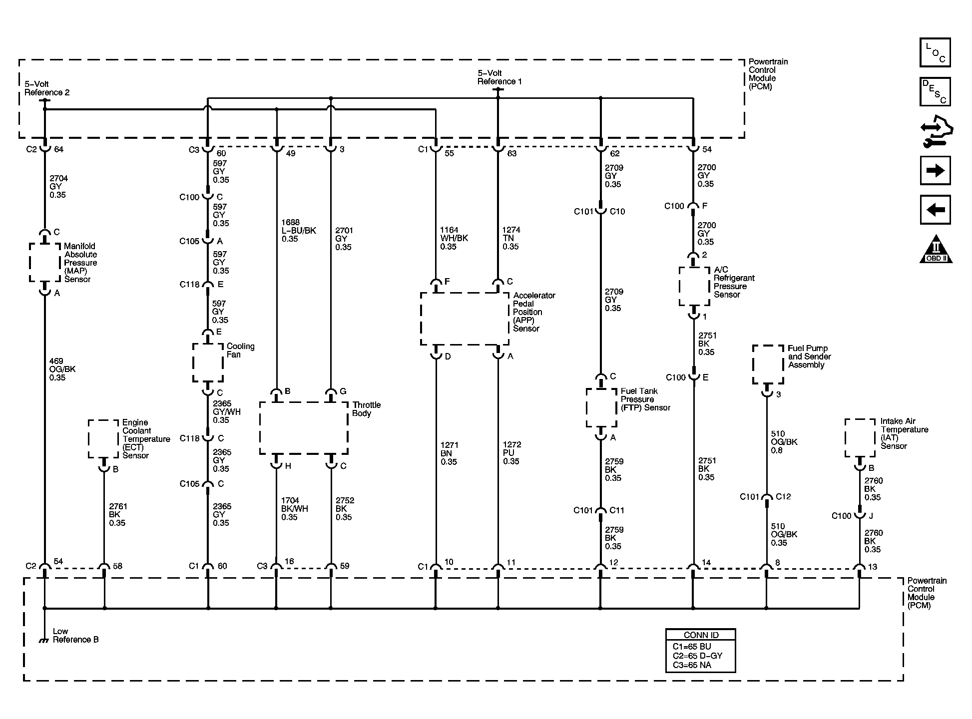
Fig 3: Engine Data Sensors - Pressure and Temperature
GM1430608Courtesy of GENERAL MOTORS CORP.
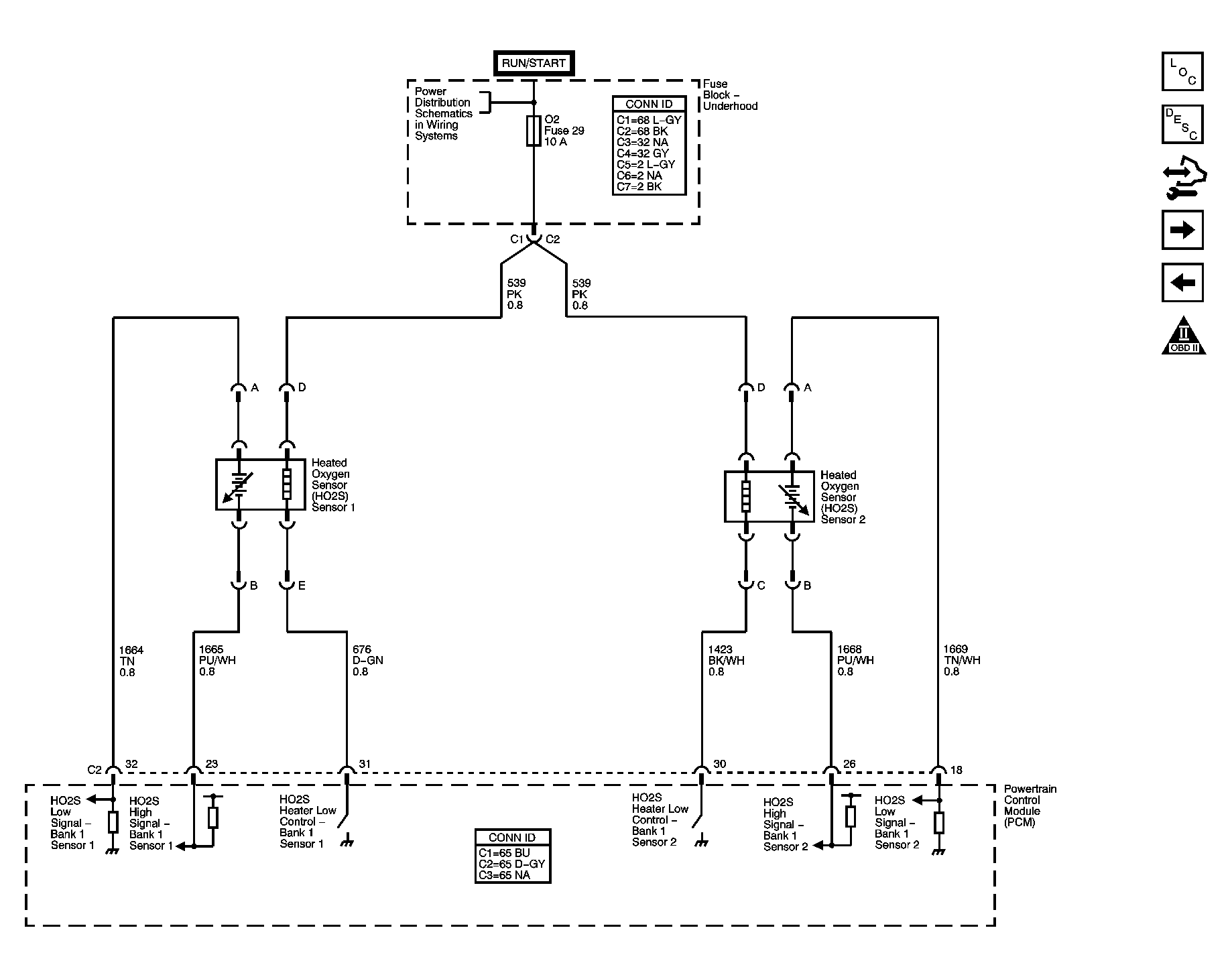
Fig 4: Engine Data Sensors - Oxygen Sensors
GM1430612Courtesy of GENERAL MOTORS CORP.
Fig 5: Engine Data Sensor - Throttle Actuator Controls and VSS
GM1430614Courtesy of GENERAL MOTORS CORP.
Fig 6: Ignition Controls - Ignition System
GM1430618Courtesy of GENERAL MOTORS CORP.
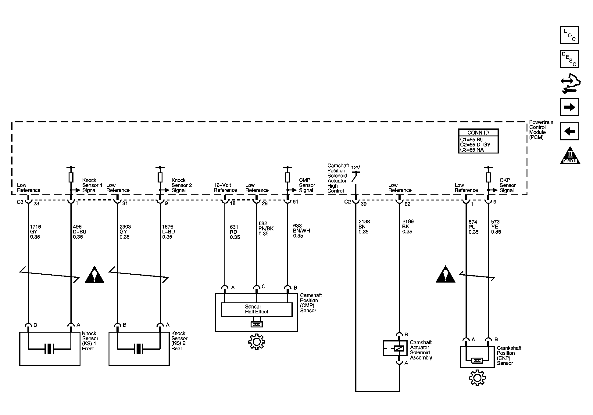
Fig 7: Ignition Controls - Sensors
GM1430620Courtesy of GENERAL MOTORS CORP.
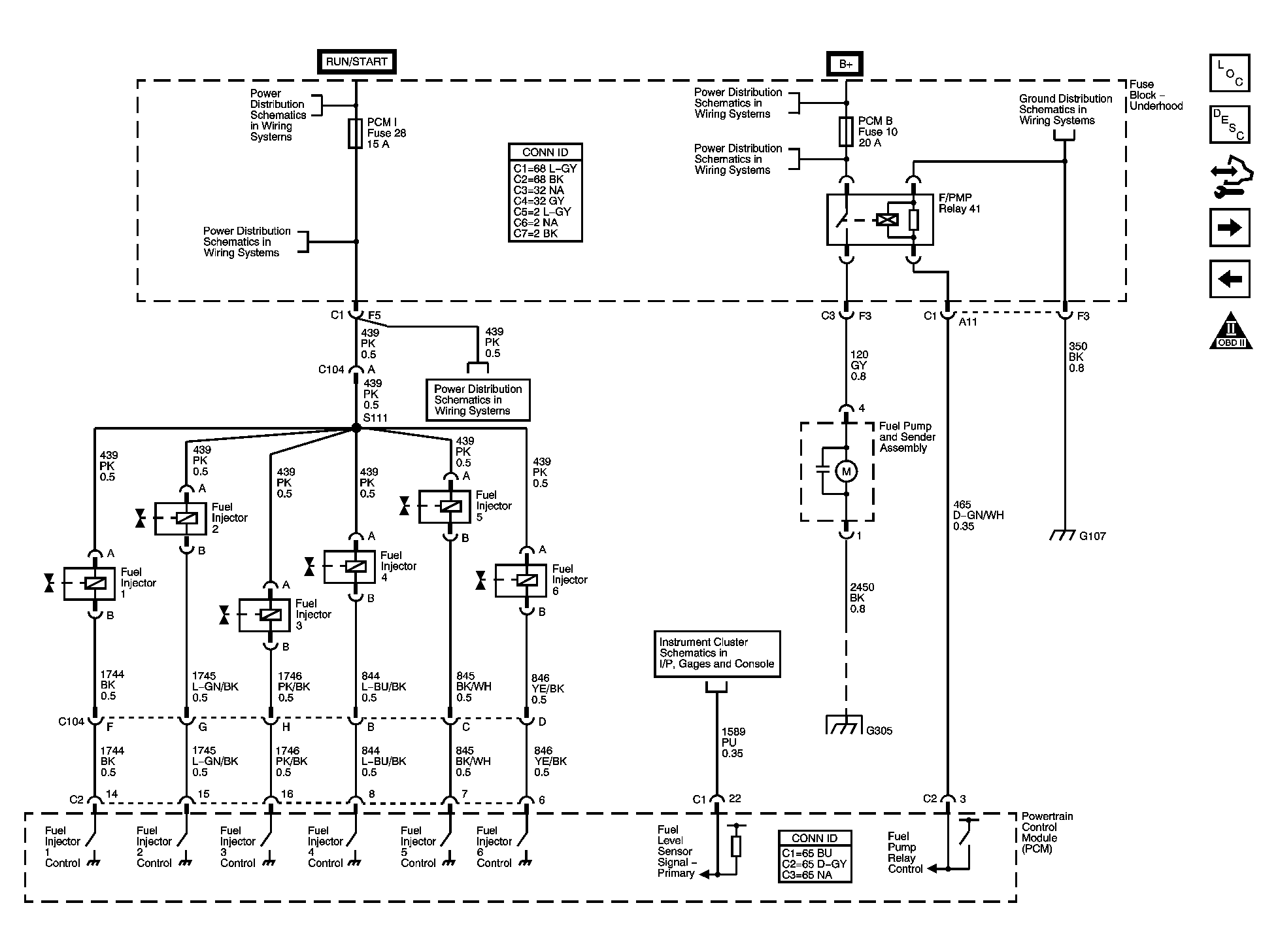
Fig 8: Fuel Controls - Fuel Pump Controls and Fuel Injectors
GM1430622Courtesy of GENERAL MOTORS CORP.
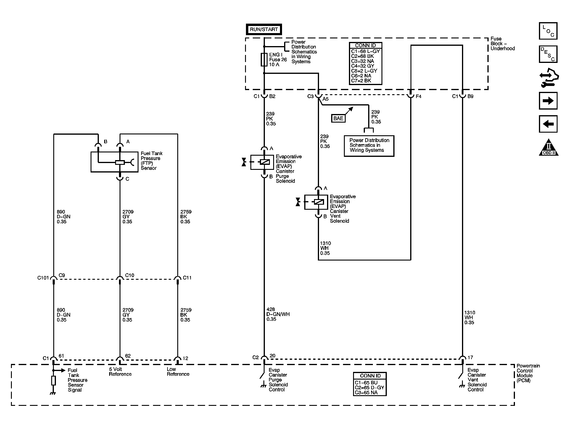
Fig 9: Fuel Controls - EVAP Controls
GM1430623Courtesy of GENERAL MOTORS CORP.
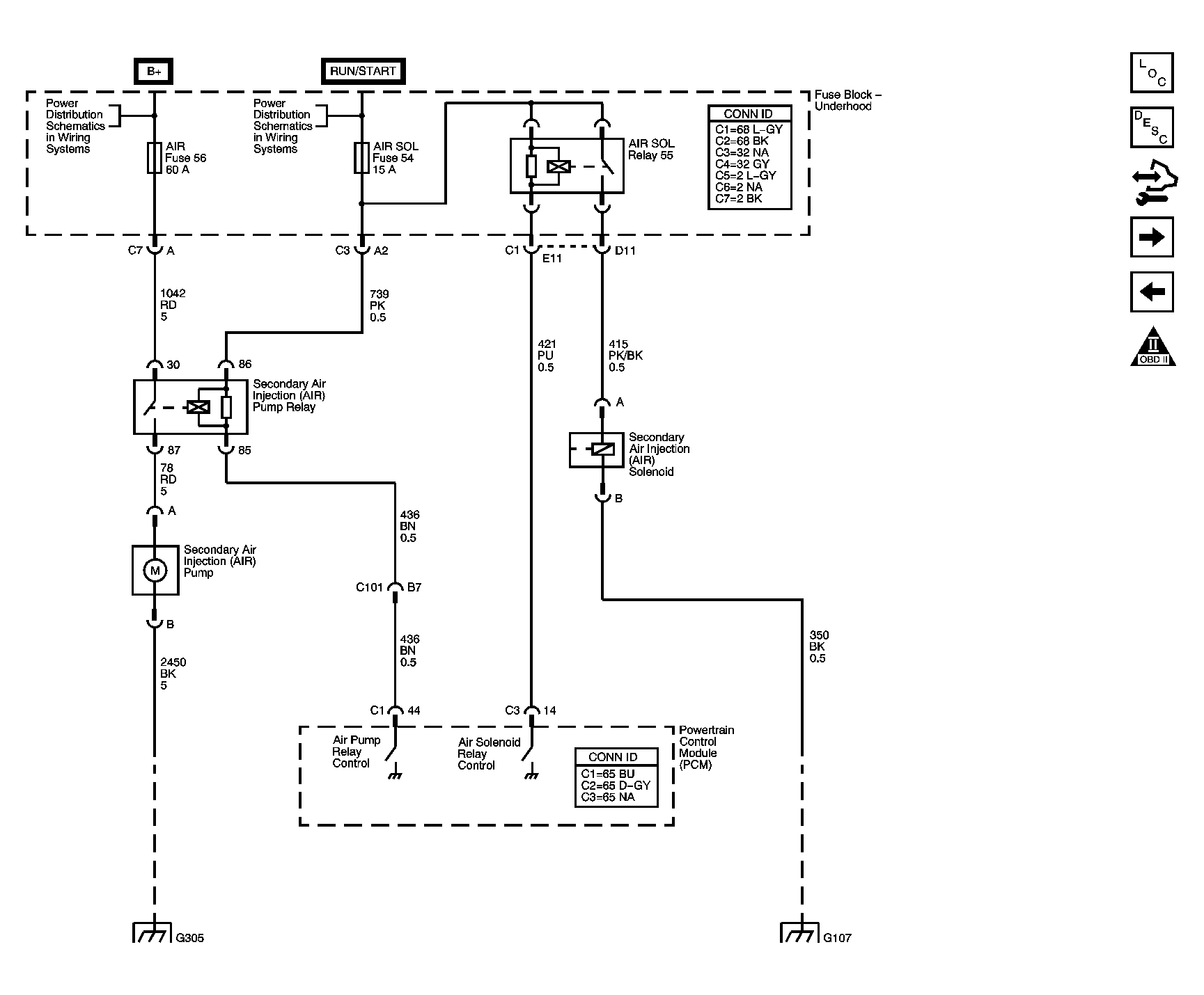
Fig 10: Device Controls
GM1430626Courtesy of GENERAL MOTORS CORP.
Fig 11: Controlled/Monitored Subsystem References
GM1430627Courtesy of GENERAL MOTORS CORP.
Fig 12: Transmission Control References - A/T
GM1430629Courtesy of GENERAL MOTORS CORP.