LEMON Manuals: Even more car manuals for everyone: 1960-2025
Home >> Buick >> 2007 >> Allure CX >> Repair and Diagnosis >> Engine Performance >> System >> Engine Control System & Fuel System - 3.8L - Introduction (2 Of 2) >> Schematic and Routing Diagrams >> Engine Controls Schematics
April 5, 2026: LEMON Manuals is launched! Read the announcement.

Engine Controls Schematics

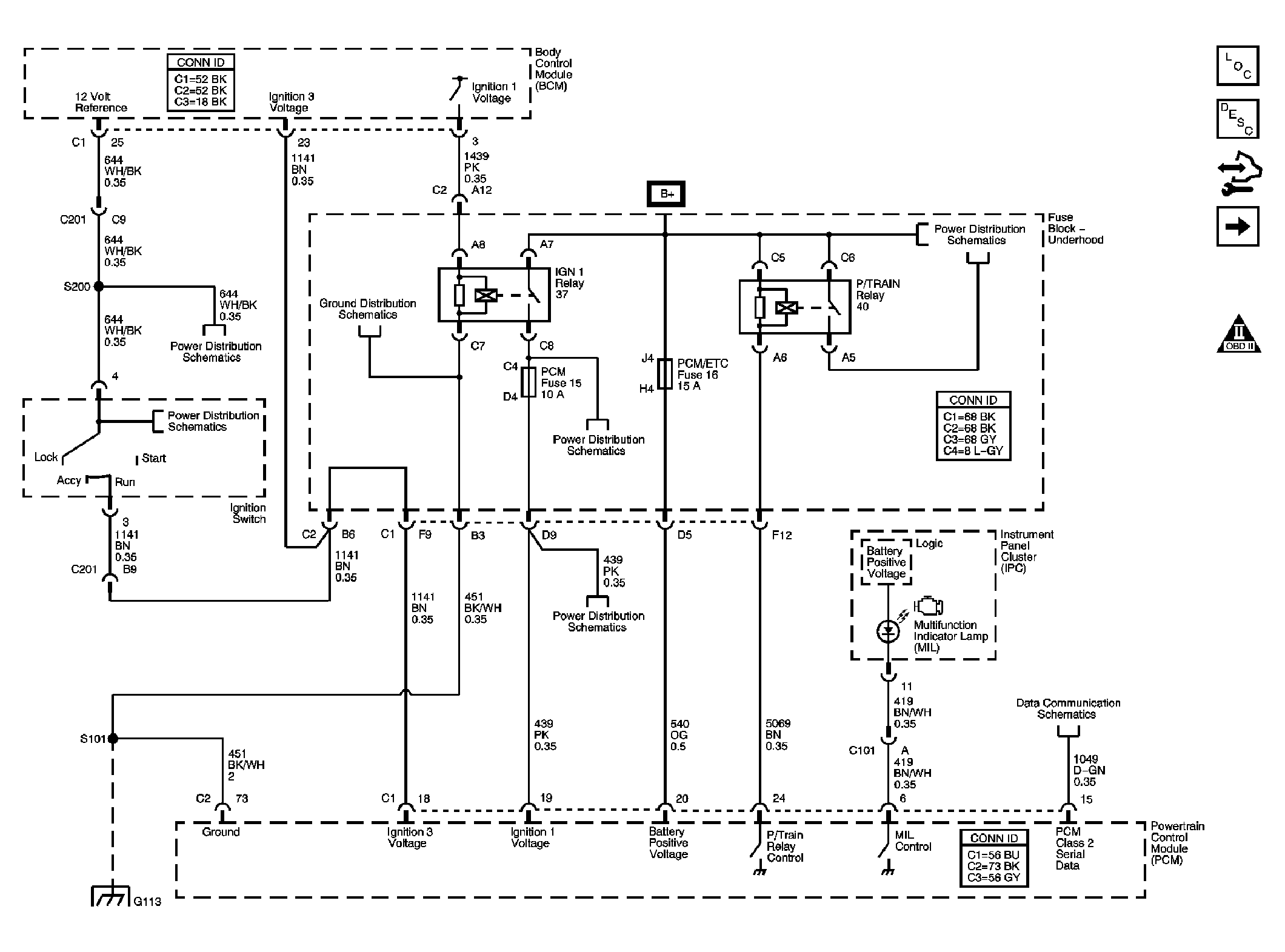
Fig 1: Engine Controls Schematic (Module Power, Ground, Serial Data, and MIL)
GM1801885Courtesy of GENERAL MOTORS CORP.
Fig 2: Engine Controls Schematic (5-Volt and Low Reference)
GM1801887Courtesy of GENERAL MOTORS CORP.
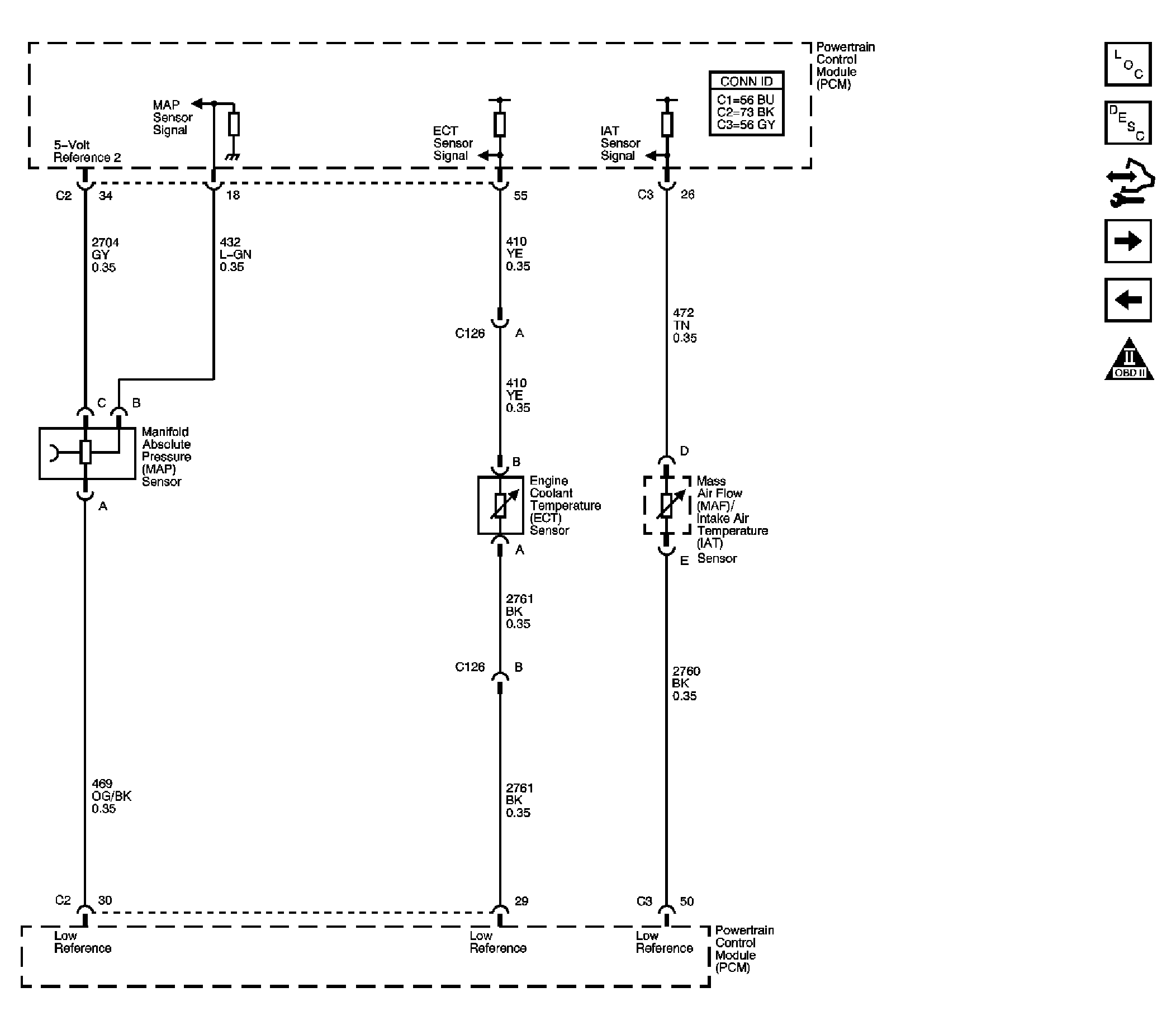
Fig 3: Engine Controls Schematic (Pressure and Temperature Sensors)
GM1801891Courtesy of GENERAL MOTORS CORP.
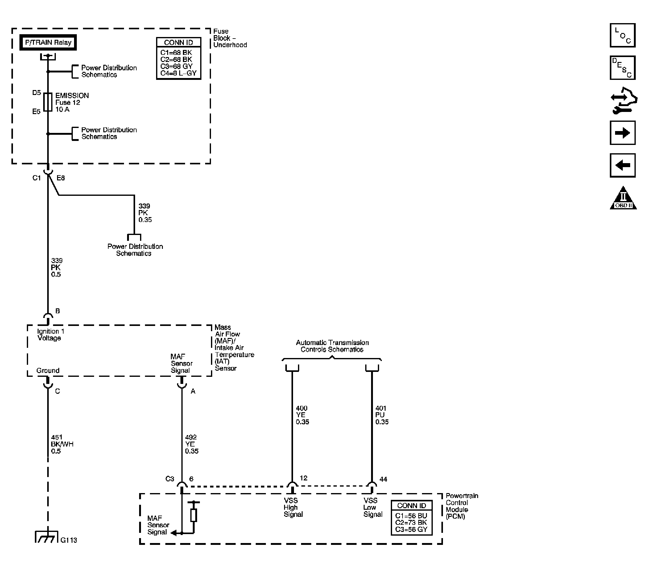
Fig 4: Engine Controls Schematic (MAF, VSS)
GM1801894Courtesy of GENERAL MOTORS CORP.
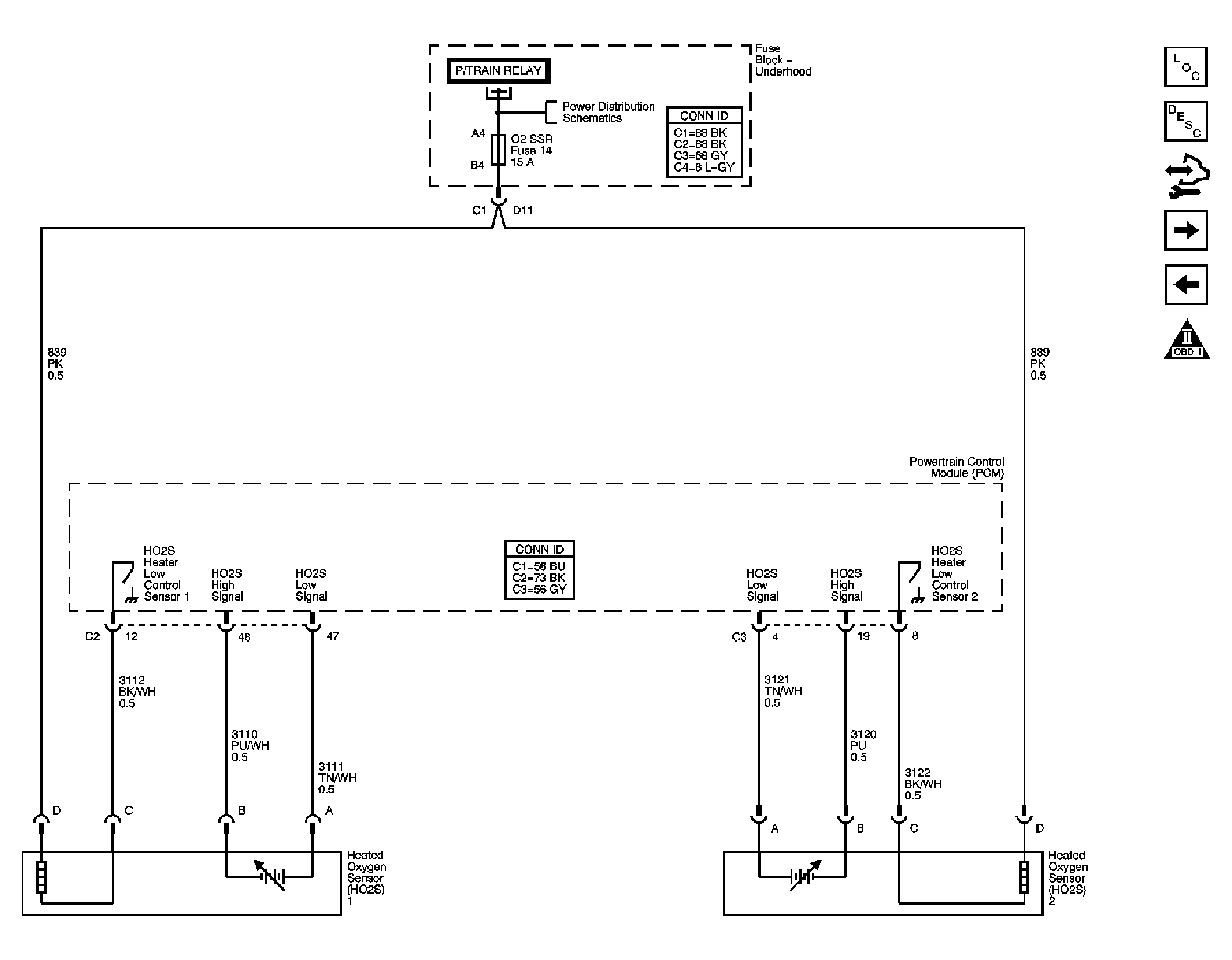
Fig 5: Engine Controls Schematic (Oxygen Sensors)
GM1801898Courtesy of GENERAL MOTORS CORP.
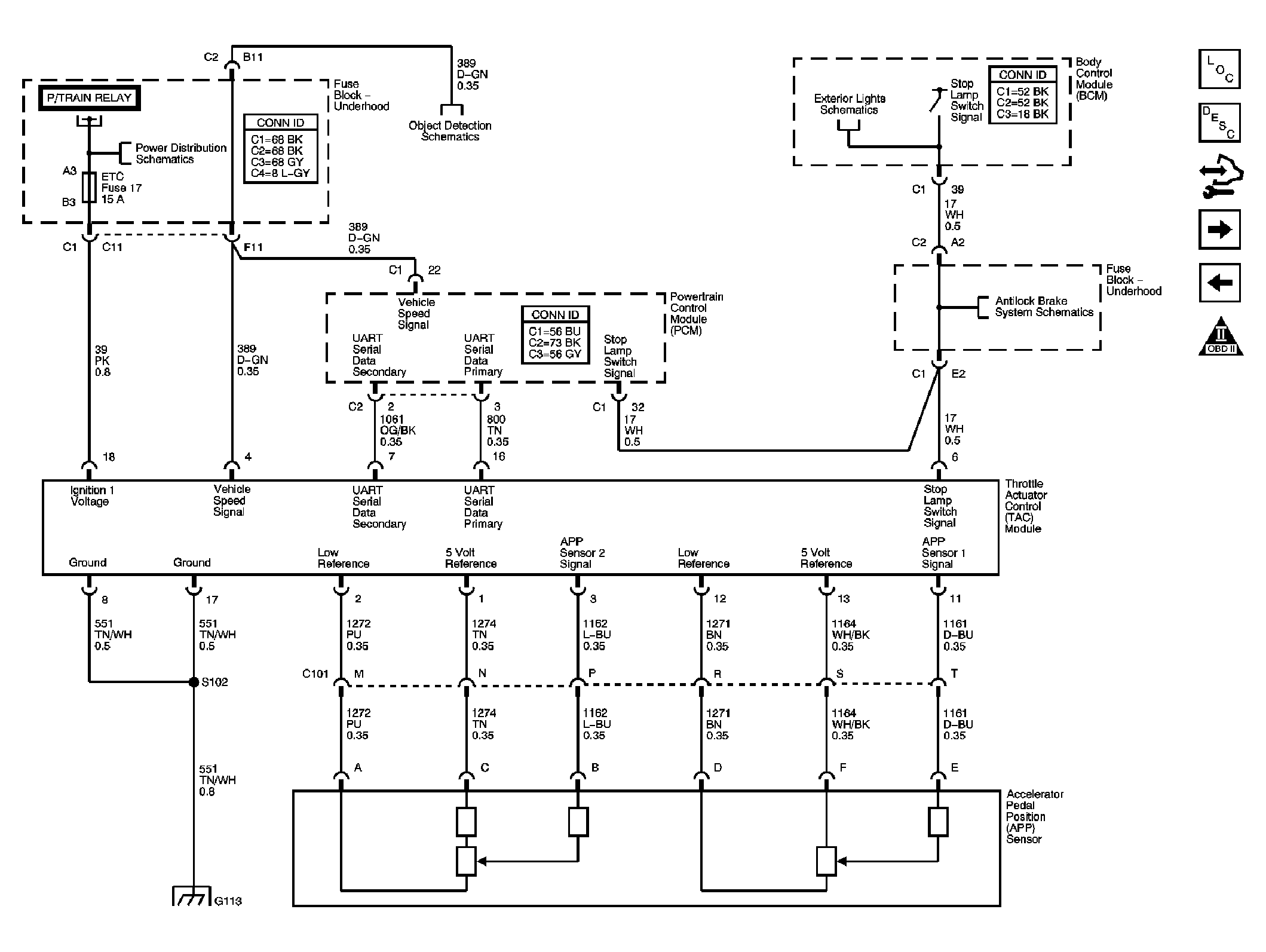
Fig 6: Engine Controls Schematic (Electronic Throttle Controls)
GM1801900Courtesy of GENERAL MOTORS CORP.
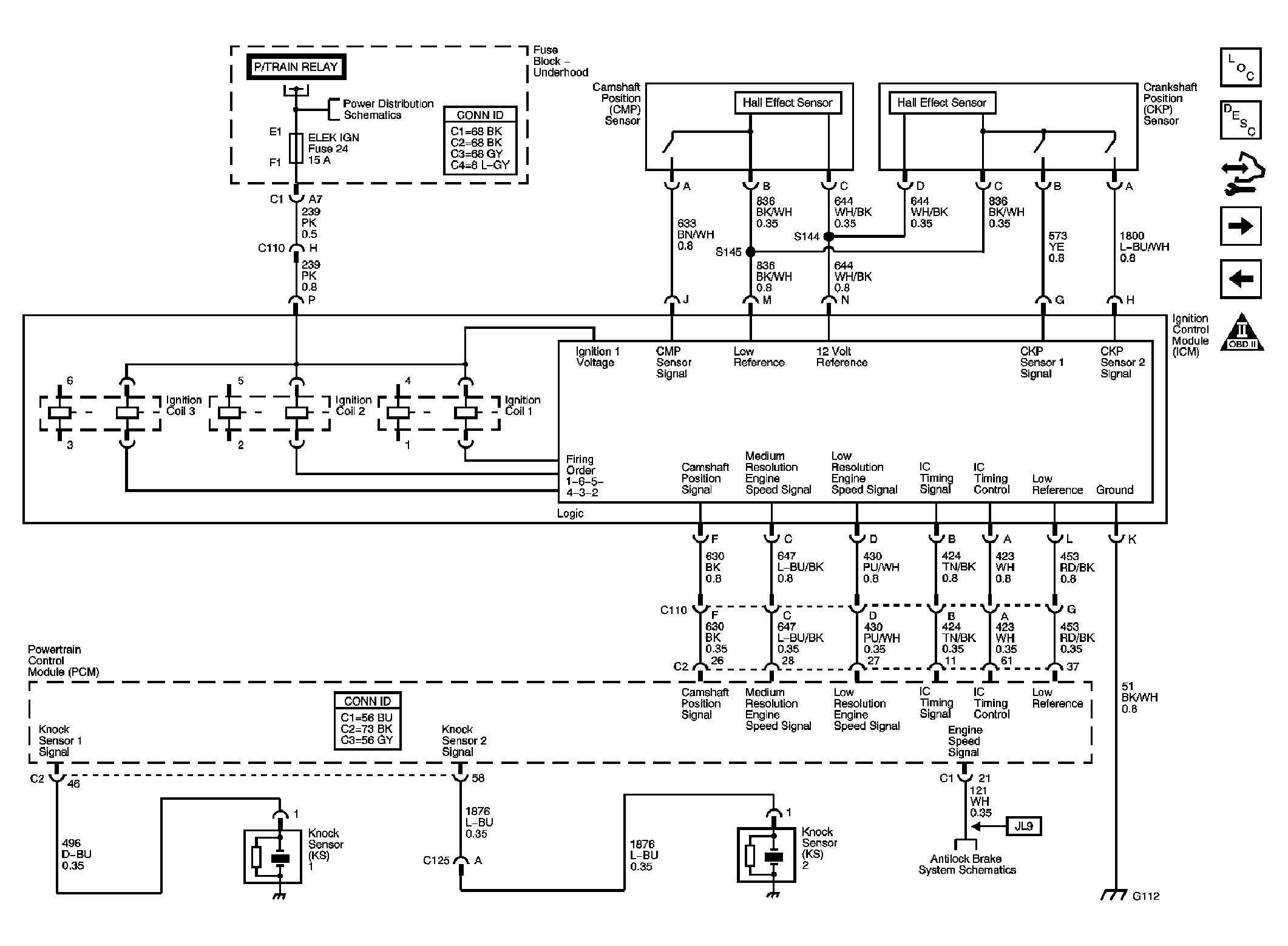
Fig 7: Engine Controls Schematic (Ignition Controls)
GM1801902Courtesy of GENERAL MOTORS CORP.
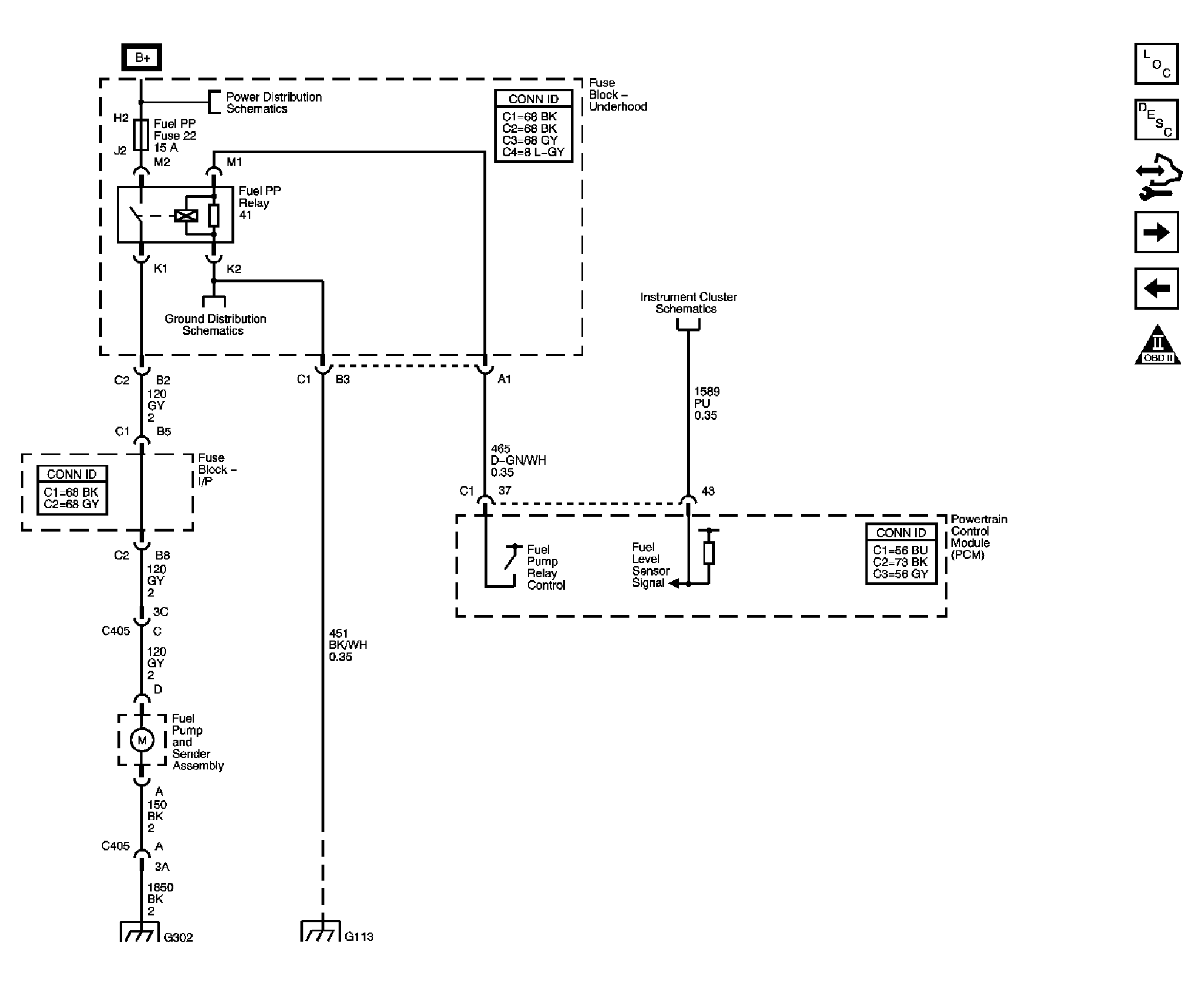
Fig 8: Engine Controls Schematic (Fuel Pump Controls)
GM1801925Courtesy of GENERAL MOTORS CORP.
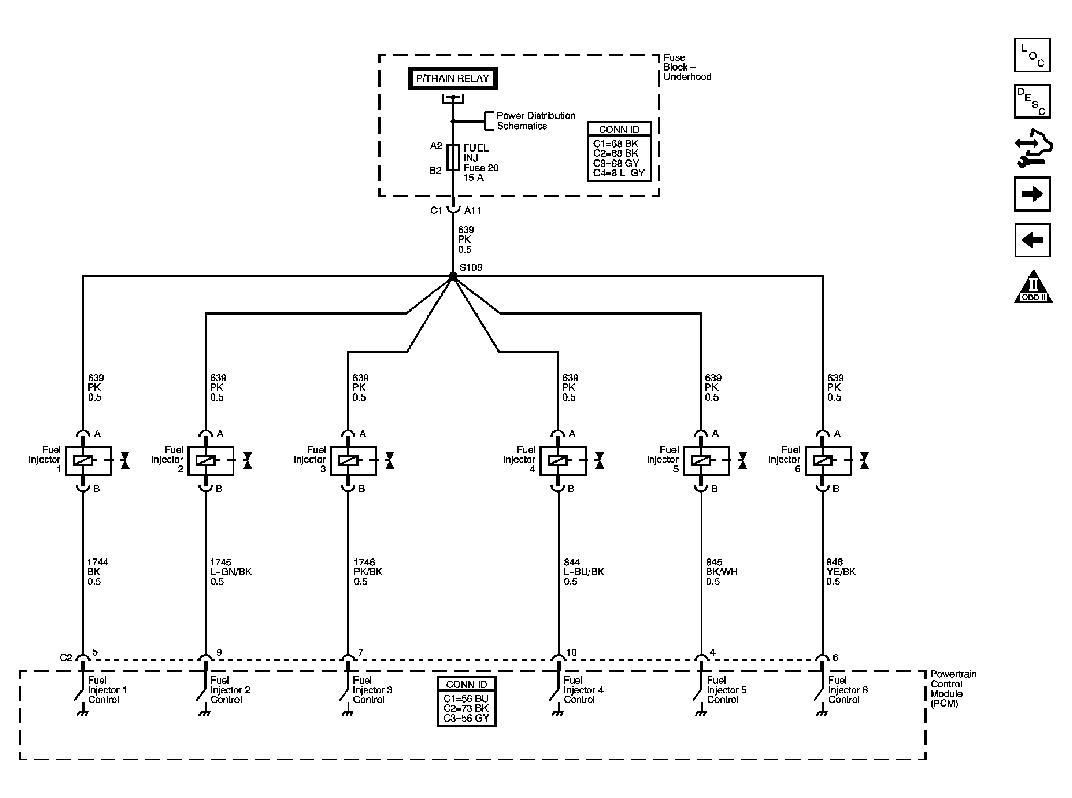
Fig 9: Engine Controls Schematic (Fuel Injectors)
GM1801930Courtesy of GENERAL MOTORS CORP.
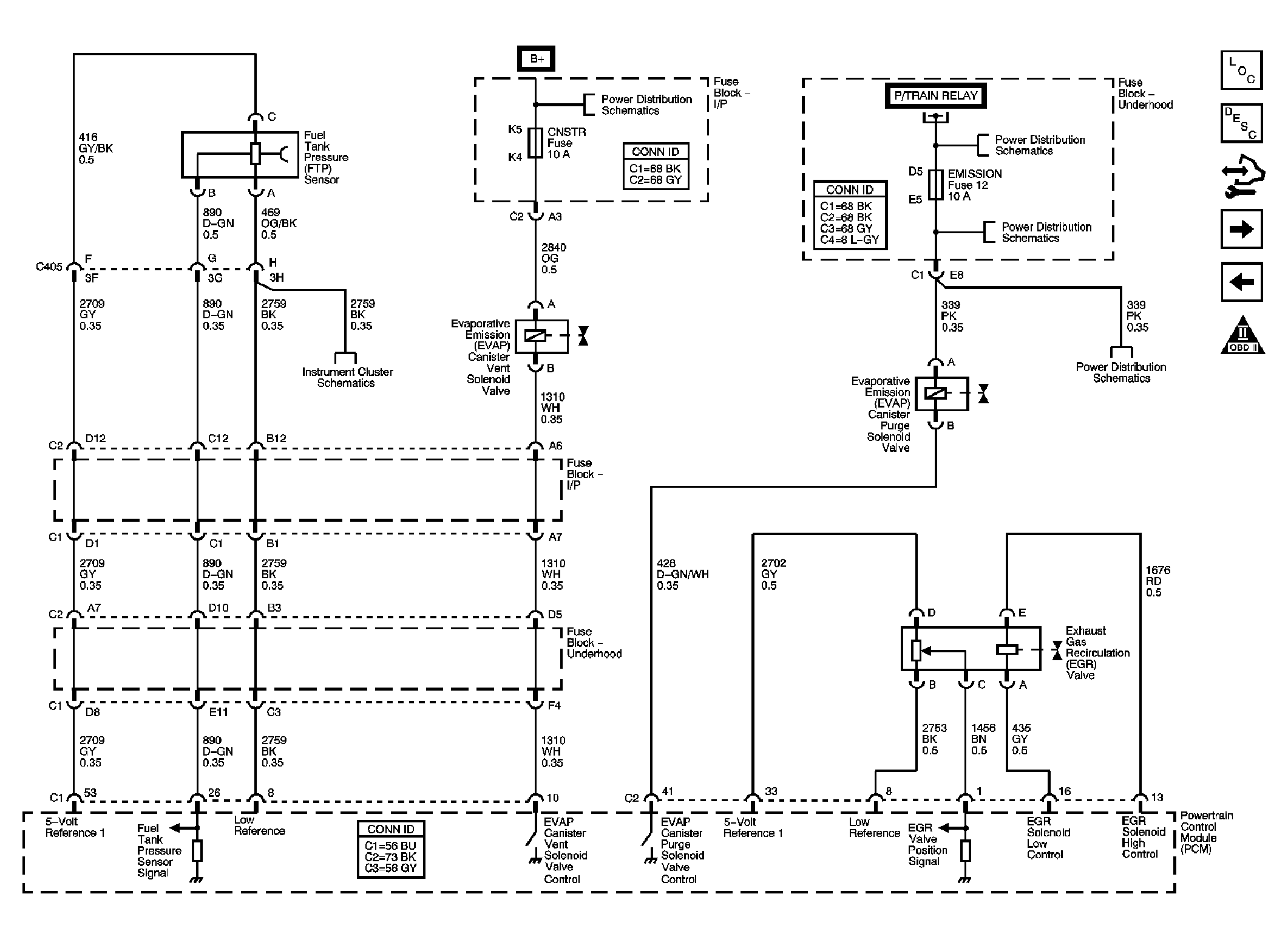
Fig 10: Engine Controls Schematic (EVAP, EGR, and FTP Controls)
GM1801933Courtesy of GENERAL MOTORS CORP.
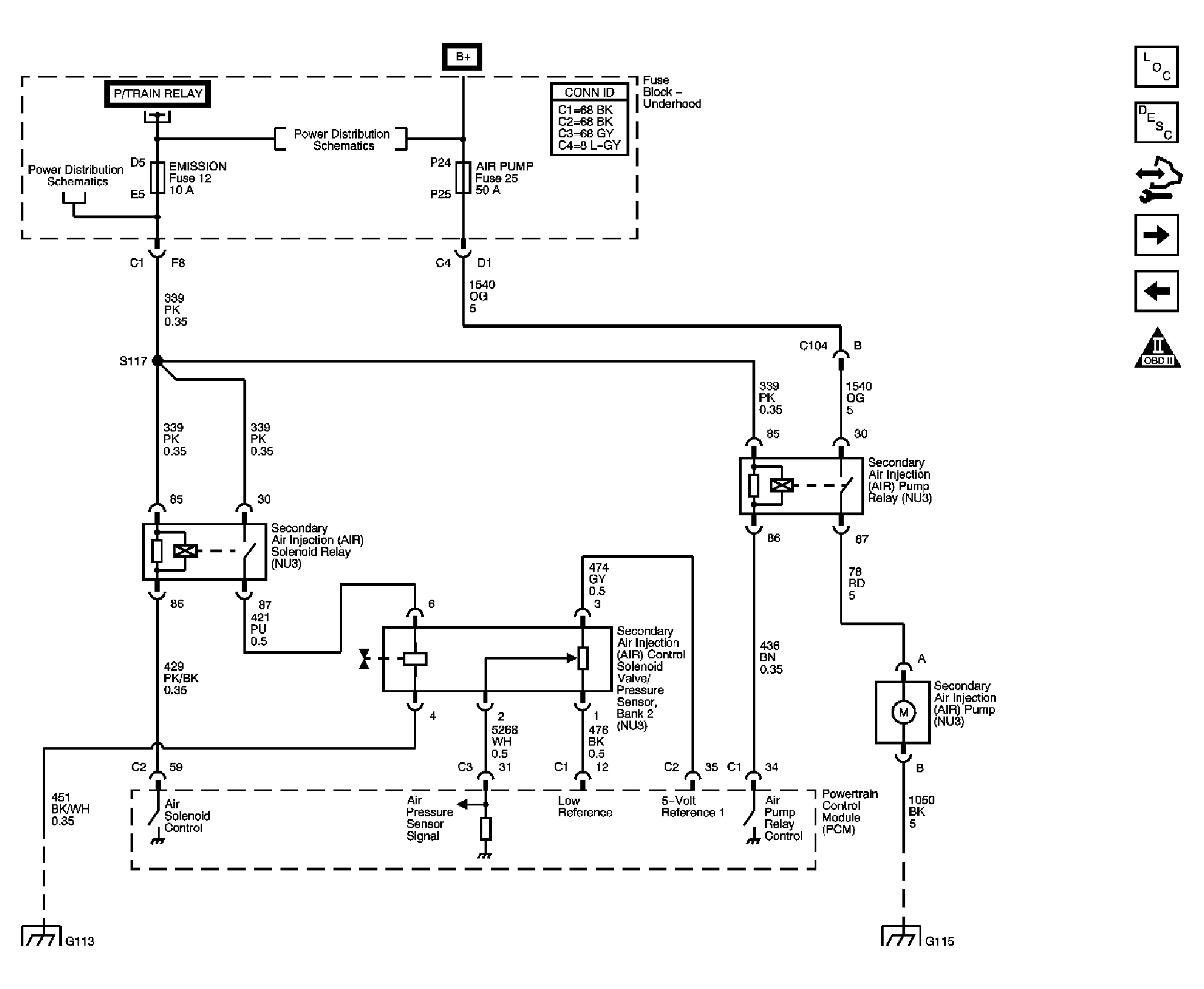
Fig 11: Engine Controls Schematic (AIR Controls - NU3)
GM1801936Courtesy of GENERAL MOTORS CORP.
Fig 12: Engine Controls Schematic (Controlled/Monitored Subsystem References)
GM1801943Courtesy of GENERAL MOTORS CORP.
Fig 13: Engine Controls Schematic (A/T Control References)
GM1801947Courtesy of GENERAL MOTORS CORP.