LEMON Manuals: Even more car manuals for everyone: 1960-2025
Home >> Buick >> 2007 >> Terraza V6-3.9L >> Repair and Diagnosis >> Relays and Modules >> Relays and Modules - Brakes and Traction Control >> Electronic Brake Control Module >> Service and Repair
April 5, 2026: LEMON Manuals is launched! Read the announcement.

Electronic Brake Control Module: Service and Repair



Electronic Brake Control Module Replacement

Removal Procedure

Notice: Always connect or disconnect the wiring harness connector from the EBCM/EBTCM with the ignition switch in the OFF position. Failure to observe this precaution could result in damage to the EBCM/EBTCM.

1. Turn the ignition switch to the OFF position.
2. Remove the air cleaner assembly from the engine compartment.




3. Disconnect the electronic brake control module (EBCM) harness connector (2).
4. Brush off any dirt/debris that has accumulated on the assembly.
5. Disconnect the pump motor connector at the bottom of the EBCM.

Important:
^ Do not damage the seal by prying the EBCM from the brake pressure modulator valve (BPMV).

^ Do not damage the solenoid valves while removing the EBCM from the BPMV.




Remove the EBCM to BPMV screws.




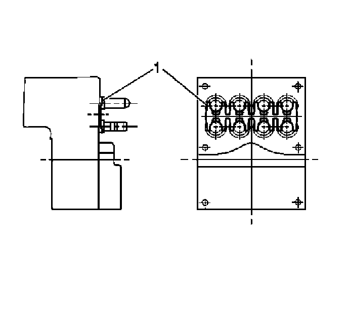
6. Separate the EBCM from the BPMV by gently pulling apart until separated (1).

Installation Procedure




1. Clean the BPMV surface with alcohol using a clean rag.
2. Install the EBCM (1) to the BPMV.

Notice: Refer to Fastener Notice.

3. Install the 6 screws that attaches the EBCM to BPMV.
^ Tighten the top 4 mounting screws to 5 N.m (44 lb in). Tighten screws in an X pattern.
^ Tighten the bottom 2 mounting screws to 5 N.m (44 lb in).

4. Connect the pump motor connector to the bottom of the EBCM.




5. Connect the electrical harness connector (2) to the EBCM.
6. Install the air cleaner assembly.
7. If a new EBCM was installed, the EBCM must be programmed.
8. Turn the ignition switch to the RUN position, do not start engine.
9. Perform the diagnostic system check.