LEMON Manuals: Even more car manuals for everyone: 1960-2025
Home >> Buick >> 2008 >> Allure Super >> Repair and Diagnosis >> Engine Performance >> System >> Engine Control System & Fuel System - 5.3L - Introduction (2 Of 2) >> Schematic and Routing Diagrams >> Engine Controls Schematics
April 5, 2026: LEMON Manuals is launched! Read the announcement.

Engine Controls Schematics

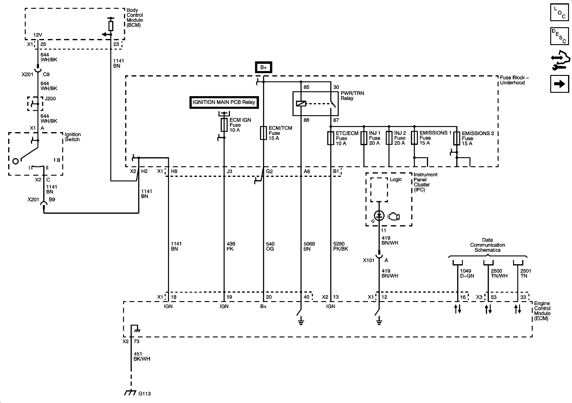
Fig 1: Module Power, Ground, Serial Data & MIL Schematic
GM1967475Courtesy of GENERAL MOTORS CORP.
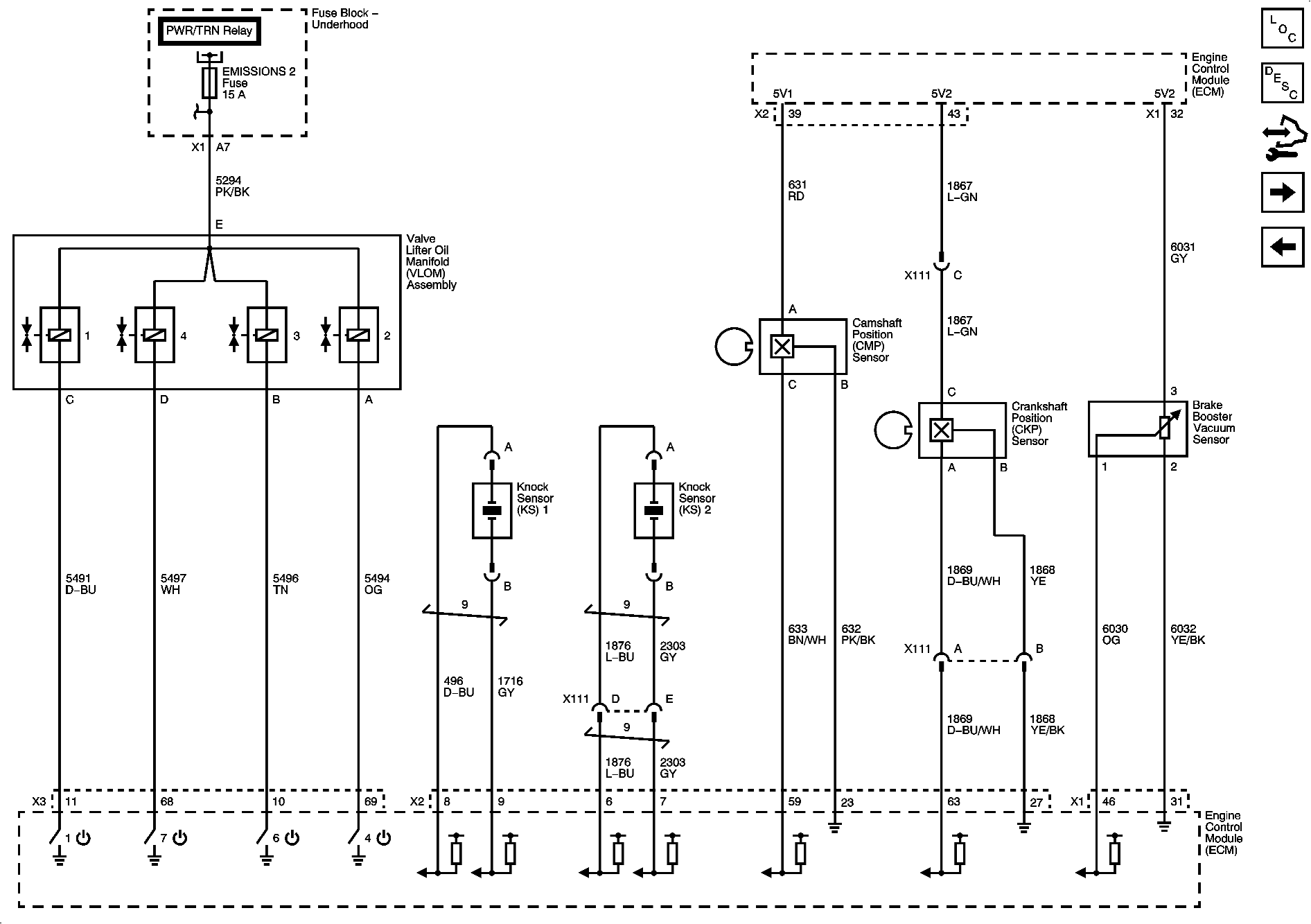
Fig 2: 5 Volt and Low Reference Schematic
GM1967476Courtesy of GENERAL MOTORS CORP.
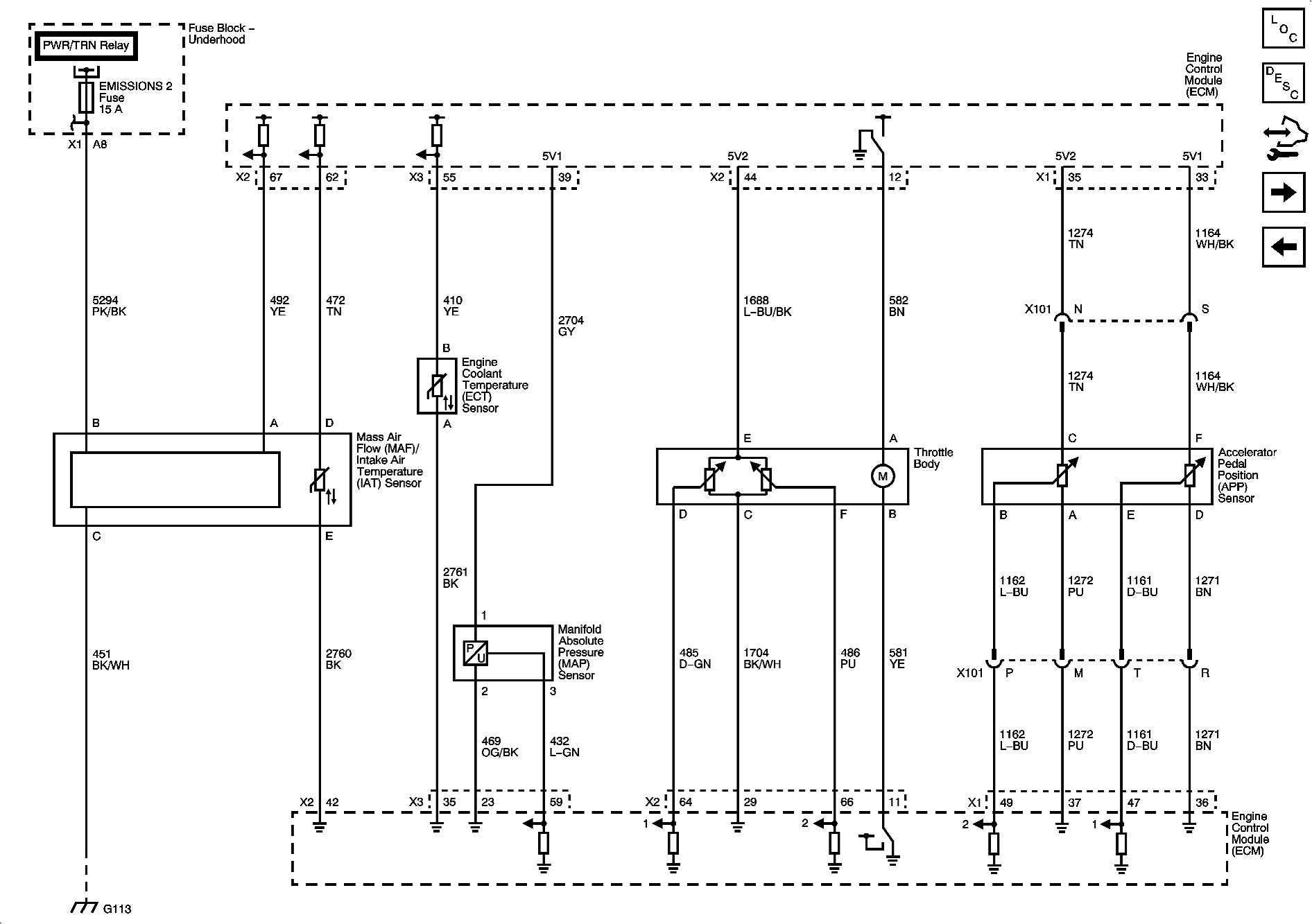
Fig 3: Engine Data Sensors Schematic - Pressure, Temperature & Throttle Control
GM1967477Courtesy of GENERAL MOTORS CORP.
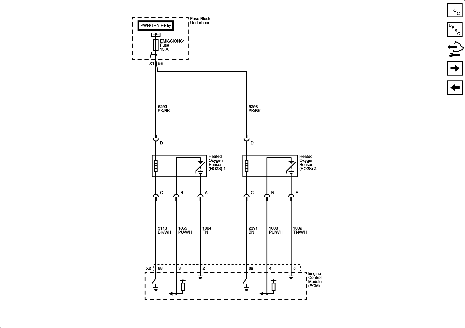
Fig 4: Engine Data Sensors Schematic - HO2S, Stop Lamp Switch Signal & Vehicle Speed Signal
GM1967482Courtesy of GENERAL MOTORS CORP.
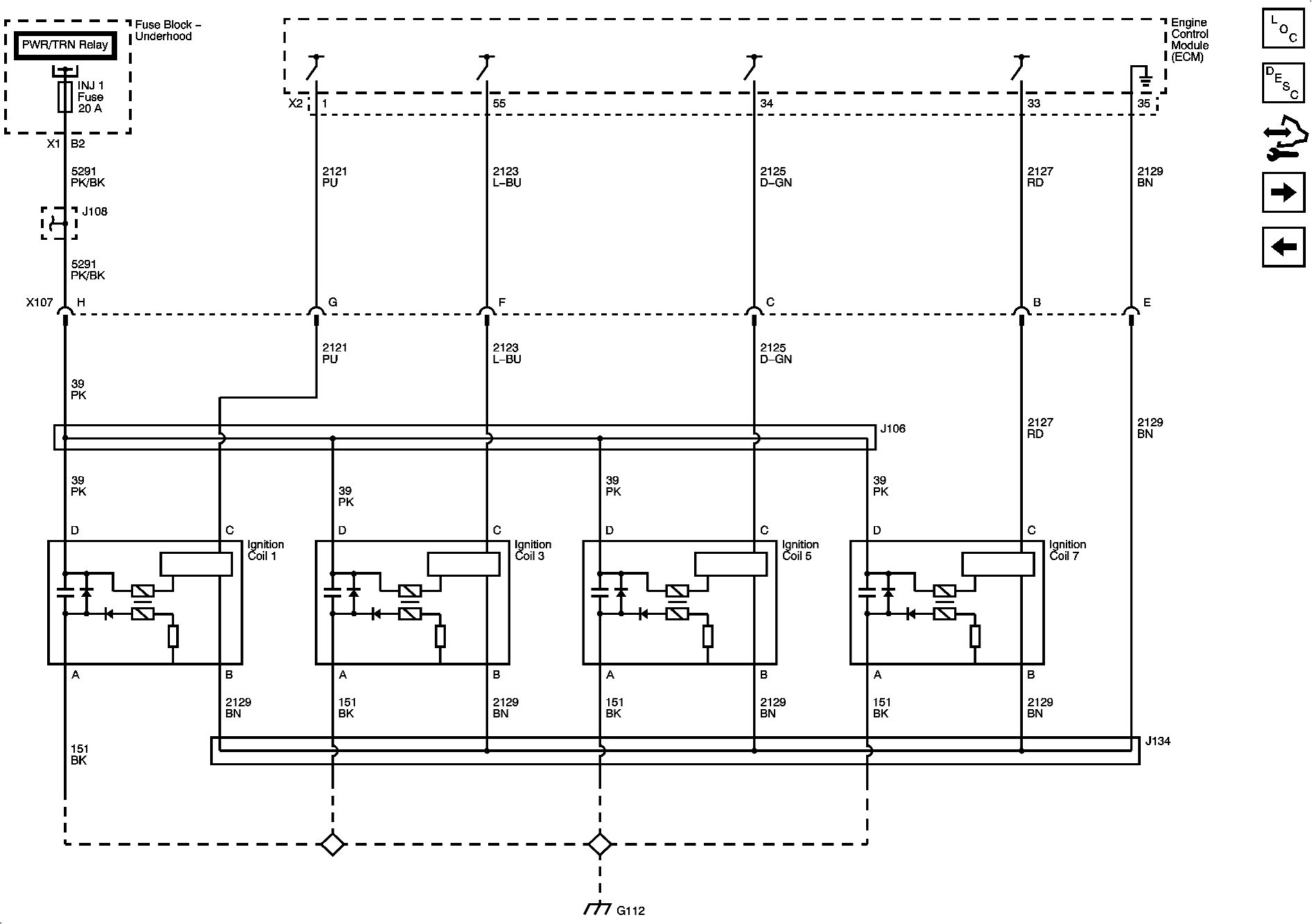
Fig 5: Ignition Controls Schematic - Ignition System Coils 1, 3, 5 & 7
GM1967488Courtesy of GENERAL MOTORS CORP.
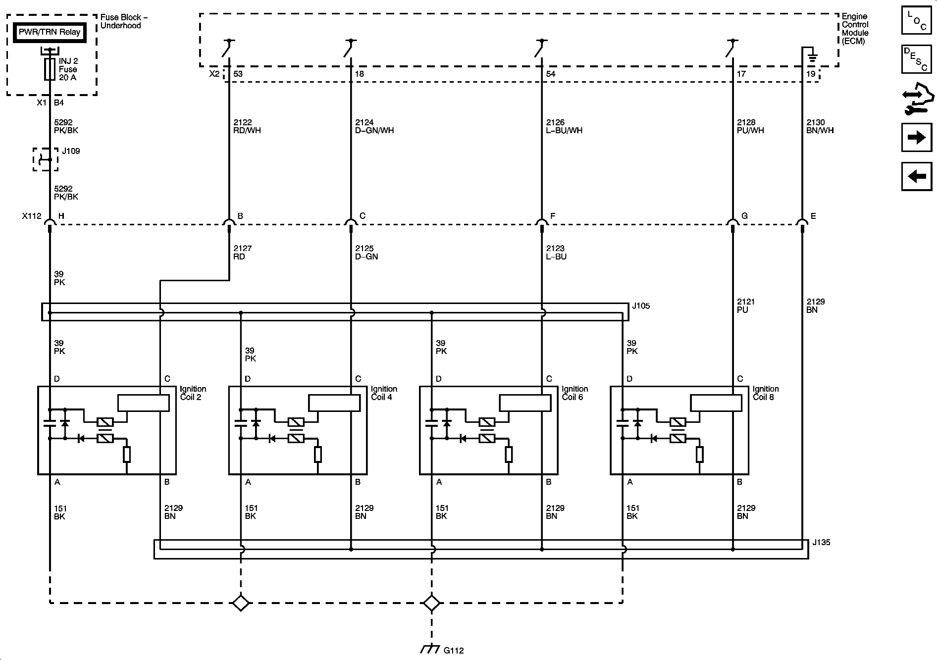
Fig 6: Ignition Controls Schematic - Ignition System Coils 2, 4, 6 & 8
GM1967493Courtesy of GENERAL MOTORS CORP.
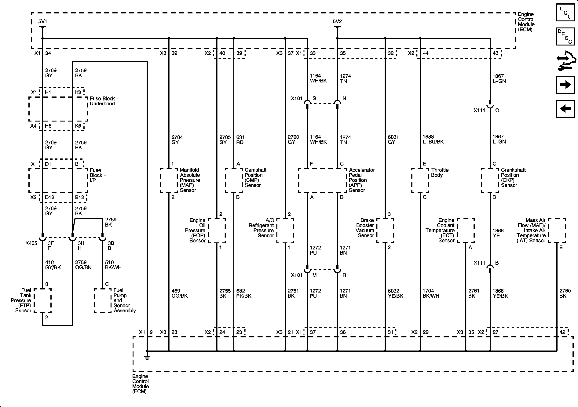
Fig 7: Ignition Controls Schematic - Sensors
GM1967494Courtesy of GENERAL MOTORS CORP.
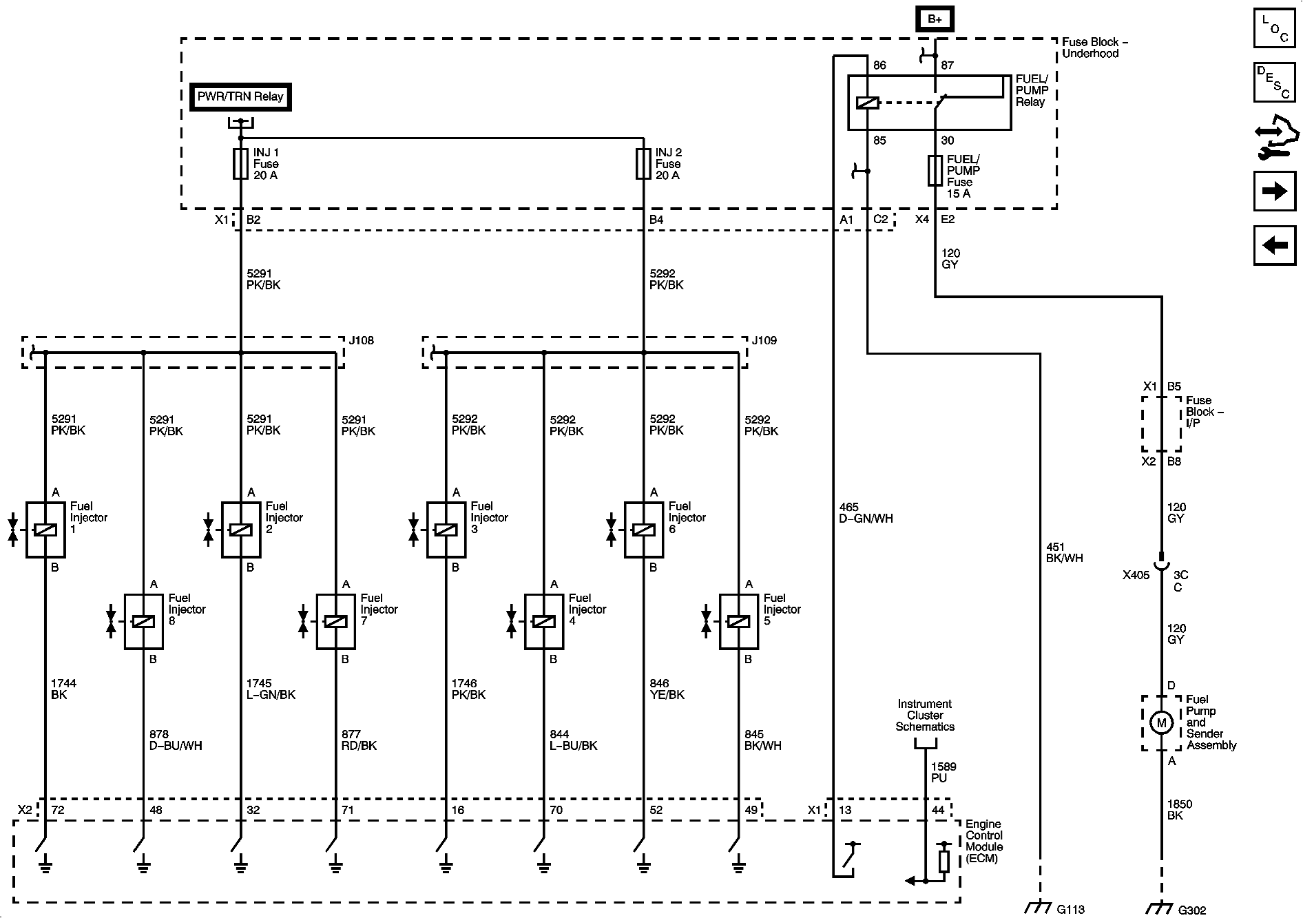
Fig 8: Fuel Controls Schematic - Fuel Injectors, and Fuel Pump Controls
GM1967495Courtesy of GENERAL MOTORS CORP.
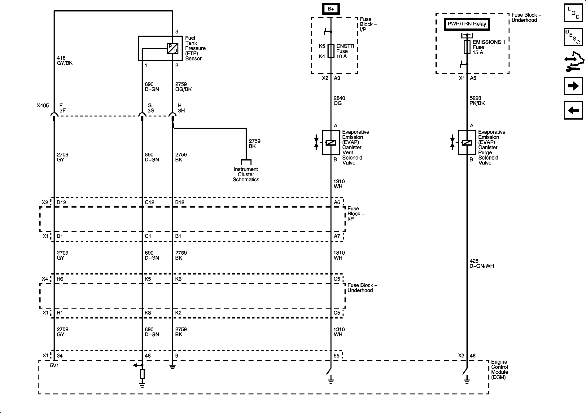
Fig 9: Fuel Controls Schematic - EVAP Controls
GM1967496Courtesy of GENERAL MOTORS CORP.
Fig 10: Monitored/Controlled Subsystem References Schematic
GM1967497Courtesy of GENERAL MOTORS CORP.