LEMON Manuals: Even more car manuals for everyone: 1960-2025
Home >> Buick >> 2009 >> Allure Super >> Repair and Diagnosis >> Accessories & Equipment >> Collision/Avoidance >> Object Detection System >> Schematic and Routing Diagrams >> Object Detection Schematics
April 5, 2026: LEMON Manuals is launched! Read the announcement.

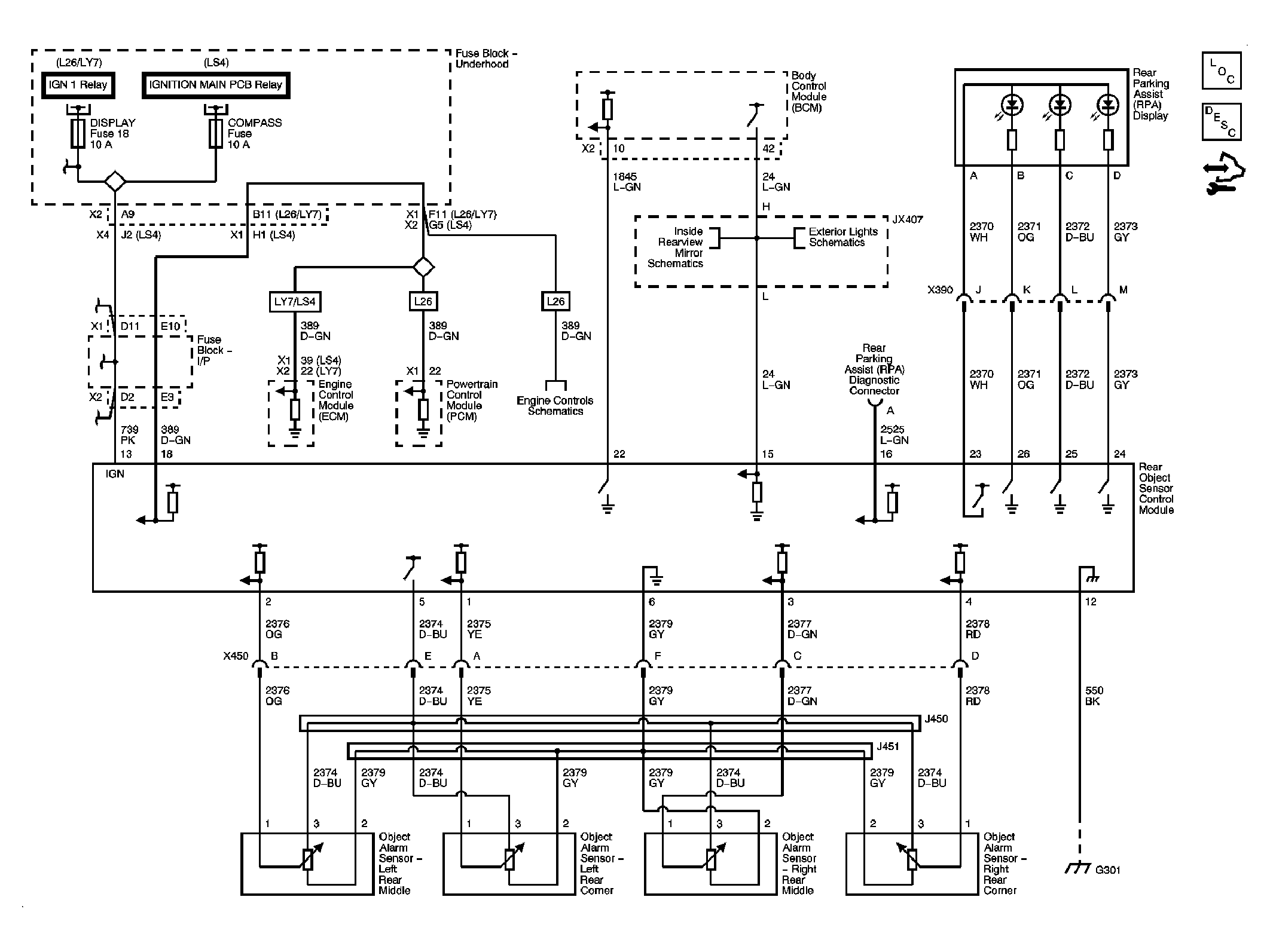
Object Detection Schematics

Fig 1: Object Detection Schematic
GM2082274Courtesy of GENERAL MOTORS CORP.