LEMON Manuals: Even more car manuals for everyone: 1960-2025
Home >> Buick >> 2009 >> Lucerne Super >> Repair and Diagnosis >> External Pages >> Different car >> Section 139 (Keyless Entry System And Remote Functions) >> Schematic and Routing Diagrams >> Remote Function Schematics
April 5, 2026: LEMON Manuals is launched! Read the announcement.

Remote Function Schematics

WARNING: This page is about a different car, the 2010 Cadillac DTS. However, it is still accessible from the selected car via links, so may be relevant.
Fig 1: Remote Control Door Lock Receiver (RCDLR)
GM2227997Courtesy of GENERAL MOTORS CORP.
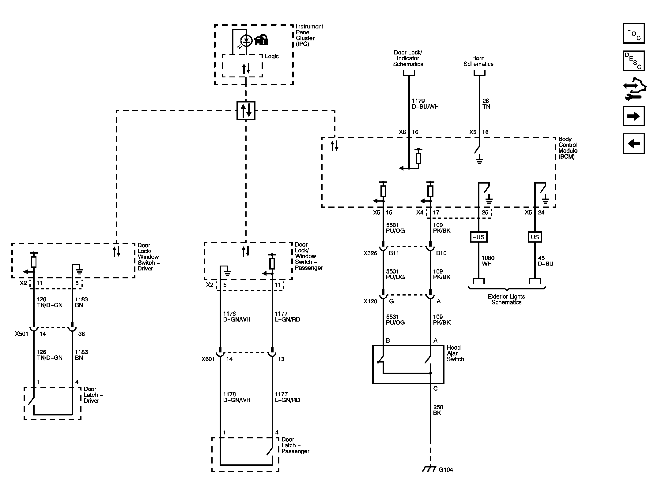
Fig 2: Door Latch Assemblies and Hood Ajar Switch
GM2228002Courtesy of GENERAL MOTORS CORP.
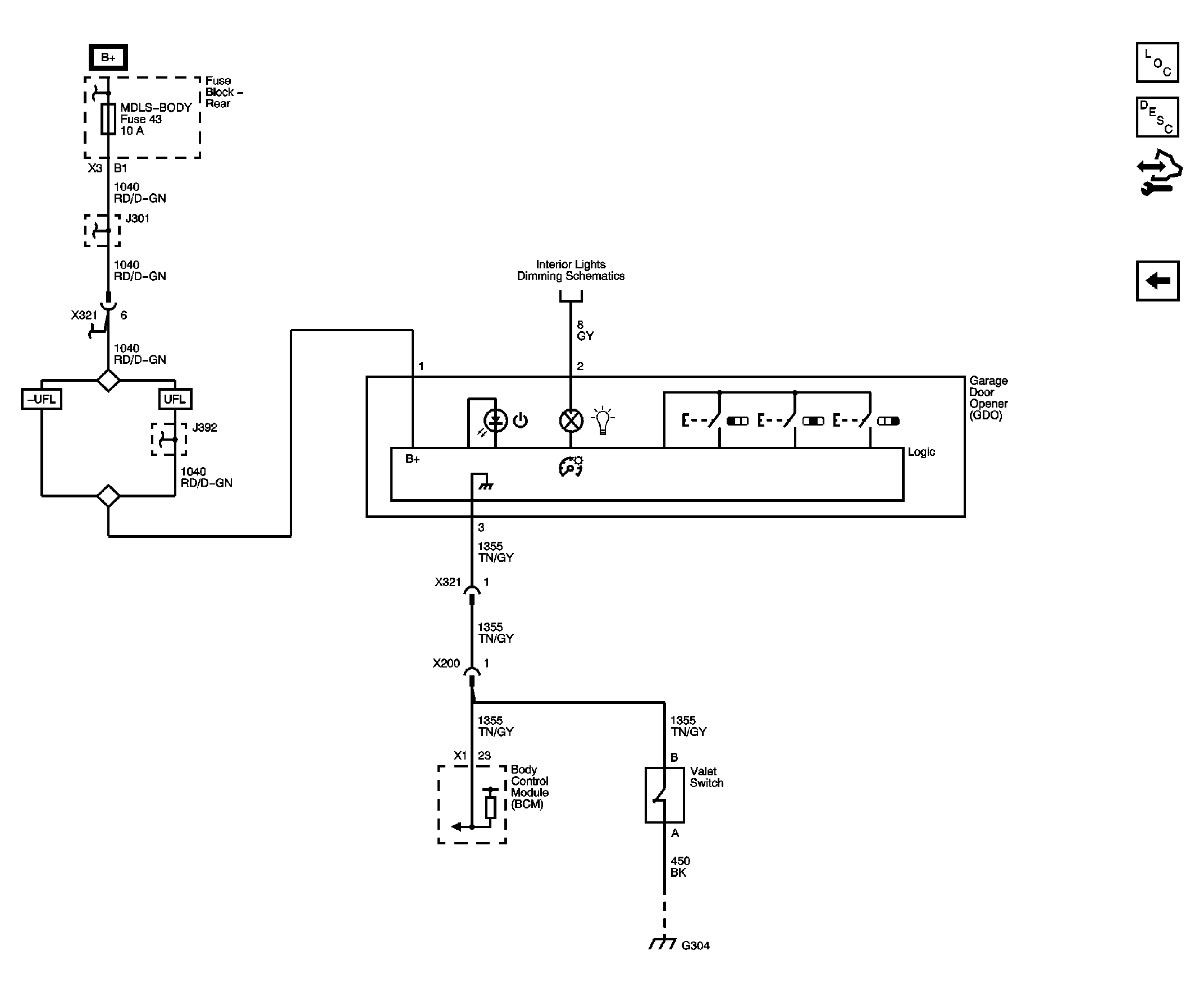
Fig 3: Garage Door Opener
GM2228005Courtesy of GENERAL MOTORS CORP.