LEMON Manuals: Even more car manuals for everyone: 1960-2025
Home >> Buick >> 2011 >> Lucerne CX >> Repair and Diagnosis >> Quick Lookups >> Electrical Component Locations >> Electrical Component Locator - Instrument Panel/Center Console Component Views >> Instrument Panel/Center Console Component Views >> HVAC Module Components (CJ2)
April 5, 2026: LEMON Manuals is launched! Read the announcement.

HVAC Module Components (CJ2)

HVAC Module Components (CJ2)

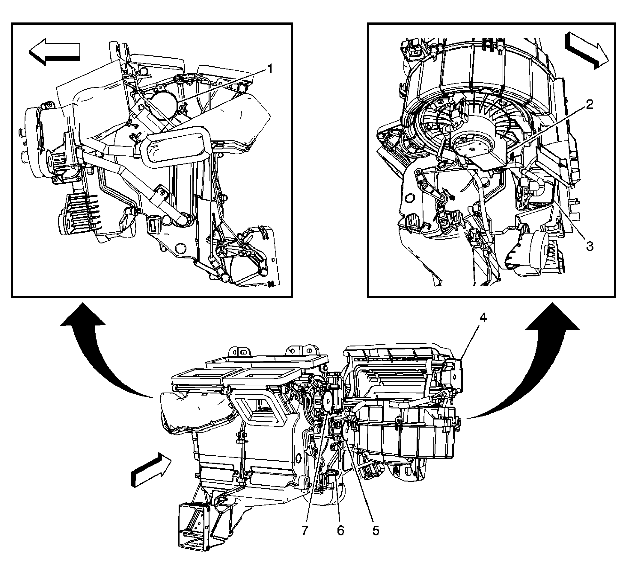
Component Name Callout
Air Temperature Actuator- Left (CJ4/CJ2) 1
Blower Motor 2
Blower Motor Control Module 3
Recirculation Actuator 4
Air Temperature Actuator- Front Right (CJ4/CJ2) 5
EVAP Temperature Sensor 6
Mode Actuator 7
Fig 1: Identifying HVAC Module Components (CJ2)
GM1707675Courtesy of GENERAL MOTORS COMPANY