LEMON Manuals: Even more car manuals for everyone: 1960-2025
Home >> Buick >> 2012 >> LaCrosse Touring >> Repair and Diagnosis >> External Pages >> Different car >> Section 187 (Object Detection System) >> Schematic and Routing Diagrams >> Object Detection Schematics
April 5, 2026: LEMON Manuals is launched! Read the announcement.

Object Detection Schematics

WARNING: This page is about a different car, the 2010 Buick LaCrosse. However, it is still accessible from the selected car via links, so may be relevant.
Fig 1: Side Object Detection
GM2205189Courtesy of GENERAL MOTORS CORP.
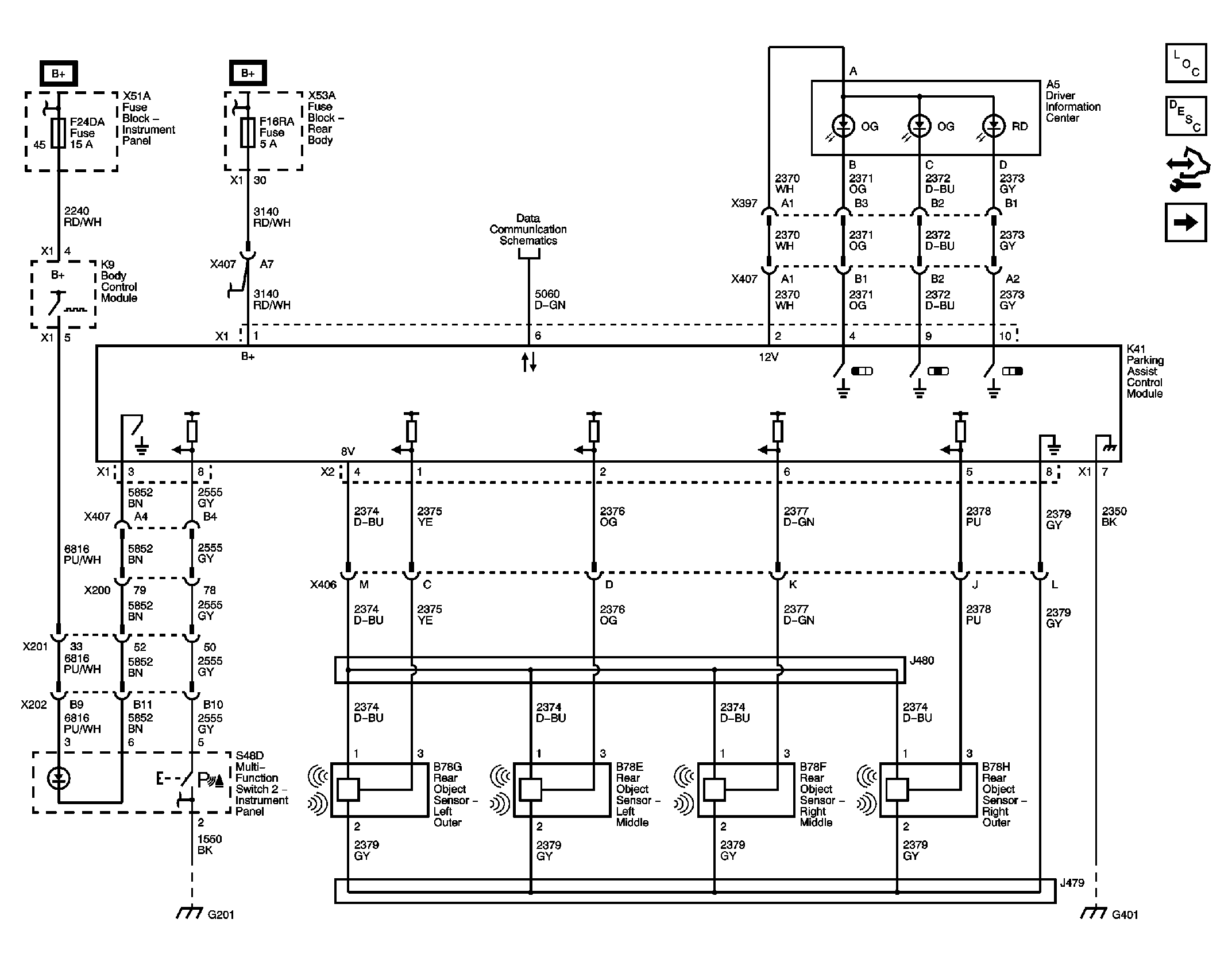
Fig 2: Rear Object Detection
GM2205173Courtesy of GENERAL MOTORS CORP.
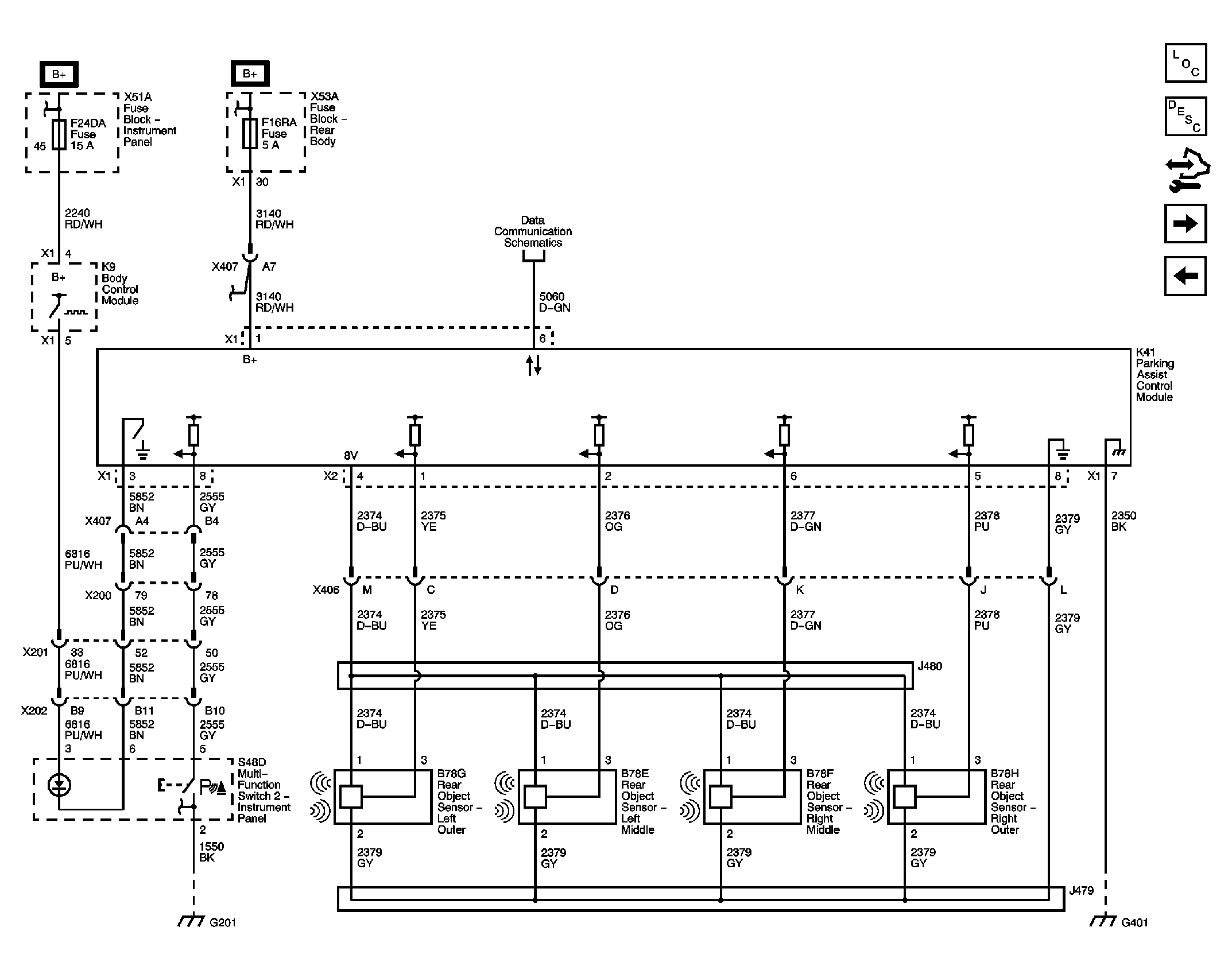
Fig 3: Rear Object Detection (Early Production)
GM2293275Courtesy of GENERAL MOTORS CORP.
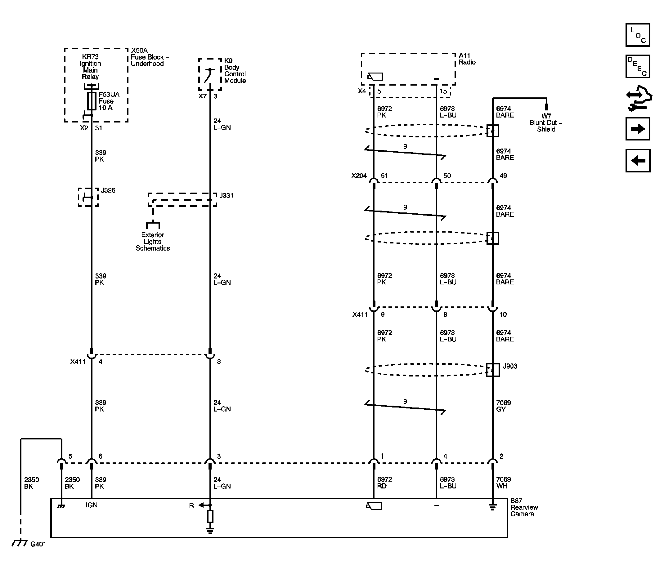
Fig 4: Rear Vision Camera (UVC)
GM2205183Courtesy of GENERAL MOTORS CORP.
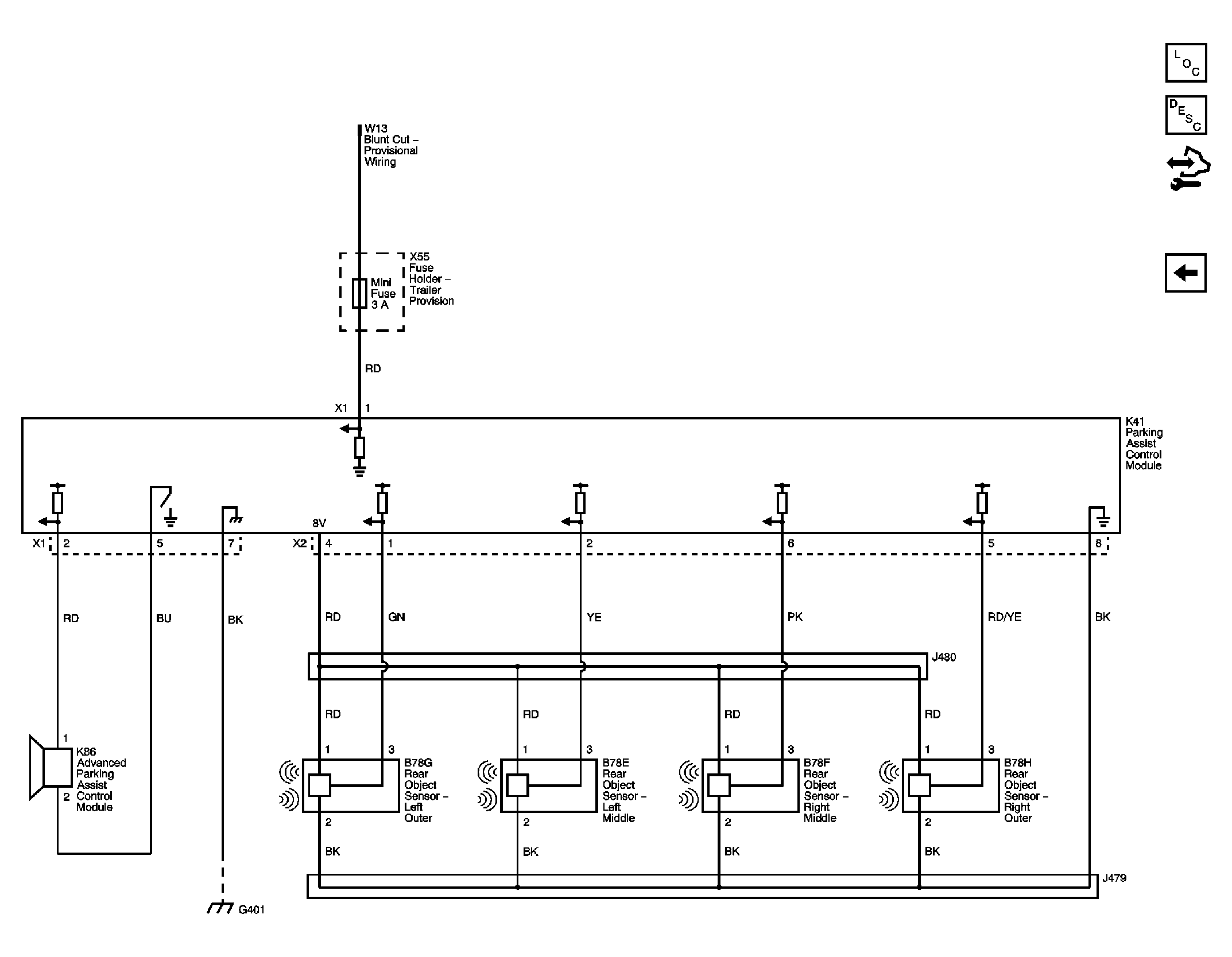
Fig 5: Rear Parking Assist Kit (SPO Accessory)
GM2280032Courtesy of GENERAL MOTORS CORP.