LEMON Manuals: Even more car manuals for everyone: 1960-2025
Home >> Buick >> 2012 >> Regal Base >> Repair and Diagnosis >> External Pages >> Different car >> Section 211 (Power Door Lock System And Release Systems) >> Wiring Schematics >> Release Systems Schematics
April 5, 2026: LEMON Manuals is launched! Read the announcement.

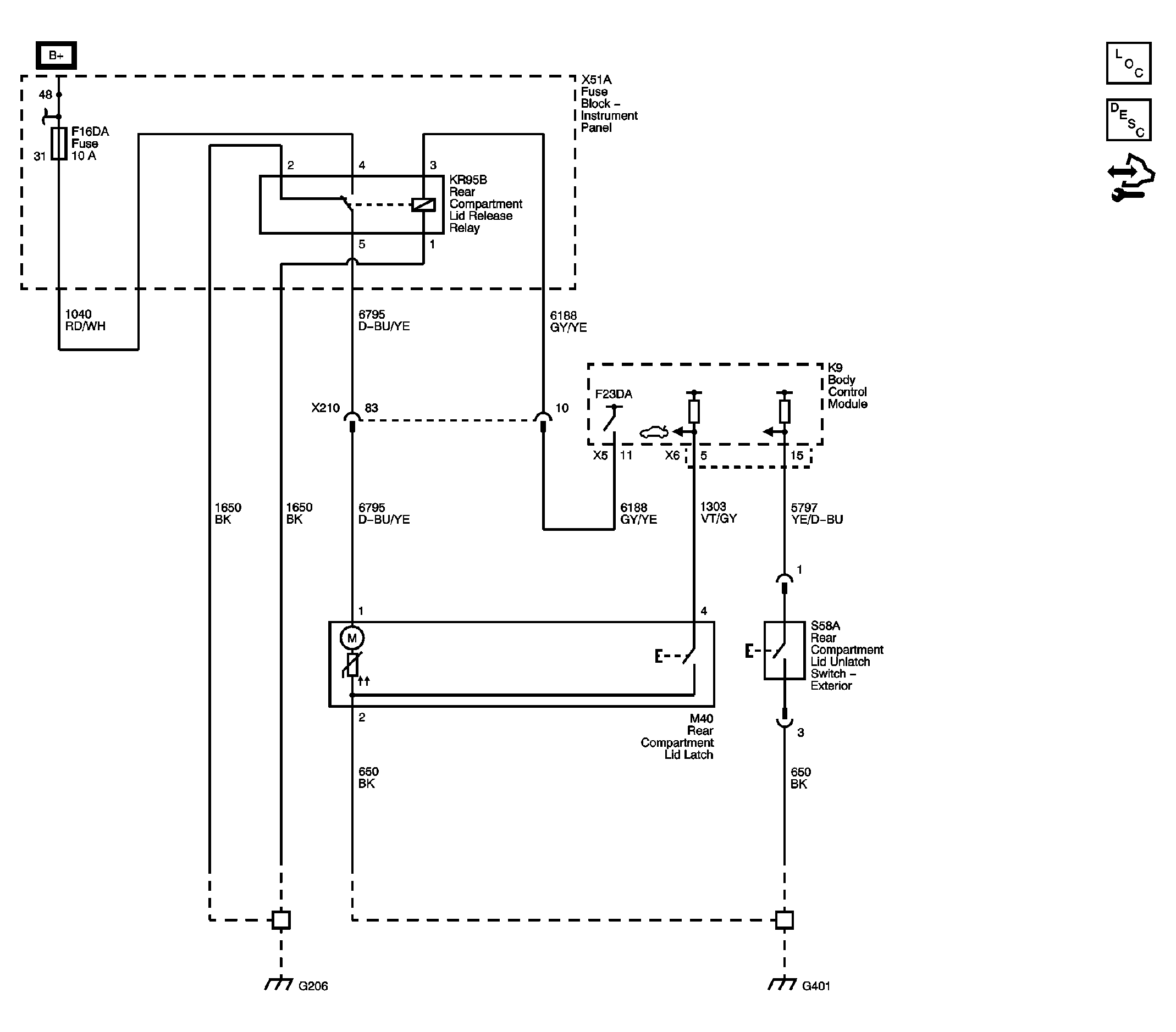
Release Systems Schematics

WARNING: This page is about a different car, the 2011 Buick Regal. However, it is still accessible from the selected car via links, so may be relevant.
Fig 1: Release Systems Wiring Schematic
GM2375447Courtesy of GENERAL MOTORS CORP.