LEMON Manuals: Even more car manuals for everyone: 1960-2025
Home >> Buick >> 2013 >> Verano Base >> Repair and Diagnosis >> Accessories & Equipment >> Entertainment Systems >> Cellular System, Entertainment System, And Navigation System >> Schematic Wiring Diagrams >> Radio/Navigation System Wiring Schematics >> Auxiliary Audio Input
April 5, 2026: LEMON Manuals is launched! Read the announcement.

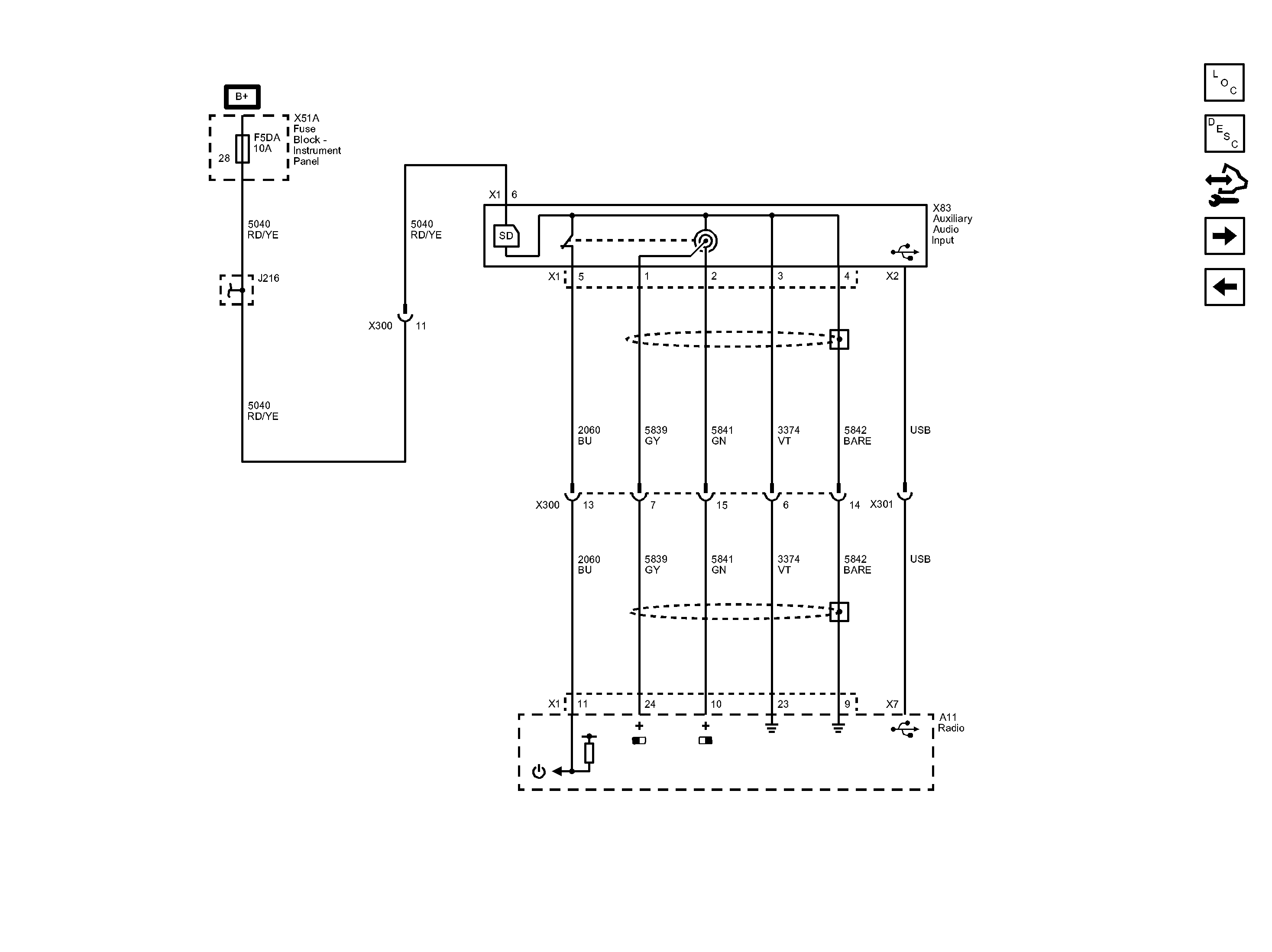
Auxiliary Audio Input

Fig 1: Auxiliary Audio Input Wiring Schematic
GM2852424Courtesy of GENERAL MOTORS COMPANY