LEMON Manuals: Even more car manuals for everyone: 1960-2025
Home >> Buick >> 2014 >> LaCrosse Premium, AWD >> Repair and Diagnosis >> Accessories & Equipment >> Drivers Assistance Systems - ADAS >> Object Detection System And Pedestrian Protection System >> Schematic Wiring Diagrams >> Object Detection Wiring Schematics >> Side Object Detection (UFT)
April 5, 2026: LEMON Manuals is launched! Read the announcement.

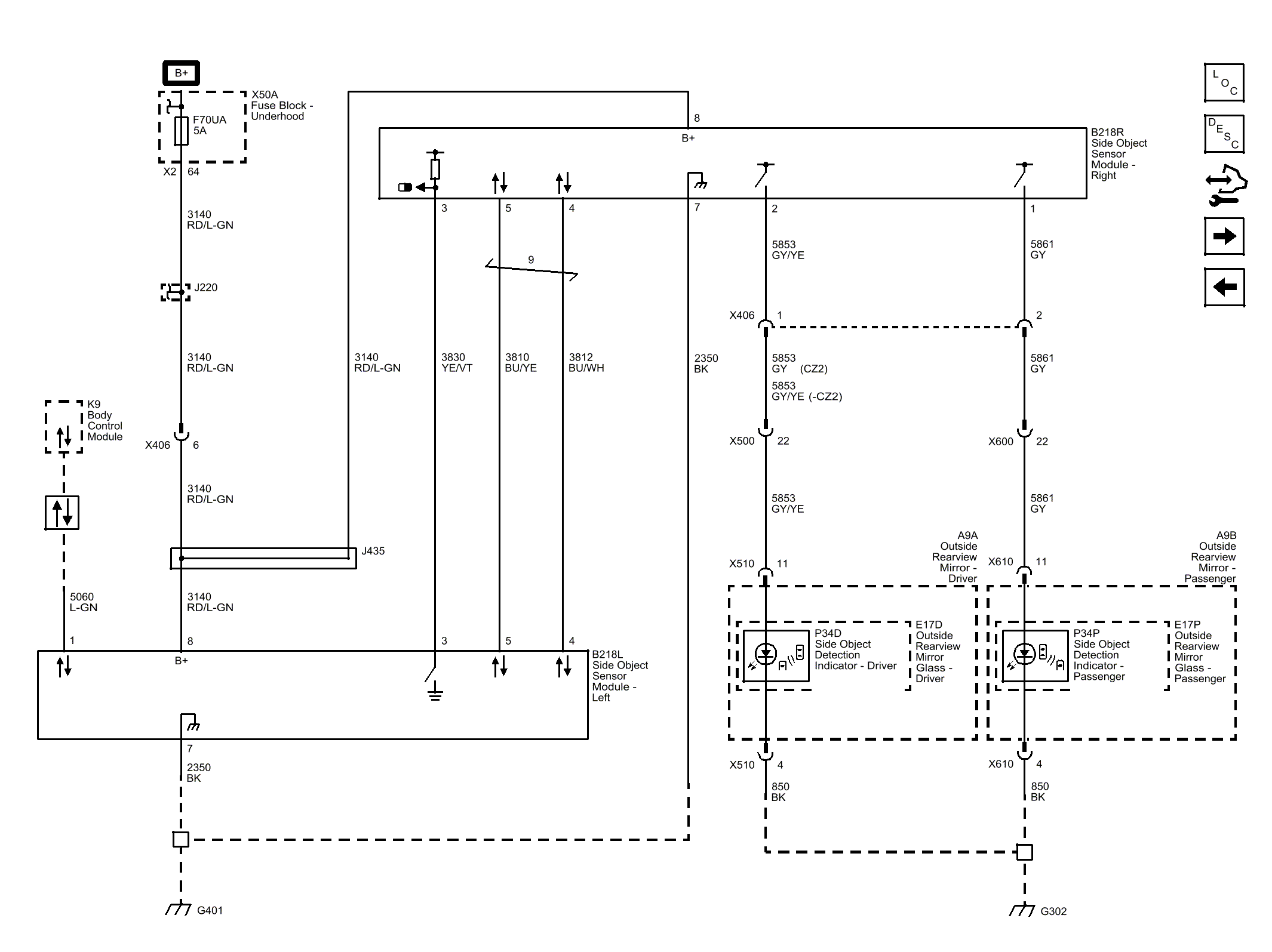
Side Object Detection (UFT)

Fig 1: Side Object Detection Wiring Schematic (UFT)
GM3250768Courtesy of GENERAL MOTORS COMPANY