LEMON Manuals: Even more car manuals for everyone: 1960-2025
Home >> Buick >> 2014 >> Verano Base >> Repair and Diagnosis >> Electrical >> Charging Systems >> Battery, Charging System And Starting System >> Repair Instructions >> Battery Current Sensor Replacement >> Installation Procedure
April 5, 2026: LEMON Manuals is launched! Read the announcement.

Installation Procedure

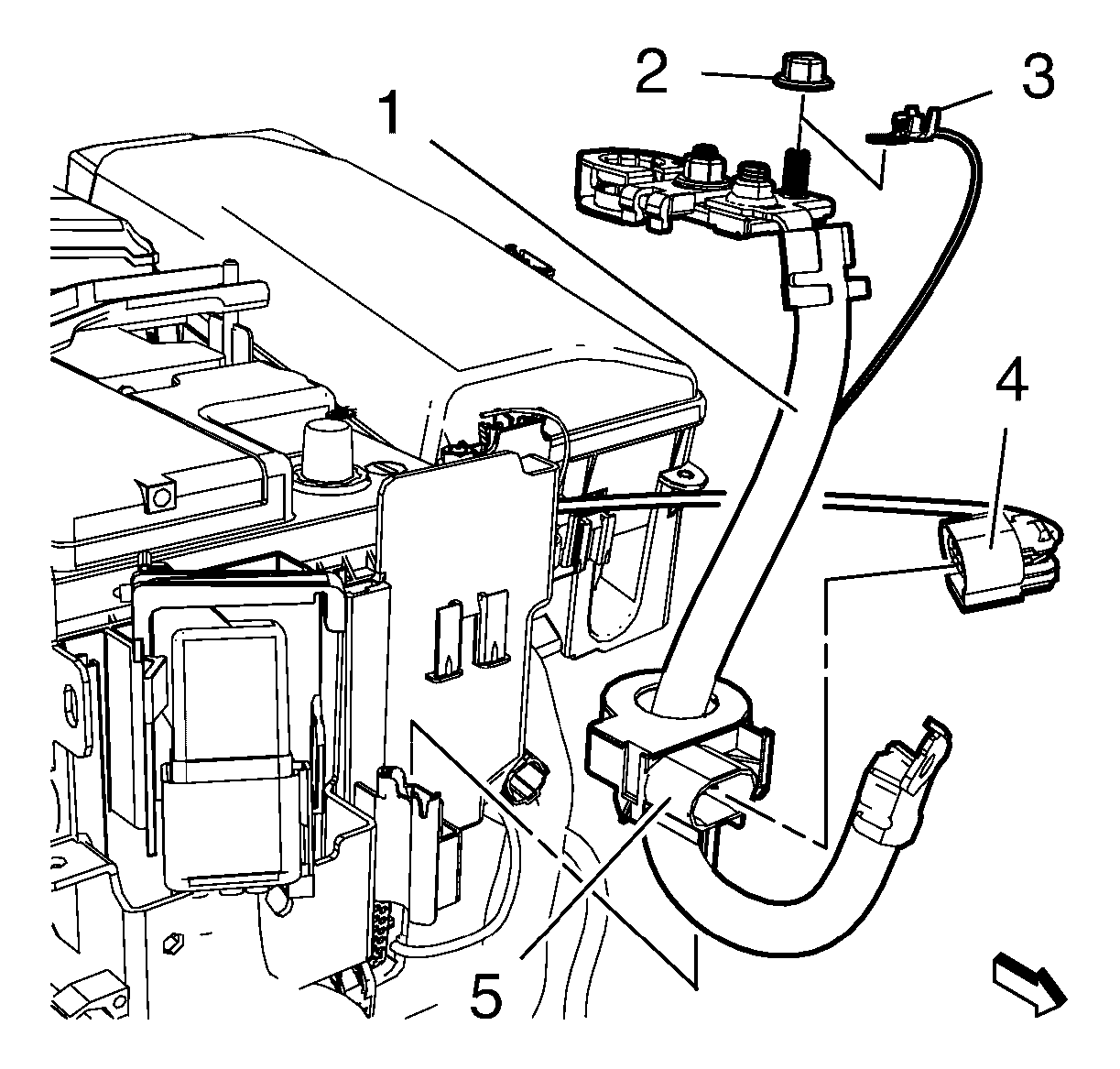
    Fig 1: Battery Negative Cable And Current Sensor
    GM2027819Courtesy of GENERAL MOTORS COMPANY
  1. Install the current sensor (2) at the battery negative cable (1).
  2. Fig 2: Wiring Harness Current Sensor Plug
    GM2027817Courtesy of GENERAL MOTORS COMPANY
  3. Install the current sensor (5) at the battery tray.
  4. Connect the wiring harness current sensor plug (4).
  5. Fig 3: Battery Negative Cable And Battery Ground Cable Nut
    GM2027762Courtesy of GENERAL MOTORS COMPANY
  6. Install the negative cable (2).
  7. CAUTION:

    Refer to Fastener Caution .

  8. Install the negative cable nut (1) and tighten to 9 N.m (80 lb in).
  9. Connect the battery negative cable. Refer to Battery Negative Cable Disconnection and Connection .