LEMON Manuals: Even more car manuals for everyone: 1960-2025
Home >> Buick >> 2015 >> Regal GS, FWD, Automatic Trans >> Repair and Diagnosis >> Body & Frame >> Door Locks >> Keyless Entry System And Remote Functions >> Schematic Wiring Diagrams >> Remote Function Wiring Schematics >> Keyless Entry
April 5, 2026: LEMON Manuals is launched! Read the announcement.

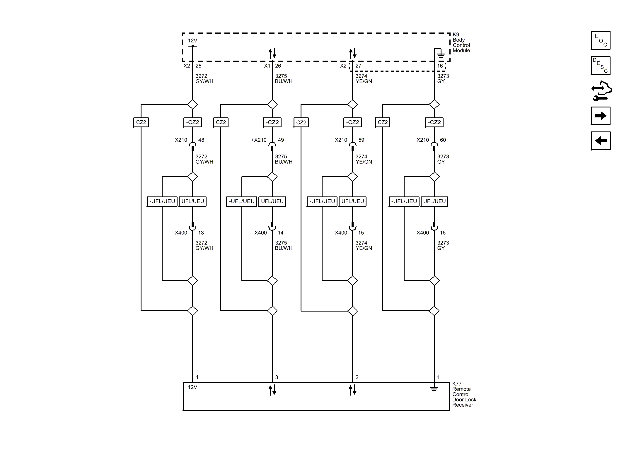
Keyless Entry

Fig 1: Keyless Entry
GM3770204Courtesy of GENERAL MOTORS COMPANY