LEMON Manuals: Even more car manuals for everyone: 1960-2025
Home >> Buick >> 2016 >> Cascada Premium >> Repair and Diagnosis >> Accessories & Equipment >> Collision/Avoidance >> Object Detection System And Pedestrian Protection System >> Schematic Wiring Diagrams >> Object Detection Wiring Schematics >> Power, Ground, Serial Data, Controls and Display
April 5, 2026: LEMON Manuals is launched! Read the announcement.

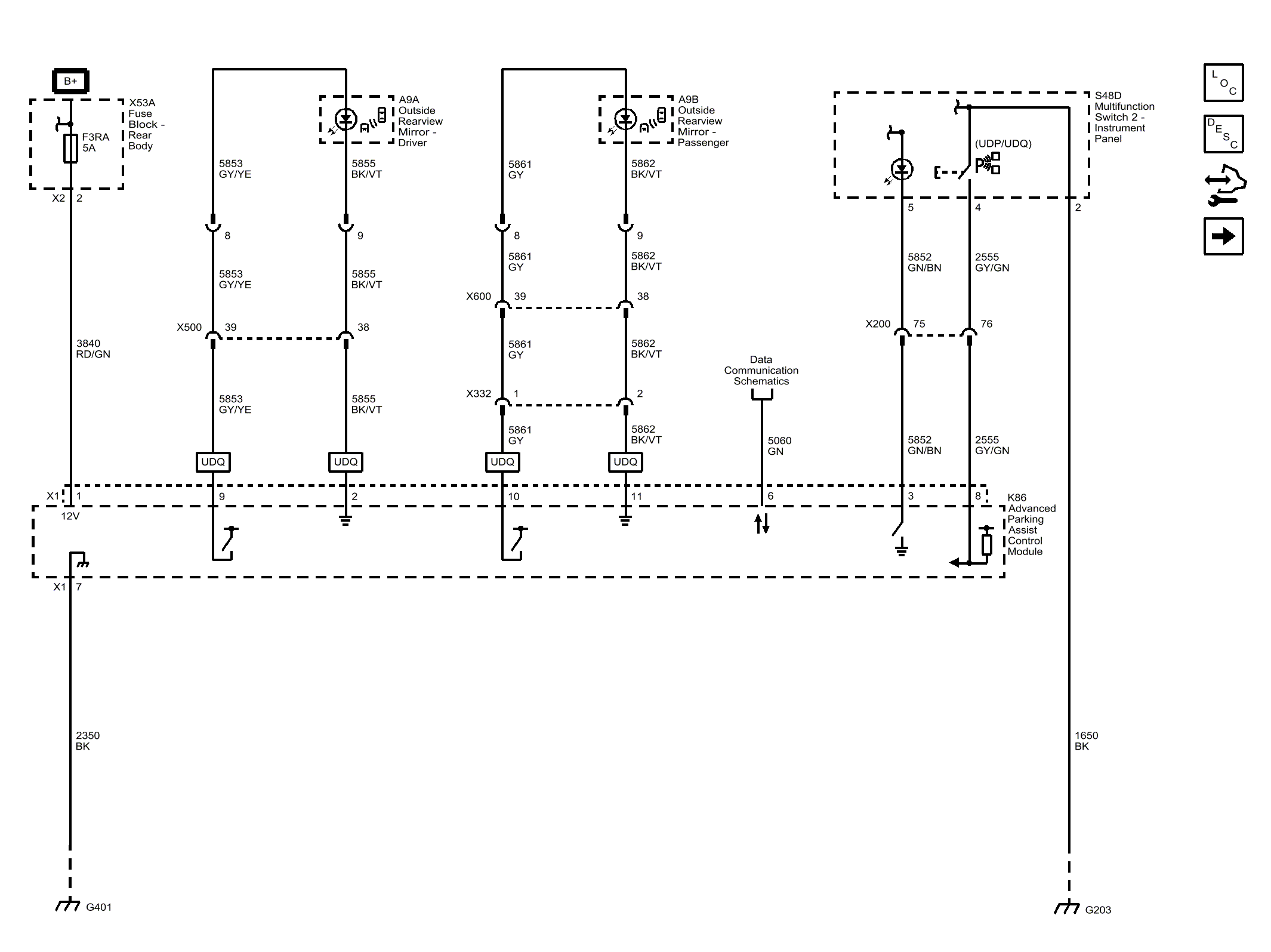
Power, Ground, Serial Data, Controls and Display

Fig 1: Power, Ground, Serial Data, Controls and Display
GM4212424Courtesy of GENERAL MOTORS COMPANY