LEMON Manuals: Even more car manuals for everyone: 1960-2025
Home >> Buick >> 2016 >> Cascada Premium >> Repair and Diagnosis >> Accessories & Equipment >> Drivers Assistance Systems - ADAS >> Object Detection System And Pedestrian Protection System >> Schematic Wiring Diagrams >> Object Detection Wiring Schematics >> Vehicle Direction Camera (UFL)
April 5, 2026: LEMON Manuals is launched! Read the announcement.

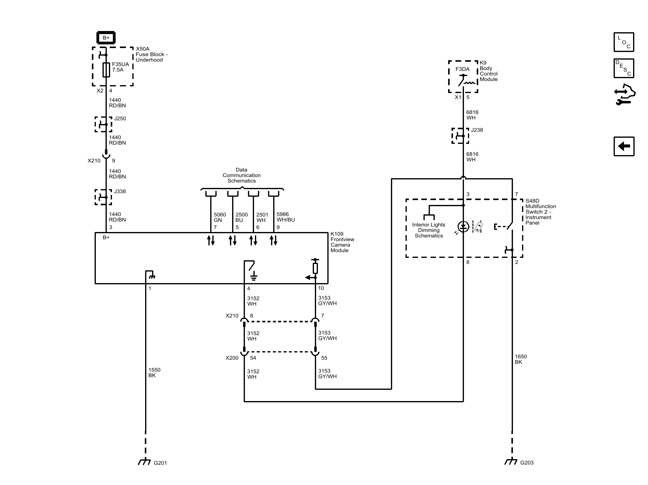
Vehicle Direction Camera (UFL)

Fig 1: Vehicle Direction Camera (UFL)
GM4212421Courtesy of GENERAL MOTORS COMPANY