LEMON Manuals: Even more car manuals for everyone: 1960-2025
Home >> Buick >> 2016 >> Envision >> Repair and Diagnosis >> External Pages >> Different car >> Section 60 (Object Detection System - Park Assist System) >> Schematic Wiring Diagrams >> Object Detection Wiring Schematics >> Rear Object Detection (UD7)
April 5, 2026: LEMON Manuals is launched! Read the announcement.

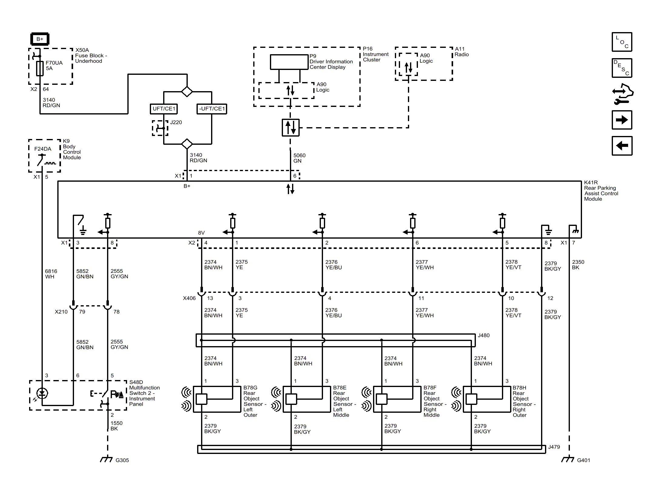
Rear Object Detection (UD7)

WARNING: This page is about a different car, the 2015 Buick LaCrosse. However, it is still accessible from the selected car via links, so may be relevant.
Fig 1: Rear Object Detection (UD7)
GM3772534Courtesy of GENERAL MOTORS COMPANY