LEMON Manuals: Even more car manuals for everyone: 1960-2025
Home >> Buick >> 2016 >> Envision >> Repair and Diagnosis >> External Pages >> Different car >> Section 97 (Cellular System, Entertainment System, And Navigation System) >> Schematic Wiring Diagrams >> Radio/Navigation System Wiring Schematics >> Human Machine Interface Power, Ground, Serial Data, Antenna, and Subsystem References
April 5, 2026: LEMON Manuals is launched! Read the announcement.

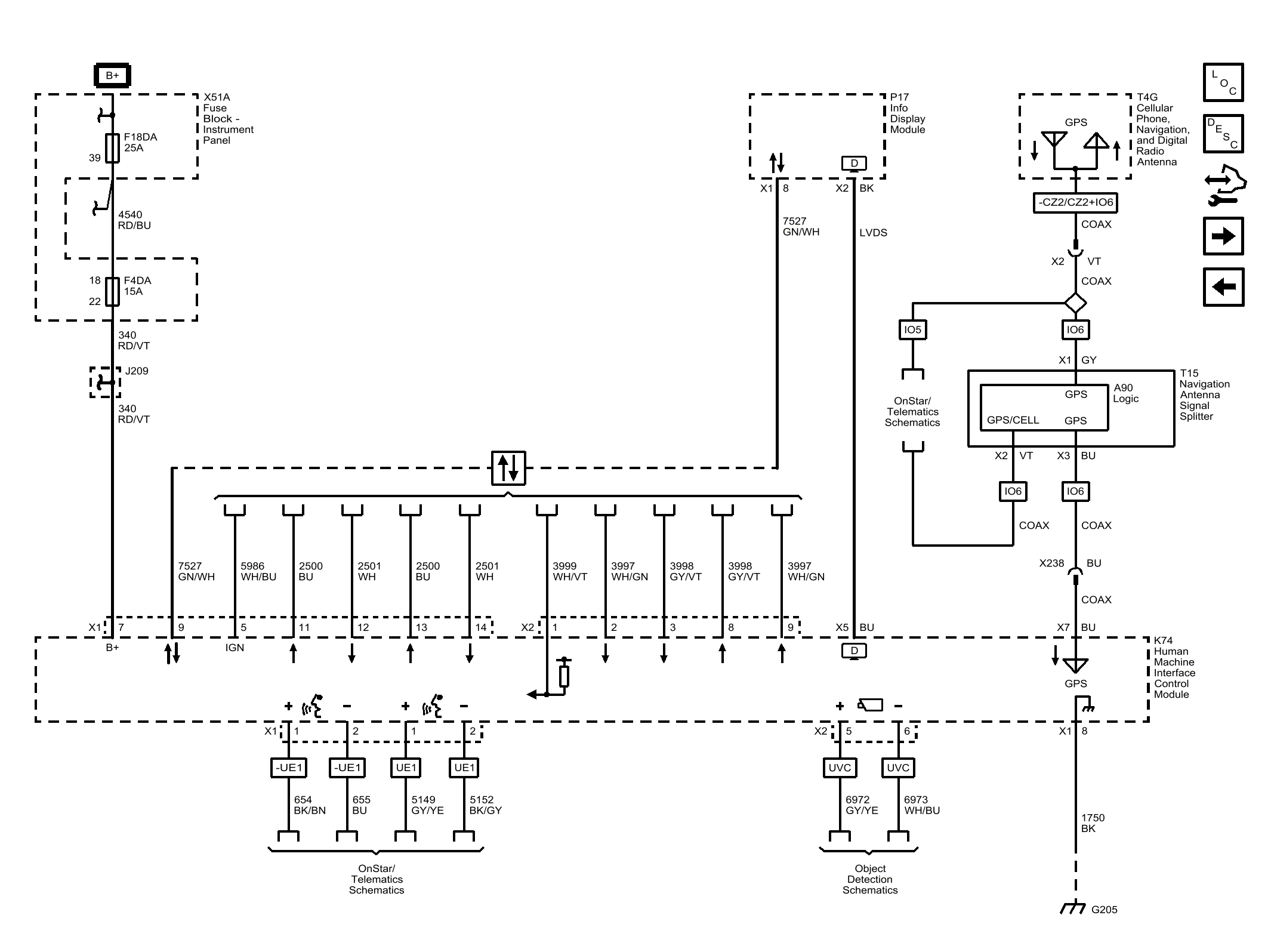
Human Machine Interface Power, Ground, Serial Data, Antenna, and Subsystem References

WARNING: This page is about a different car, the 2015 Buick LaCrosse. However, it is still accessible from the selected car via links, so may be relevant.
Fig 1: Human Machine Interface Power, Ground, Serial Data, Antenna, and Subsystem References
GM3773774Courtesy of GENERAL MOTORS COMPANY