LEMON Manuals: Even more car manuals for everyone: 1960-2025
Home >> Buick >> 2017 >> Encore Base >> Repair and Diagnosis >> Accessories & Equipment >> Entertainment Systems >> Cellular System, Entertainment System, And Navigation System >> Schematic Wiring Diagrams >> OnStar/Telematics Wiring Schematics (Buick) >> Telematics Communication Interface Control Module (Buick)
April 5, 2026: LEMON Manuals is launched! Read the announcement.

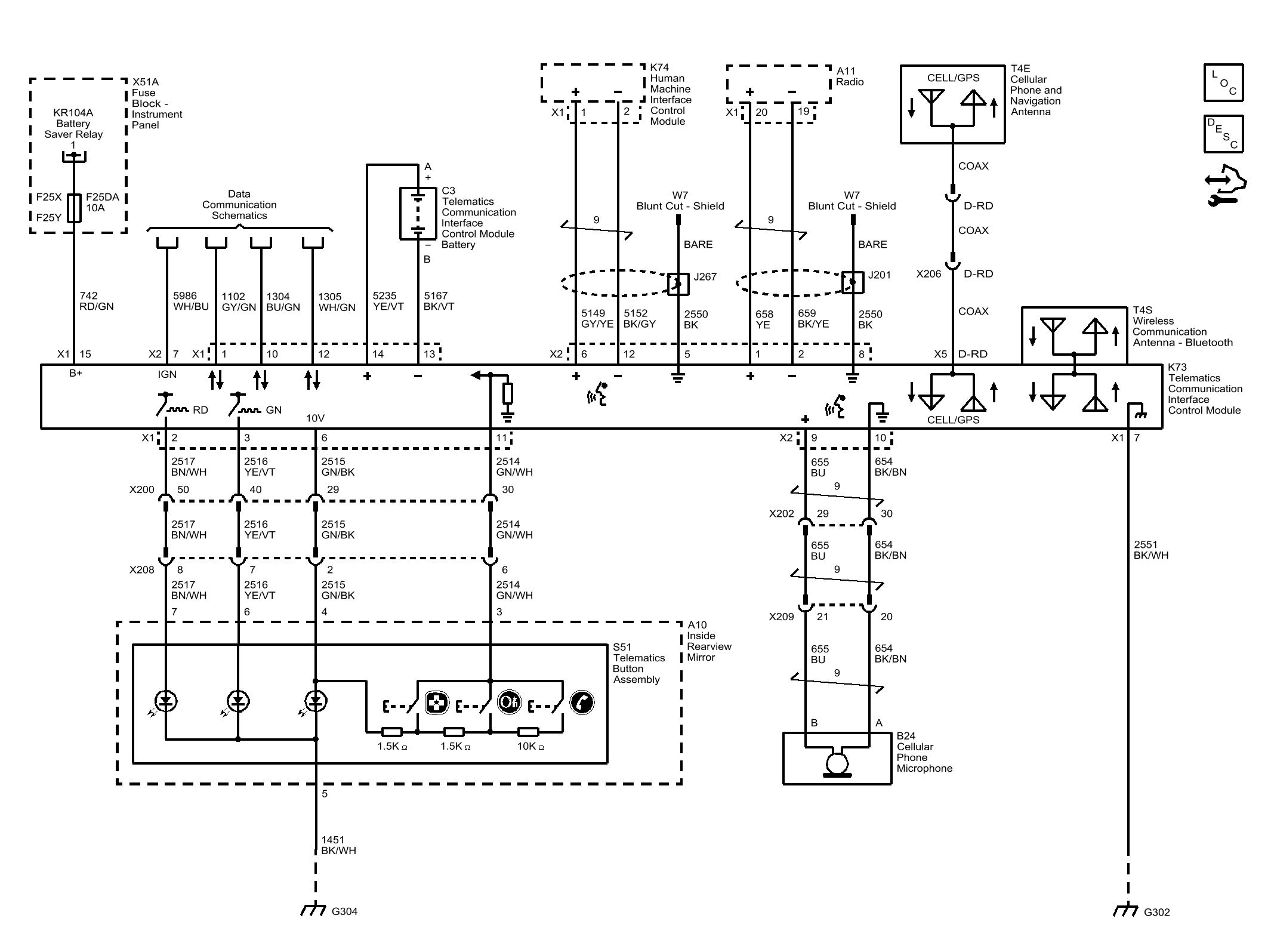
Telematics Communication Interface Control Module (Buick)

Fig 1: Telematics Communication Interface Control Module (Buick)
GM4377404Courtesy of GENERAL MOTORS COMPANY