LEMON Manuals: Even more car manuals for everyone: 1960-2025
Home >> Buick >> 2017 >> Envision Base >> Repair and Diagnosis >> Body & Frame >> Seats >> Power Seat System >> Schematic Wiring Diagrams >> Driver Seat Wiring Schematics >> Module Power, Ground, Serial Data, and Memory Controls (A45)
April 5, 2026: LEMON Manuals is launched! Read the announcement.

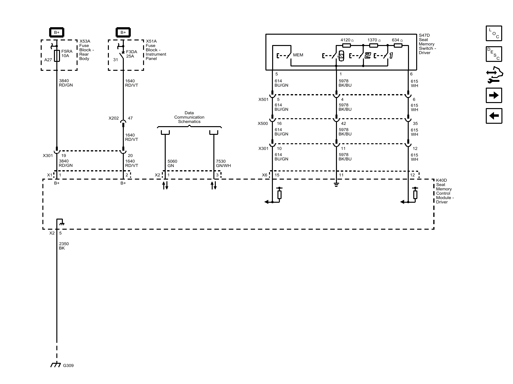
Module Power, Ground, Serial Data, and Memory Controls (A45)

Fig 1: Module Power, Ground, Serial Data, and Memory Controls (A45)
GM4492650Courtesy of GENERAL MOTORS COMPANY