LEMON Manuals: Even more car manuals for everyone: 1960-2025
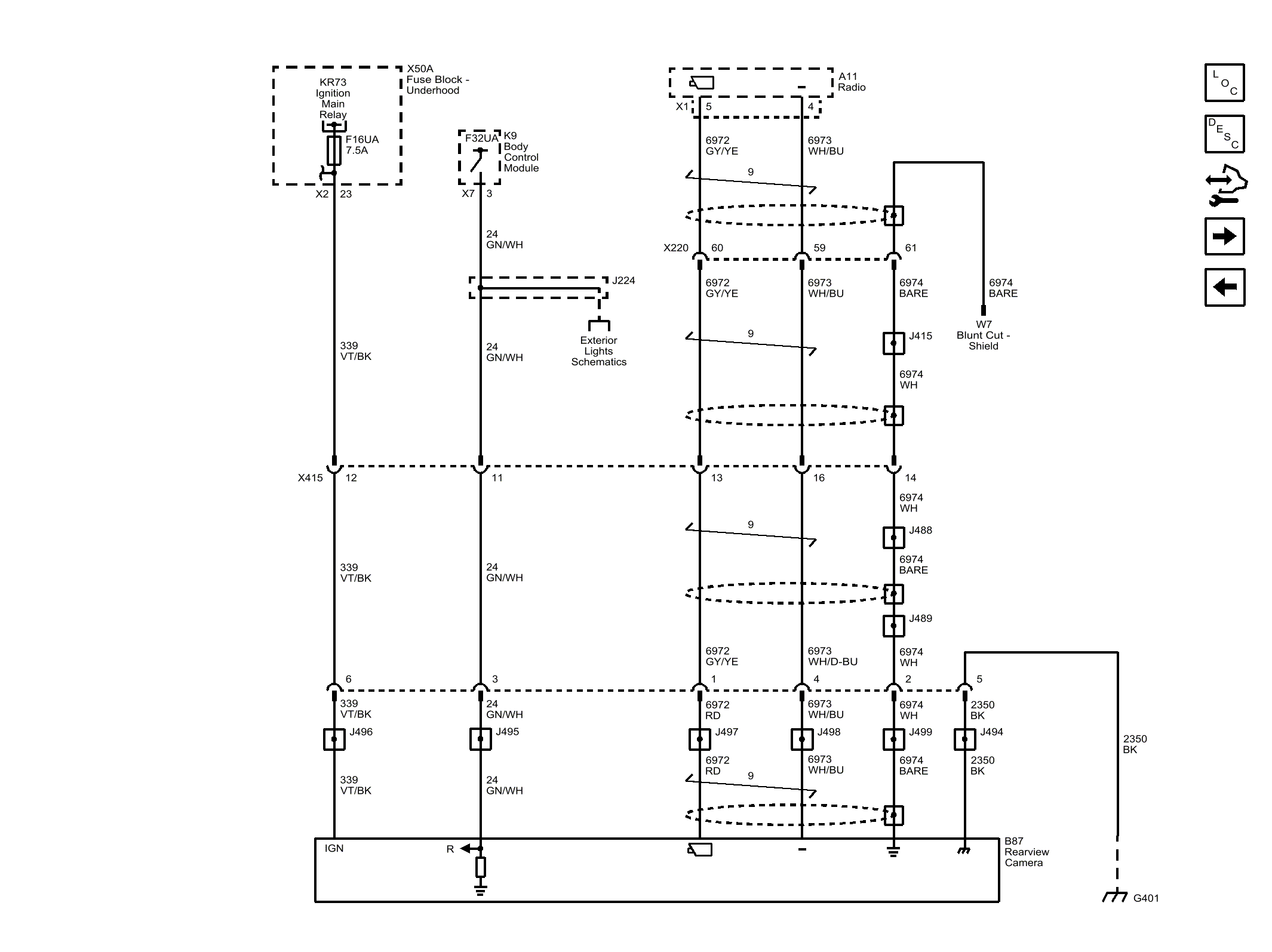
Home >> Buick >> 2017 >> Regal GS, AWD >> Repair and Diagnosis >> Accessories & Equipment >> Drivers Assistance Systems - ADAS >> Object Detection System And Pedestrian Protection System >> Schematic Wiring Diagrams >> Object Detection Wiring Schematics >> Rearview Camera (CZ2/UVC with IO7)
April 5, 2026: LEMON Manuals is launched! Read the announcement.

Rearview Camera (CZ2/UVC with IO7)

Fig 1: Rearview Camera (CZ2/UVC with IO7)
GM4423571Courtesy of GENERAL MOTORS COMPANY